电脑桌面
添加小米粒文库到电脑桌面
安装后可以在桌面快捷访问

一厂生产技术科化验员岗(微生物检测)VIP免费

一厂生产技术科化验员岗(微生物检测)_第1页
1/3
一厂生产技术科化验员岗(微生物检测)_第2页
2/3
一厂生产技术科化验员岗(微生物检测)_第3页
3/3
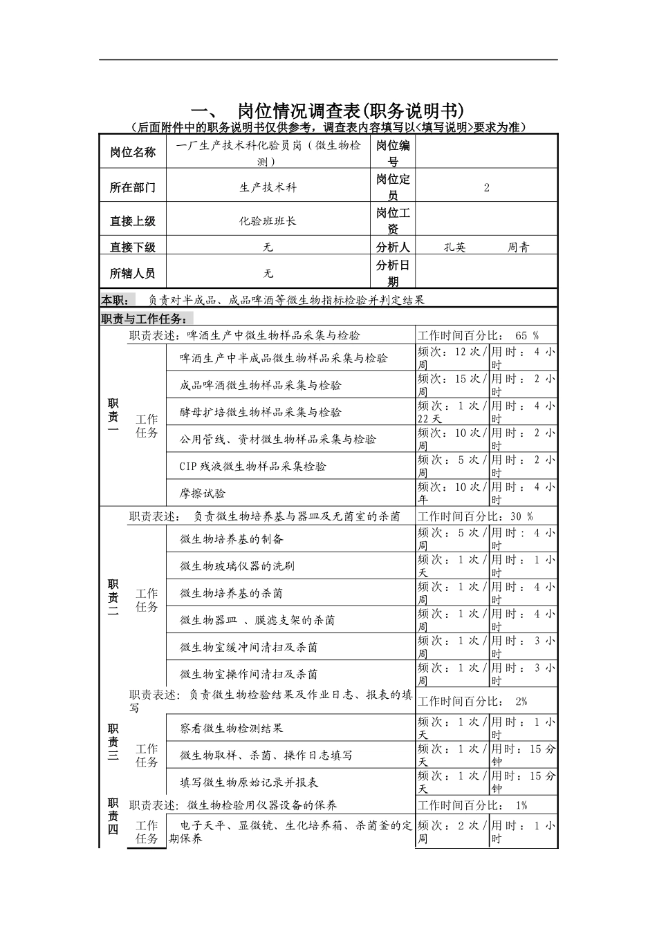
一、岗位情况调查表(职务说明书)(后面附件中的职务说明书仅供参考,调查表内容填写以<填写说明>要求为准)岗位名称一厂生产技术科化验员岗(微生物检测)岗位编号所在部门生产技术科岗位定员2直接上级化验班班长岗位工资直接下级无分析人孔英周青所辖人员无分析日期本职:负责对半成品、成品啤酒等微生物指标检验并判定结果职责与工作任务:职责一职责表述:啤酒生产中微生物样品采集与检验工作时间百分比:65%工作任务啤酒生产中半成品微生物样品采集与检验频次:12次/周用时:4小时成品啤酒微生物样品采集与检验频次:15次/周用时:2小时酵母扩培微生物样品采集与检验频次:1次/22天用时:4小时公用管线、资材微生物样品采集与检验频次:10次/周用时:2小时CIP残液微生物样品采集检验频次:5次/周用时:2小时摩擦试验频次:10次/年用时:4小时职责二职责表述:负责微生物培养基与器皿及无菌室的杀菌工作时间百分比:30%工作任务微生物培养基的制备频次:5次/周用时:4小时微生物玻璃仪器的洗刷频次:1次/天用时:1小时微生物培养基的杀菌频次:1次/周用时:4小时微生物器皿、膜滤支架的杀菌频次:1次/周用时:4小时微生物室缓冲间清扫及杀菌频次:1次/周用时:3小时微生物室操作间清扫及杀菌频次:1次/周用时:3小时职责三职责表述:负责微生物检验结果及作业日志、报表的填写工作时间百分比:2%工作任务察看微生物检测结果频次:1次/天用时:1小时微生物取样、杀菌、操作日志填写频次:1次/天用时:15分钟填写微生物原始记录并报表频次:1次/天用时:15分钟职责四职责表述:微生物检验用仪器设备的保养工作时间百分比:1%工作任务电子天平、显微镜、生化培养箱、杀菌釜的定期保养频次:2次/周用时:1小时职责五职责表述:完成上级交办的其他工作工作时间百分比:2%权力:对微生物样品有按规定采样权与检验权对微生物培养基、器皿、微生物室杀菌有工作执行权对微生物检验结果有判定上报权对微生物仪器设备有使用维护保养权对领导工作任务有完成权考核指标:微生物检验项目频次完成率100%微生物室培养基与器皿无菌率100%,无菌室空气浮游菌为零对微生物报表的真实性负责,检验样品结果准确率为100%微生物室仪器正常运转率为98%达到领导满意工作协作关系:内部协调关系酿造车间、包装车间外部协调关系无任职资格:教育水平高中以上专业无工作经验从事一年以上化验工作能力要求语言文字表达能力、协调能力、时间管理和操作能力个性特征稳重、细心和责任心强,有创新思维生理特征每年必须有卫生防疫部门颁发的健康证所需培训啤酒专业知识与微生物操作技能培训,培训时间为一年工作特点:工作场所办公区、车间工作方式以站立、走动、操作为主工作时间特征一般只需白班工作环境一般体力精力消耗工作紧张、精力高度集中劳动保护无使用工具/设备电话、微生物检验仪器所需记录文档日志、原始记录、报表备注:

1、当您付费下载文档后,您只拥有了使用权限,并不意味着购买了版权,文档只能用于自身使用,不得用于其他商业用途(如 [转卖]进行直接盈利或[编辑后售卖]进行间接盈利)。
2、本站所有内容均由合作方或网友上传,本站不对文档的完整性、权威性及其观点立场正确性做任何保证或承诺!文档内容仅供研究参考,付费前请自行鉴别。
3、如文档内容存在违规,或者侵犯商业秘密、侵犯著作权等,请点击“违规举报”。

碎片内容

一厂生产技术科化验员岗(微生物检测)

您可能关注的文档

教育教学文库+ 关注
实名认证
内容提供者

本店有大量的教育教学资料,课件

确认删除?
VIP
微信客服
  • 扫码咨询
会员Q群
  • 会员专属群点击这里加入QQ群
客服邮箱
回到顶部