电脑桌面
添加小米粒文库到电脑桌面
安装后可以在桌面快捷访问

公司工程设计专项评比交流活动实施制度VIP免费

公司工程设计专项评比交流活动实施制度_第1页
1/7
公司工程设计专项评比交流活动实施制度_第2页
2/7
公司工程设计专项评比交流活动实施制度_第3页
3/7
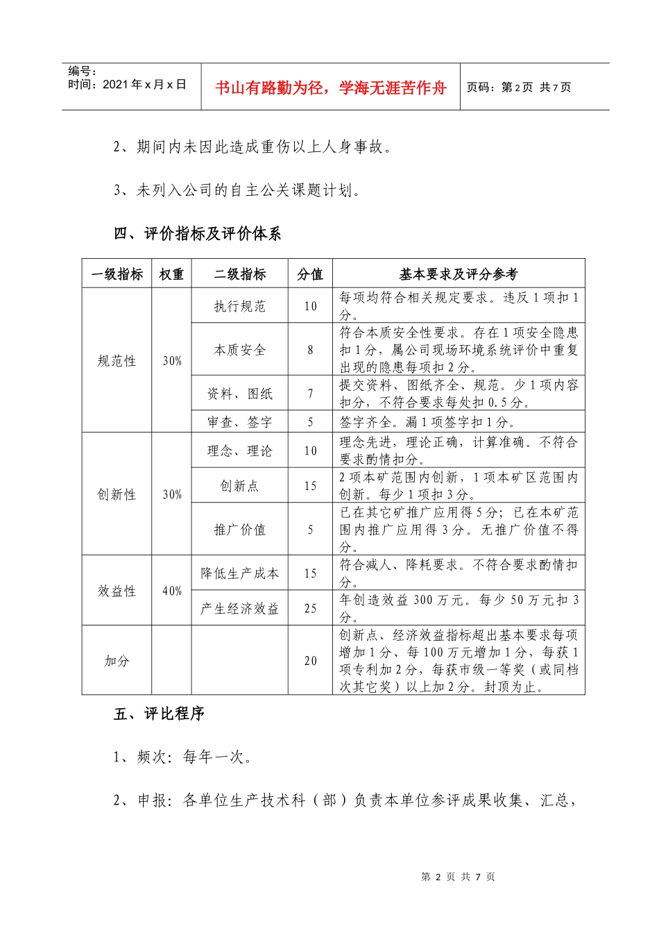
第1页共7页编号:时间:2021年x月x日书山有路勤为径,学海无涯苦作舟页码:第1页共7页公司工程设计专项评比交流活动实施办法为提高公司工程设计、规程措施整体技术水平,为本质安全型矿井建设奠定技术基础,经公司研究决定,在公司所属各矿(含托管)范围内开展工程设计专项评比交流活动,为保证活动正常有序开展,制定本办法一、公司成立活动领导小组:组长:公司总工程师成员:公司副总工程师、生产技术部、安全监察局、通防地测部、机运管理部、技术中心等部门主要负责人和技术负责人。办公室设在公司技术中心。二、参与评比交流成果范围开采设计(包括矿井生产布局、采区设计、采煤工作面设计、单项工程设计等)、防突设计、瓦斯治理设计、防治水设计、机电运输系统设计等。三、参评成果基本条件条件1、由本单位自行完成,在生产实际中已经正式应用。第2页共7页第1页共7页编号:时间:2021年x月x日书山有路勤为径,学海无涯苦作舟页码:第2页共7页2、期间内未因此造成重伤以上人身事故。3、未列入公司的自主公关课题计划。四、评价指标及评价体系一级指标权重二级指标分值基本要求及评分参考规范性30%执行规范10每项均符合相关规定要求。违反1项扣1分。本质安全8符合本质安全性要求。存在1项安全隐患扣1分,属公司现场环境系统评价中重复出现的隐患每项扣2分。资料、图纸7提交资料、图纸齐全、规范。少1项内容扣分,不符合要求每处扣0.5分。审查、签字5签字齐全。漏1项签字扣1分。创新性30%理念、理论10理念先进,理论正确,计算准确。不符合要求酌情扣分。创新点152项本矿范围内创新,1项本矿区范围内创新。每少1项扣3分。推广价值5已在其它矿推广应用得5分;已在本矿范围内推广应用得3分。无推广价值不得分。效益性40%降低生产成本15符合减人、降耗要求。不符合要求酌情扣分。产生经济效益25年创造效益300万元。每少50万元扣3分。加分20创新点、经济效益指标超出基本要求每项增加1分、每100万元增加1分,每获1项专利加2分,每获市级一等奖(或同档次其它奖)以上加2分。封顶为止。五、评比程序1、频次:每年一次。2、申报:各单位生产技术科(部)负责本单位参评成果收集、汇总,第3页共7页第2页共7页编号:时间:2021年x月x日书山有路勤为径,学海无涯苦作舟页码:第3页共7页各单位总工程师负责组织人员对参评成果进行筛选,按照评价指标及评价体系进行初评,对超过70分的成果方可推荐,集中向活动办公室进行申报。3、评比:(1)活动办公室汇总整理后,分专业组织人员对申报材料进行核实、初评。(2)由活动领导小组组长召集全体成员在初评基础上进行综合评审,评出综合奖项。(3)综合设一、二、三等奖和优秀奖,获奖比例原则上分别为5%、10%、15%和20%。4、公示:在集团公司内部网站上,对获奖成果进行公示,公示期为七天。如无异议,评奖结果即为有效。公示期间,如有异议,向活动办公室提出复审申请,逾期不予受理。活动办公室将接到到复审申请汇总后,及时上报活动领导小组,并在七日内予以答复。5、奖励:(1)一、二、三等奖和优秀奖的奖励金额分别为6万元、4万元、3万第4页共7页第3页共7页编号:时间:2021年x月x日书山有路勤为径,学海无涯苦作舟页码:第4页共7页元和1万元,奖励到具体人员。(2)获奖成果将安排在集团公司技术交流大会上进行交流,并在集团公司内部网站进行公布,供工程技术人员参考学习。六、相关要求1、各单位要将评比、交流活动与学习贯彻有关技术法规和技术管理制度结合起来,以此促进全体工程技术人员业务素质不断提高,使集团公司设计工程水平上一个新的台阶。2、各单位总工程师要认真组织好本单位的评比推荐工作,确保评比成果真实、评比过程公正,发现弄虚作假者,将取消参评资格并通报批评。3、各单位于每年12月31日前将参评成果纸质材料(含设计说明书、图纸以及财务证明、获奖证书等附件)一份、成果推荐表及评价表(见附件)纸质与电子版一份报到公司技术中心,逾期不予办理。4、本办法生效后,其它内容重复的专业单项评比活动停止实施。5、本办法自印发之日起执行。附件1:《恒源煤电股份公司工程设计参评成果推荐表》第5页共7页第...

1、当您付费下载文档后,您只拥有了使用权限,并不意味着购买了版权,文档只能用于自身使用,不得用于其他商业用途(如 [转卖]进行直接盈利或[编辑后售卖]进行间接盈利)。
2、本站所有内容均由合作方或网友上传,本站不对文档的完整性、权威性及其观点立场正确性做任何保证或承诺!文档内容仅供研究参考,付费前请自行鉴别。
3、如文档内容存在违规,或者侵犯商业秘密、侵犯著作权等,请点击“违规举报”。

碎片内容

公司工程设计专项评比交流活动实施制度

确认删除?
VIP
微信客服
  • 扫码咨询
会员Q群
  • 会员专属群点击这里加入QQ群
客服邮箱
回到顶部