电脑桌面
添加小米粒文库到电脑桌面
安装后可以在桌面快捷访问

上海国际航运中心地基加固工程施工组织设计方案(DOC12页)VIP免费

上海国际航运中心地基加固工程施工组织设计方案(DOC12页)_第1页
1/13
上海国际航运中心地基加固工程施工组织设计方案(DOC12页)_第2页
2/13
上海国际航运中心地基加固工程施工组织设计方案(DOC12页)_第3页
3/13
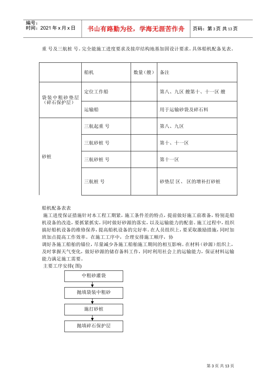
第1页共13页编号:时间:2021年x月x日书山有路勤为径,学海无涯苦作舟页码:第1页共13页目录第一章编制依据................................................................第二章工程概况................................................................第三章总体施工部署............................................................第四章主要施工工艺............................................................第五章安全管理................................................................第六章文明施工................................................................第2页共13页编号:时间:2021年x月x日书山有路勤为径,学海无涯苦作舟页码:第2页共13页编制依据()交通部第三航务工程勘察设计院《洋山深水港区二期工程接岸结构西段及西驳岸深水段地基加固施工图》(年月编制)。()交通部第三航务工程勘察设计院《洋山深水港区二期工程接岸结构东段地基加固工程施工图》(年月编制)。()行业标准《水运工程测量规范》()()通部第三航务工程勘察设计院勘察工程公司《上海国际航运中心洋山港二期工程港区总施工控制网测量技术报告》。()行业标准《港口工程地基规范》()。()国家、地方政府颁发的相关法律、法规。()有关会议纪要及相关的《中港第三航务工程局技术质量安全交底书》。工程概况洋山深水港区1.4km水工工程(标)位于一期工程的西侧,其接岸结构为高桩承台(包括板桩墙)及二级抛石棱体。1.4km水工工程(标)位于1.4km水工工程的西段700m,另加西驳岸及205m车客渡码头范围。由于1.4km水工工程区域位置表层分布着厚度~的淤泥、淤泥质粉质黏土或淤泥质黏土,且这几层土处于饱和、流塑状态,强度低、压缩性高,对抛石棱体的稳定及沉降固结均存在着不利因素,因此必须进行砂桩加固。接岸结构及西驳岸深水段地基加固主要包括抛袋装中粗砂垫层、打砂桩及抛填碎石保护层。其工程量分别为:抛袋装中粗砂垫层167445.2m3,打砂桩根,抛填碎石保护层约76000m3左右。总体施工部署洋山深水港区1.4km水工工程(标)接岸结构及西驳岸深水段地基加固工程计划从东往西安排作业面。即从桩号向西至桩号,在保证有足够工作面的前提下,使各道工序形成流水作业。总体安排根据业主对洋山深水港区1.4km水工工程总体要求年底建成投产的要求,承台板桩墙结构在年月底形成,地基加固进度必须满足工程总体进度要求,为了保证洋山深水港区1.4km水工工程接岸结构工程进度,地基加固计划于年月初开始抛填袋装砂垫层,计划于月底前结束,砂桩施工计划于月10日开始,月10日前结束。1m厚碎石保护层抛填同时流水跟进。根据设计要求,袋装中粗砂砂垫层标高在-10.0m以上的,可以在承台钢桩沉桩后直接抛填;标高在-10.0m以下的先抛填碎石保护层然后进行承台钢桩桩基的施工。船机选择根据指总进度计划要求,计划投入艘定位抛砂船和艘运砂船用于水抛袋装中粗砂垫层施工。对施打砂桩,我项目部计划调入专业砂桩船艘,分别为三航砂桩号、三航砂桩号、三航起第3页共13页编号:时间:2021年x月x日书山有路勤为径,学海无涯苦作舟页码:第3页共13页重号及三航桩号。完全能施工进度要求及接岸结构地基加固设计要求。具体船机配备见表。船机配备表表施工进度保证措施针对本工程工期紧,施工条件差的特点,提前做好施工前准备,特别是船机设备的改造,要抓紧抓实,同时做好砂源的落实,以及运输能力的配套。施工过程中,组织搞好船机设备的维修保养,提高船机设备的完好率。在人员组织上,要采取激励措施,同时加班加点提高工作效率。在施工工序中,合理安排施工顺序,协调好各施工船舶的锚位,尽量减少各施工船舶施工期间的相互影响。在材料(砂源)组织上,及时掌握天气变化,做好砂源的储存备料工作,同时利用社会上的运输能力,保证材料运输能力满足施工需要。主要工序安排(图)船机数量(艘)备注袋装中粗砂垫层(碎石保护层)定位工作船第八、九区艘第十、十一区艘运输船用于运输砂袋及碎石料砂桩三航起重号第八、九区三航砂桩号第十、十一区三航砂桩号第十一区三航桩号...

1、当您付费下载文档后,您只拥有了使用权限,并不意味着购买了版权,文档只能用于自身使用,不得用于其他商业用途(如 [转卖]进行直接盈利或[编辑后售卖]进行间接盈利)。
2、本站所有内容均由合作方或网友上传,本站不对文档的完整性、权威性及其观点立场正确性做任何保证或承诺!文档内容仅供研究参考,付费前请自行鉴别。
3、如文档内容存在违规,或者侵犯商业秘密、侵犯著作权等,请点击“违规举报”。

碎片内容

上海国际航运中心地基加固工程施工组织设计方案(DOC12页)

教育教学文库+ 关注
实名认证
内容提供者

本店有大量的教育教学资料,课件

确认删除?
VIP
微信客服
  • 扫码咨询
会员Q群
  • 会员专属群点击这里加入QQ群
客服邮箱
回到顶部