电脑桌面
添加小米粒文库到电脑桌面
安装后可以在桌面快捷访问

全数字交流伺服系统在塑料机械中的应用VIP免费

全数字交流伺服系统在塑料机械中的应用_第1页
1/7
全数字交流伺服系统在塑料机械中的应用_第2页
2/7
全数字交流伺服系统在塑料机械中的应用_第3页
3/7
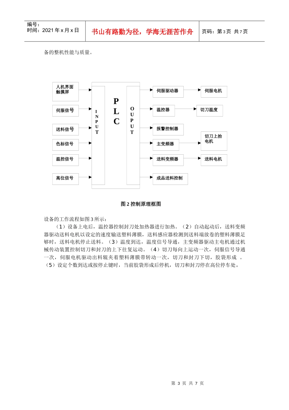
第1页共7页编号:时间:2021年x月x日书山有路勤为径,学海无涯苦作舟页码:第1页共7页全数字交流伺服系统在塑料机械中的应用---塑料制袋机械伺服应用本文主要介绍了塑料制袋机械的电气原理,以及整个运转过程及现今主流的应用技术,介绍了伺服系统在塑料机械的应用原理及性能特点。关键词:塑料制袋机伺服系统Abstract:Thepaperintroducesakindofofelectricprincipleandalltheoperationofthemachinewhichproducetheplasticbag.Thepaperalsotellusthemaintechnologyhowtousetheservosystem.Atthesametime,introducestheperformanceandthecharacteristicoftheservosystemwhichuseinplasticindustry.广州数控设备有限公司赵金彪1引言塑料包装行业是随着机电技术的进步和塑料加工工艺的发展而发展起来的,并逐步形成为一个独立的工业部门。上世纪六七十年代后,许多塑料原料已能大规模生产,塑料制品代替金属、木材、玻璃、纸、纤维等材料制成的产品,在国民经济各部门和人们生活各个领域的应用越来越多。需求的不断增加使得中国塑料包装机械发展很快、生产出来的品种也越来越多,大多已能供应国内塑料制品加工装备的需要,随着技术的不断更新,近年来以伺服系统为主要执行元件的塑料机械,以其速度快、效率高、能耗低、控制水平完善性能稳定等优点迅速成为市场主流机型,并加快国产塑机自动化水平的进程。2塑料机械控制流程及电气原理国产塑料制袋机如图1所示。从图中可见,塑料制袋机是由:热封切刀,伺服装置,变频装置、牵引皮辊、承切皮辊、热封切刀及控制器组成。主要技术特征在于热封切刀安装在转动轴上,转动轴上设有齿轮,齿轮与设在机架上的主电机主轴上的齿轮相互啮合,主电机上设有皮辊运动传感器,热封切刀的转动轴上设有切刀位置传感器。这种热封切刀伺服装置结构设计科学合理,大大减少了制袋机的整体体积,并且由于牵引皮辊的连续运动,不存在受力距大小的影响,而智能控制器能准确地控制薄膜的设置长度。该类设备主要用于加工塑料包装袋及各种规格的生活塑料袋,早期的设备采取的是刹车离合器等控制机构,后来改进为步进系统控制装置,现在,又发展成为PLC及伺服电机加变频调速为主的控制机构。随着技术的更新进步,更高的定位精度和更好的稳定性,直接导致所制胶袋的质量和效率也不断提升。第2页共7页第1页共7页编号:时间:2021年x月x日书山有路勤为径,学海无涯苦作舟页码:第2页共7页图1塑料制袋机械设备图系统整体控制原理,如图2所示:人机界面,采用触摸屏,便于操作人员设置参数及对整台设备运行状态的了解,负责人机对话交流。界面上可设定定长封切或追色封切、切袋长度、追色长度、预警个数、送袋速度、加速时间、减速时间,当选择为定长封切时,追色感应器无作用。PLC做为核心程序的载体,负责脉冲信号的发送及各种控制信号转化与流通,最终控制各执行机构的运转与协调。PLC程序根据伺服机构的机械传动比、伺服驱动器的电子齿轮比、伺服电机变码器的线数以及出料辊的周长,计算出伺服驱动器接收一定数量的脉冲伺服电机就驱动出料辊转动带出一定长度的胶袋,实现定长控制色标、温控、到位信号,做为传感元气件,负责时间的判断与控制信号的发出,使个执行件之间确立逻辑关系。温控器的温度,应根据主电机的转速高低进行设定,以胶袋封口处结实耐拉为准。封刀温度偏低,会导致胶袋封口处不牢。若封刀温度偏高,会导致胶袋封口处烫穿,因此,应根据主电机转速及封口时间长短进行调节,通常,温度都设定在180℃左右。主变频装置,负责热封刀与切刀的连续上下运动,同时控制出袋速度与效率。送料变频装置,负责整卷物料的第一级输送。伺服驱动装置,由驱动,伺服电机,码盘反馈信号构成,作为主要运动机构,主要任务是完成定位精度的控制,严格执行来自PLC的脉冲指令控制,同时,保证在频繁启动负载下自身运动的平稳性与快速响应性,使伺服电机的一次送料转速满足切刀上下运行的时间要求。并使伺服电机与送料变频电机之间不发生相对滑动。伺服性能直接反映了这台设第3页共7页第2页共7页编号:时间:2021年x月x日书山有路勤为径,学海无涯苦作舟页码:第3页共7页...

1、当您付费下载文档后,您只拥有了使用权限,并不意味着购买了版权,文档只能用于自身使用,不得用于其他商业用途(如 [转卖]进行直接盈利或[编辑后售卖]进行间接盈利)。
2、本站所有内容均由合作方或网友上传,本站不对文档的完整性、权威性及其观点立场正确性做任何保证或承诺!文档内容仅供研究参考,付费前请自行鉴别。
3、如文档内容存在违规,或者侵犯商业秘密、侵犯著作权等,请点击“违规举报”。

碎片内容

全数字交流伺服系统在塑料机械中的应用

您可能关注的文档

教育教学文库+ 关注
实名认证
内容提供者

本店有大量的教育教学资料,课件

确认删除?
VIP
微信客服
  • 扫码咨询
会员Q群
  • 会员专属群点击这里加入QQ群
客服邮箱
回到顶部