电脑桌面
添加小米粒文库到电脑桌面
安装后可以在桌面快捷访问

区(翠成)工程临电施工组织设计方案VIP免费

区(翠成)工程临电施工组织设计方案_第1页
1/12
区(翠成)工程临电施工组织设计方案_第2页
2/12
区(翠成)工程临电施工组织设计方案_第3页
3/12
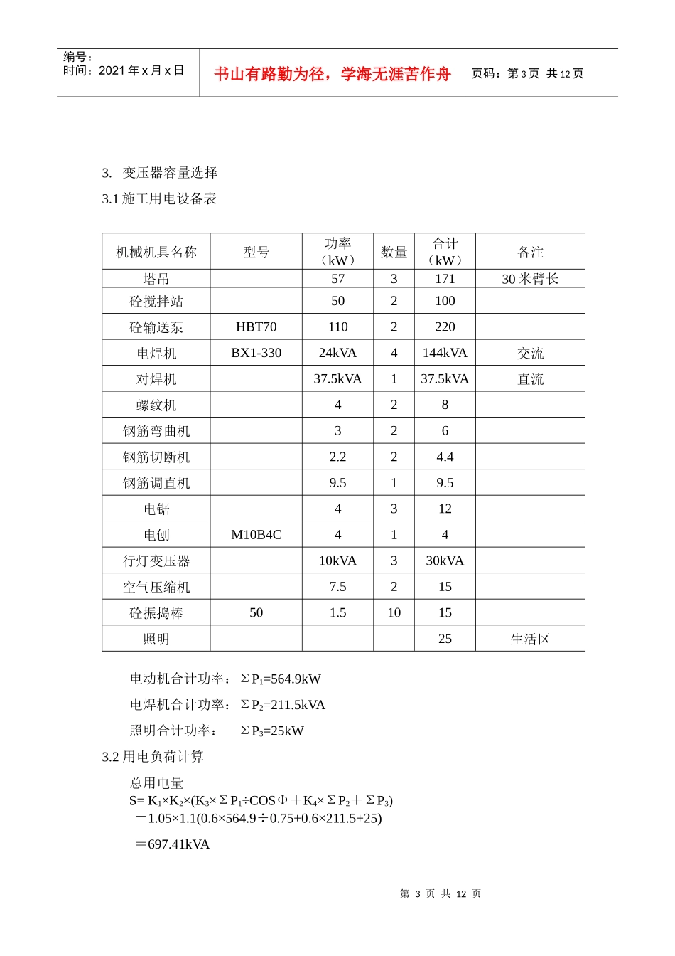
第1页共12页编号:时间:2021年x月x日书山有路勤为径,学海无涯苦作舟页码:第1页共12页目录1.工程概况………………………………………………(2)页2.施工供配电概况………………………………………(2)页3.变压器容量选择………………………………………(3)页4.分配电箱、导线选择…………………………………(4–7)页5.施工用电平面图………………………………………(8)页6.施工用电系统图………………………………………(8)页7.安全用电技术措施……………………………………(9-11)页8.电气防火措施…………………………………………(12)页第2页共12页第1页共12页编号:时间:2021年x月x日书山有路勤为径,学海无涯苦作舟页码:第2页共12页1.工程概况1.1本工程为北京市垡头居住区(翠成)工程,位于北京市东部十八里店乡。1.2本工程的建设单位为住总集团房地产开发有限公司,发包方为住总集团工程总承包部,设计单位是华通设计顾问工程有限公司,监理单位为北京方正监理公司,施工单位为住总集团工程总承包部。1.3本工程建筑面积15241.15m2,结构形式为《全现浇钢筋混凝土框架剪力墙》,建筑物总高度BA2-BA6各16.8m,各6层。2.施工供配电概况2.1现场设置1台容量为630kVA,变比为10/0.4kV变压器,位于施工现场东南侧,具体位置见总平面图。2.2本工程低压供电系统采用TN-S接地保护系统。直接由现场变配电室(一级控制)引出,送至各分配电箱(二级控制)。2.3现场共设置个固定安装的分配电箱。箱内具体配置见系统图,平面位置见总平面图。2.4本工程采用变配电室的一个出线开关专供消防水泵。2.5各加工点的三级配电箱分别由各分配电箱供电。各分配电箱及三级配电箱内均设置漏电保护开关,形成三级控制二级保护,装设在流动开关箱内的供电设备的各出线漏电开关动作电流应不大于30mA,动作时间不大于0.1s,分配电箱的漏电保护开关的动作电流应不大于75mA,动作时间不大于0.1s。2.6现场电缆全部采用VV22型聚氯乙烯绝缘聚氯乙烯护套铠装电缆,敷设方式为土壤直埋法。电缆规格主要有:VV22-3×70+2×35VV22-3×185+2×95VV22-3×150+2×95第3页共12页第2页共12页编号:时间:2021年x月x日书山有路勤为径,学海无涯苦作舟页码:第3页共12页3.变压器容量选择3.1施工用电设备表机械机具名称型号功率(kW)数量合计(kW)备注塔吊57317130米臂长砼搅拌站502100砼输送泵HBT701102220电焊机BX1-33024kVA4144kVA交流对焊机37.5kVA137.5kVA直流螺纹机428钢筋弯曲机326钢筋切断机2.224.4钢筋调直机9.519.5电锯4312电刨M10B4C414行灯变压器10kVA330kVA空气压缩机7.5215砼振捣棒501.51015照明25生活区电动机合计功率:ΣP1=564.9kW电焊机合计功率:ΣP2=211.5kVA照明合计功率:ΣP3=25kW3.2用电负荷计算总用电量S=K1×K2×(K3×ΣP1÷COSΦ+K4×ΣP2+ΣP3)=1.05×1.1(0.6×564.9÷0.75+0.6×211.5+25)=697.41kVA第4页共12页第3页共12页编号:时间:2021年x月x日书山有路勤为径,学海无涯苦作舟页码:第4页共12页总用电计算电流Ij=S/(√3×U)=697.4/(√3×0.38)=1059.61A3.3结论:根据以上计算,现场设置1台容量为630kVA变压器。4.分配电箱、导线选择4.1①号分配电箱4.1.1设备功率:机具名称数量(台)合计功率(kW)砼搅拌站2100照明254.1.2负荷计算需要系数K3=0.7ΣP1=125kW电动机计算功率Pj=K1×K2×(K3×ΣP1)=1.05×1.1×(0.7×125)=101.06kW4.1.3按计算电流选择电缆截面:Ij=Pj÷(√3UCOSφ)=101.06÷(√3×0.38×0.75)=204.7A选择VV22-3×70+2×35(允许载流量227A)。4.1.4按允许电压降校核:ΔU%=[(∑Pj×L)÷(C×S)](%)(ΣPj×L)------功率矩(kW.m)L------导线长度(平面图测量,m)C------系数(三相四线供电,导线为铜线时C=77)S------导线截面(m2)ΔU%=[(101.06×40)÷(77×70)](%)=0.75%ΔU%<ε(ε-负荷允许压降,一般取5%)第5页共12页第4页共12页编号:时间:2021年x月x日书山有路勤为径,学海无涯苦作舟页码:第5页共12页至①号分配电箱所选电缆截面符合压降要求。4.1.5结论:至①号分配电箱选用VV22-3×70+2×354.2②号分配电箱4.2.1设备功率:机具名称数量(台)合计功率...

1、当您付费下载文档后,您只拥有了使用权限,并不意味着购买了版权,文档只能用于自身使用,不得用于其他商业用途(如 [转卖]进行直接盈利或[编辑后售卖]进行间接盈利)。
2、本站所有内容均由合作方或网友上传,本站不对文档的完整性、权威性及其观点立场正确性做任何保证或承诺!文档内容仅供研究参考,付费前请自行鉴别。
3、如文档内容存在违规,或者侵犯商业秘密、侵犯著作权等,请点击“违规举报”。

碎片内容

区(翠成)工程临电施工组织设计方案

您可能关注的文档

确认删除?
VIP
微信客服
  • 扫码咨询
会员Q群
  • 会员专属群点击这里加入QQ群
客服邮箱
回到顶部