电脑桌面
添加小米粒文库到电脑桌面
安装后可以在桌面快捷访问

公路工程试验检测收费标准VIP免费

公路工程试验检测收费标准_第1页
1/42
公路工程试验检测收费标准_第2页
2/42
公路工程试验检测收费标准_第3页
3/42
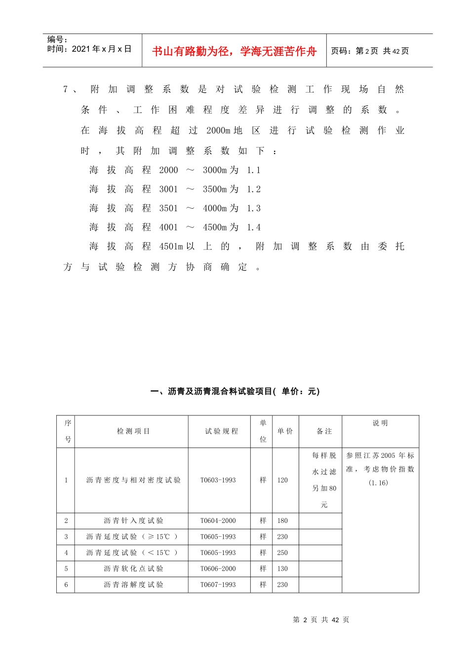
目录总则..........................................................................................................................-1-一、沥青及沥青混合料试验项目(单价:元)................................................................-2-二、集料试验项目.........................................................................................................-5-三、水质分析试验项目.................................................................................................-7-四、岩石试验项目.........................................................................................................-7-五、水泥及粉煤灰试验项目.........................................................................................-8-六、水泥混凝土试验项目.............................................................................................-9-七、钢材试验项目.....................................................................................................-12-八、钢结构无损检测.................................................................................................-14-九、无机结合料稳定土试验....................................................................................-15-十、土工试验项目.....................................................................................................-16-十一、交通安全设施试验项目................................................................................-17-十二、通信管道试验项目.........................................................................................-20-十三、其它材料试验项目.........................................................................................-21-十四、路基、路面构造物检测................................................................................-23-十五、桥涵检测.........................................................................................................-26-十六、桥梁静、动载试验.........................................................................................-27-十七、混凝土构件检测.............................................................................................-28-十八、桩基检测.........................................................................................................-29-十九、隧道工程检测.................................................................................................-30-二十、防护工程检测.................................................................................................-31-二十一、其它项目.....................................................................................................-31-《四川省公路工程试验检测收费标准》(建第1页共42页编号:时间:2021年x月x日书山有路勤为径,学海无涯苦作舟页码:第1页共42页议)总则1、本标准适用于四川省内公路工程试验检测收费。2、试验检测收费采用实物工作量定额计费方法计算。3、试验检测收费=试验检测工作直接费用+其它费用4、试验检测工作直接费用=试验检测工作收费基价×实物工作量×附加调整系数5、试验检测工作收费基价是完成每单位实物工作内容的基本价格(即下表中所列检测项目的单价),其中已包含相应的技术工作费用。6、其它费用是指未含在试验检测工作直接费用里面的费用,包括人员食宿费用、交通车费用、检测车辆(如路面多功能测试车、摩擦系数车、自动弯沉车、平整度测试车、地质雷达测试车、弯沉标准车、桥梁检测车等)台班费用、检测工作平台(支架)搭设费用、进出场费用及其它必要的配合费用(如交通管制...

1、当您付费下载文档后,您只拥有了使用权限,并不意味着购买了版权,文档只能用于自身使用,不得用于其他商业用途(如 [转卖]进行直接盈利或[编辑后售卖]进行间接盈利)。
2、本站所有内容均由合作方或网友上传,本站不对文档的完整性、权威性及其观点立场正确性做任何保证或承诺!文档内容仅供研究参考,付费前请自行鉴别。
3、如文档内容存在违规,或者侵犯商业秘密、侵犯著作权等,请点击“违规举报”。

碎片内容

公路工程试验检测收费标准

您可能关注的文档

确认删除?
VIP
微信客服
  • 扫码咨询
会员Q群
  • 会员专属群点击这里加入QQ群
客服邮箱
回到顶部