电脑桌面
添加小米粒文库到电脑桌面
安装后可以在桌面快捷访问

北京丽泽花园菜户营住宅小区地下车库施工组织设计VIP免费

北京丽泽花园菜户营住宅小区地下车库施工组织设计_第1页
1/178
北京丽泽花园菜户营住宅小区地下车库施工组织设计_第2页
2/178
北京丽泽花园菜户营住宅小区地下车库施工组织设计_第3页
3/178
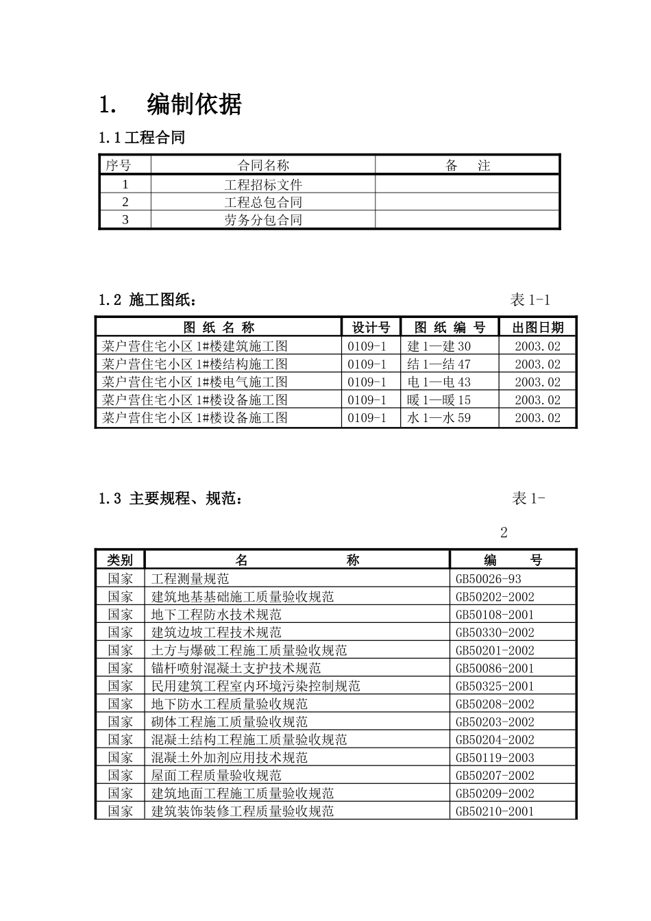
北京丽泽花园菜户营住宅小区地下车库施工组织设计1.编制依据1.1工程合同序号合同名称备注1工程招标文件2工程总包合同3劳务分包合同1.2施工图纸:表1-1图纸名称设计号图纸编号出图日期菜户营住宅小区1#楼建筑施工图0109-1建1—建302003.02菜户营住宅小区1#楼结构施工图0109-1结1—结472003.02菜户营住宅小区1#楼电气施工图0109-1电1—电432003.02菜户营住宅小区1#楼设备施工图0109-1暖1—暖152003.02菜户营住宅小区1#楼设备施工图0109-1水1—水592003.021.3主要规程、规范:表1-2类别名称编号国家工程测量规范GB50026-93国家建筑地基基础施工质量验收规范GB50202-2002国家地下工程防水技术规范GB50108-2001国家建筑边坡工程技术规范GB50330-2002国家土方与爆破工程施工质量验收规范GB50201-2002国家锚杆喷射混凝土支护技术规范GB50086-2001国家民用建筑工程室内环境污染控制规范GB50325-2001国家地下防水工程质量验收规范GB50208-2002国家砌体工程施工质量验收规范GB50203-2002国家混凝土结构工程施工质量验收规范GB50204-2002国家混凝土外加剂应用技术规范GB50119-2003国家屋面工程质量验收规范GB50207-2002国家建筑地面工程施工质量验收规范GB50209-2002国家建筑装饰装修工程质量验收规范GB50210-2001国家住宅装饰装修工程施工规范GB50327-2001国家建筑给水排水及采暖工程施工质量验收规范GB50242-2002国家通风与空调工程施工质量验收规范GB50243-2002国家建筑电气安装工程施工质量验收规范GB50303-2002国家建设工程文件归档整理规范GB/T50328-2001国家建设工程项目管理规范GB/T20326-2001国家组合钢模板技术规范GB50214-2001国家大模板多层住宅结构设计与施工规程JGJ20-84国家钢筋混凝土高层建筑结构设计与施工规程JGJ3-91行业钢筋焊接及验收规程JGJ18-2003行业钢筋机械连接通用技术规程JGJ107-2003行业混凝土泵送施工技术规程JGJ/T10-95行业建筑工程冬期施工规程JGJ104-97行业建筑机械使用安全技术规程JGJ33-2001地方施工现场临时用电安全技术规范JGJ46-88地方预拌砼质量管理规程DBJ01-6-90地方北京市屋面卷材防水推荐作法京93TJ2地方《建筑工程施工测量规程》DBJ01-21-95地方《建筑工程监理规程》DBJ01-41-2002地方《建筑工程资料管理规程》DBJ01-51-2003地方《建筑工程施工技术管理规程》DBJ01-80-2003地方《建筑工程施工安全操作规程》DBJ01-62-20021.4主要图集:表1-3类别名称编号国家建筑构造通用图集88J1-88J12国家建筑构造通用图集88JX1-88JX4国家建筑抗震构造详图97G329(一)-(九)国家砼结构施工图平面整体表示方法、制图规则和构造详图00G101地方建筑设备施工安装通用图集91SB1\91SB6\91SB-X1地方建筑电气通用图集92DQ1-92DQ13地方建筑物防雷设施安装99D501-1地方等电位及接地02D501-2地方利用建筑物金属体做防雷及接地装置安装03D501-3地方常用低压配电设备安装90D702-1地方线槽配线安装96D301-1地方防空地下室电气设计FD01——021.5主要标准:表1-4类别名称编号国家建筑工程施工质量验收统一标准GB50300-2001国家电梯工程质量检验评定标准GB50310-2002地方北京市建设工程施工现场安全防护标准京建施[2003]1号地方北京市建设工程施工现场场容卫生标准京建施[2003]2号地方北京市建设工程施工现场环境保护标准京建施[2003]3号地方北京市建设工程施工现场保卫消防标准京建施[2003]4号地方北京市施工现场检查评分标准1.6主要法规:表1-5类别名称编号国家中华人民共和国安全生产法国家中华人民共和国招投标法国家建设工程安全管理条例国家中华人民共和国建筑法1997年11月1日中华人民共和国主席令国家建筑工程质量管理条例国务院令第279号地方北京市建筑工程文明安全施工管理暂行规定99京建施1号地方混凝土工程碱集料反应工程技术管理规定(试行)京建科(1999)230号地方关于房屋建筑工程等市政工程见证取样有关规定京建质578地方北京市建筑工程施工现场管理办法市政府第72号地方建设项目环境保护管理办法1.7其它:表1-6类别名称编号地方北京市建筑安装工程工期及概算定额地方2001年北京市建设工程预算定额地方北京市建委发关于碱集料反应99-230#文件公司中铁公司的体系文...

1、当您付费下载文档后,您只拥有了使用权限,并不意味着购买了版权,文档只能用于自身使用,不得用于其他商业用途(如 [转卖]进行直接盈利或[编辑后售卖]进行间接盈利)。
2、本站所有内容均由合作方或网友上传,本站不对文档的完整性、权威性及其观点立场正确性做任何保证或承诺!文档内容仅供研究参考,付费前请自行鉴别。
3、如文档内容存在违规,或者侵犯商业秘密、侵犯著作权等,请点击“违规举报”。

碎片内容

北京丽泽花园菜户营住宅小区地下车库施工组织设计

您可能关注的文档

教育教学文库+ 关注
实名认证
内容提供者

本店有大量的教育教学资料,课件

确认删除?
VIP
微信客服
  • 扫码咨询
会员Q群
  • 会员专属群点击这里加入QQ群
客服邮箱
回到顶部