电脑桌面
添加小米粒文库到电脑桌面
安装后可以在桌面快捷访问

微机接口实验综合设计报告VIP免费

微机接口实验综合设计报告_第1页
1/10
微机接口实验综合设计报告_第2页
2/10
微机接口实验综合设计报告_第3页
3/10
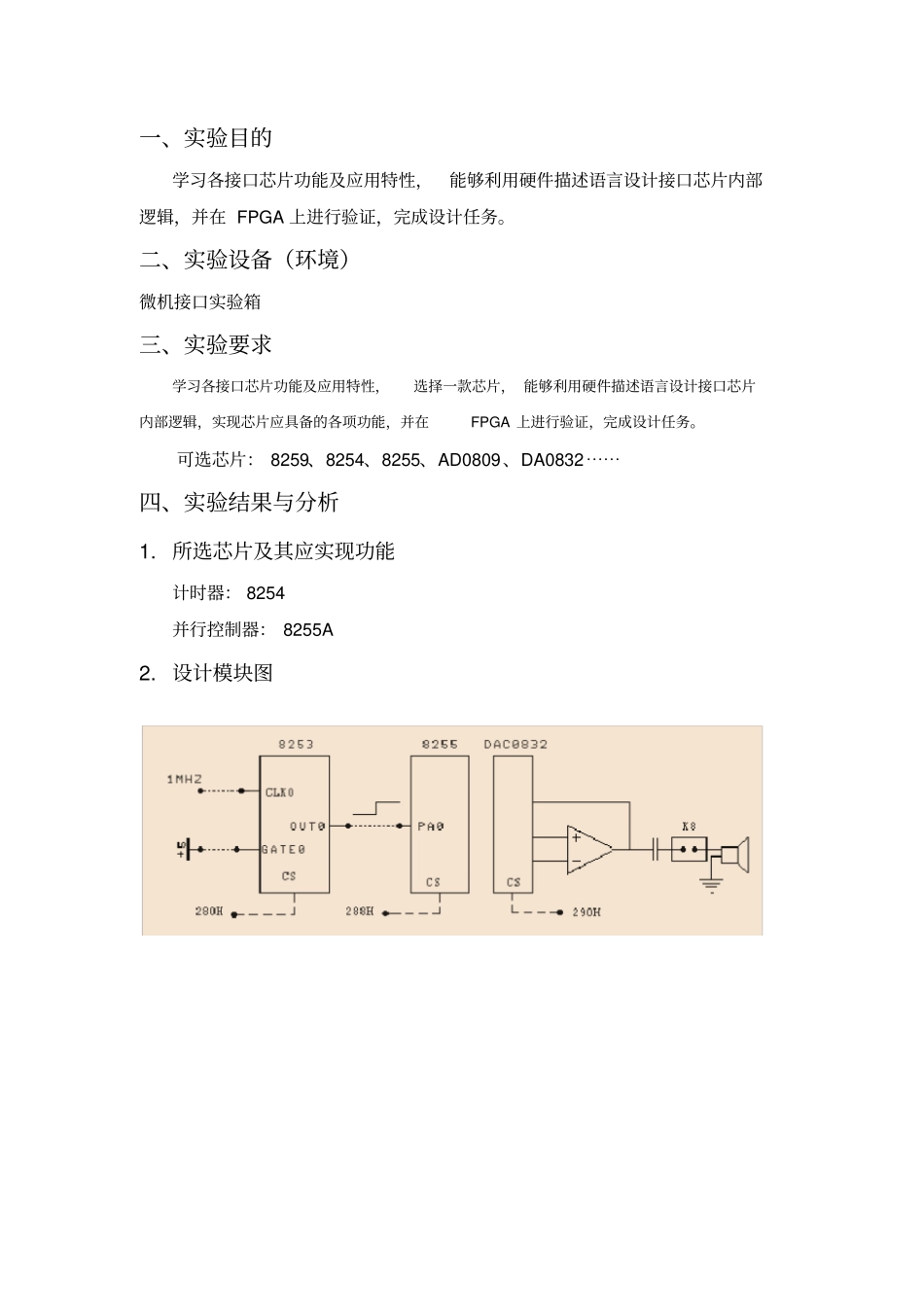
创新设计实验报告实验题目:8086的电子琴设计学生姓名:专业:班级:学号:指导教师:实验成绩:________________________________实验地点:实验时间:一、实验目的学习各接口芯片功能及应用特性,能够利用硬件描述语言设计接口芯片内部逻辑,并在FPGA上进行验证,完成设计任务。二、实验设备(环境)微机接口实验箱三、实验要求学习各接口芯片功能及应用特性,选择一款芯片,能够利用硬件描述语言设计接口芯片内部逻辑,实现芯片应具备的各项功能,并在FPGA上进行验证,完成设计任务。可选芯片:8259、8254、8255、AD0809、DA0832⋯⋯四、实验结果与分析1.所选芯片及其应实现功能计时器:8254并行控制器:8255A2.设计模块图设计思路:简单电子琴主程序结合实验指导书的两程序,将其分为若干个子程序,实现简单的播放和显示音阶的功能。发音子程序本子程序实现放音功能。首先从键盘读出键码,判断为1-8还是esc来决定是否输出音阶Led显示子程序本程序实现从键盘输入一位十进制数字(0~9),在七段数码管上显示出来。源程序整体程序开始,显示提示信息,接着调用发音子程序,实现发音和显示。流程图:(1)主程序流程图(2)发音子程序流程图(3)led显示子程序开始调用发音子程序使用键盘输入是否1到8键NY退出是esc键N调用广告版子程序Led子程序Y3.仿真实现及波形分析(含主要模块源代码)DATASEGMENTIO8255AEQU288HIO8255CEQU28AHIO8255CTLEQU28BHIO8253AEQU280HIO8253BEQU283HTABLEDW524,588,660,698,784,880,988,1048;高音C调key_indb0hDelayTdb0hMSGDB'PRESS1,2,3,4,5,6,7,8,ESC:',0DH,0AH,'$'LEDDB3FH,06H,5BH,4FH,66H,6DH,7DH,07H,7FH,6FHDATAENDSCODESEGMENTASSUMECS:CODE,DS:DATASTART:MOVAX,DATAMOVDS,AXMOVDX,OFFSETMSGMOVAH,9INT21H;显示提示信息SING:MOVAH,7INT21H;从键盘接收字符,不回显CMPAL,1BHJEFINISH;若为ESC键,则转finishCMPAL,'1'JLSINGCMPAL,'8'JGSING;若不在'1'-'8'之间转singmovkey_in,almovDelayT,250JMPDispAgainA:SUBAL,31HSHLAL,1;转为查表偏移量MOVBL,AL;保存偏移到bxMOVBH,0MOVAX,4240H;计数初值=1000000/频率,保存到AXMOVDX,0FHDIVWORDPTR[TABLE+BX]MOVBX,AXMOVDX,IO8253B;设置8254计时器0方式3,先读写低字节,再读写高字节MOVAL,00110110BOUTDX,ALMOVDX,IO8253AMOVAX,BXOUTDX,AL;写计数初值低字节MOVAL,AHOUTDX,AL;写计数初值高字节MOVDX,IO8255CTL;设置8255C口输出MOVAL,10000000BOUTDX,ALMOVDX,IO8255CMOVAL,03HOUTDX,AL;置PC1、PC0=11(开扬声器)CALLDELAY;延时MOVAL,0HOUTDX,AL;置PC1、PC0=00(关扬声器)JMPSINGFINISH:MOVAX,4C00HINT21HDispAgain:calldisply;调显示子程序,显示得到的字符decDelayTjnzDispAgainJMPADISPLYPROCNEARPUSHAXMOVBX,OFFSETLEDMOVAL,byteptrkey_inSUBal,30hCMPal,09hJNGDIS2SUBal,07hDIS2:XLATMOVDX,IO8255AOUTDX,AL;输出显示数据,段码POPAXRETDISPLYENDPDELAYPROCNEAR;延时子程序PUSHCXPUSHAXMOVAX,80X1:MOVCX,0FFFFHX2:DECCXJNZX2DECAXJNZX1POPAXPOPCXRETDELAYENDPCODEENDSENDSTARTCODEENDSENDSTART主程序简单电子琴功能:主程序要求完成的功能有:电子琴简单功能实现,主程序由电子琴实验程序有机组成,两个程序简单拼凑在一齐是不能实现的。经过实际调试和修改,将原电子琴程序改为2个子程序:(实现播放音阶)和(实现播放音阶时延时)。子程序数码管显示音阶功能:将音阶用数码管显示,通过8255a的a口输出到数码管4.FPGA验证结果5.实现效果的局限性分析实验的时候我用的第一个实验箱始终连接不上电脑的USB接口,换了第二个实验箱连接好电路后发现音响不能清晰地出声,经过测试,我发现音频输出口有损坏,只好再换一个实验箱,这次能清晰地出声,并且在数码管能显示音阶,但是在连续按下数字键输出音阶的时候会在输出音阶的时候中间失声,经过测试发现导线没有问题,所以我认为可能是延时子程序设计的不够完美,或者是汇编语言的局限性无法保证连续输出的时候不失真吧。五、学习心得与思考本学期刚开微机接口的课,所以这次试验刚开始时最大的感觉就是难,不管是芯片的使用,芯片之间的联系,在实验设计的应用...

1、当您付费下载文档后,您只拥有了使用权限,并不意味着购买了版权,文档只能用于自身使用,不得用于其他商业用途(如 [转卖]进行直接盈利或[编辑后售卖]进行间接盈利)。
2、本站所有内容均由合作方或网友上传,本站不对文档的完整性、权威性及其观点立场正确性做任何保证或承诺!文档内容仅供研究参考,付费前请自行鉴别。
3、如文档内容存在违规,或者侵犯商业秘密、侵犯著作权等,请点击“违规举报”。

碎片内容

微机接口实验综合设计报告

确认删除?
VIP
微信客服
  • 扫码咨询
会员Q群
  • 会员专属群点击这里加入QQ群
客服邮箱
回到顶部