电脑桌面
添加小米粒文库到电脑桌面
安装后可以在桌面快捷访问

35KV电力线路跨越措施VIP免费

35KV电力线路跨越措施_第1页
1/7
35KV电力线路跨越措施_第2页
2/7
35KV电力线路跨越措施_第3页
3/7
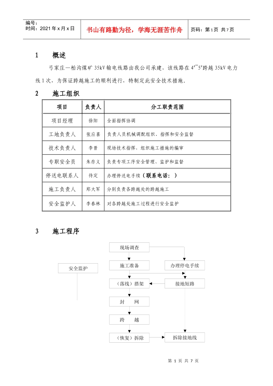
第1页共7页编号:时间:2021年x月x日书山有路勤为径,学海无涯苦作舟页码:第1页共7页1概述弓家庄—柏沟煤矿35kV输电线路由我公司承建,该线路在4#~5#跨越35kV电力线1次,为保证跨越施工的顺利进行,特制定此安全技术措施。2施工组织项目负责人分工职责范围项目经理徐阳全面指挥协调工地负责人张应喜负责人员机械调配组织、指挥和安全监督技术负责人李晋现场技术指挥,组织施工措施的编审专职安全员朱存义负责专项工序安全管理、监护和监督停送电联系人待定办理停送电手续(联系电话:)施工负责人郑大军分别负责各跨越处的跨越施工安全监护人李春林对各跨越处施工过程进行安全监护3施工程序现场调查施工准备(落线)搭架封网跨越(恢复)拆除办理停电手续接地短路拆除接地线安全监护第2页共7页第1页共7页编号:时间:2021年x月x日书山有路勤为径,学海无涯苦作舟页码:第2页共7页4施工方案与施工措施4.1施工方案4#~5#跨越35kV段纯线1处,采取停电后落线并搭设简易跨越架,用绝缘绳封网后进行跨越的施工方法。4.2施工措施4.2.1搭设跨越架跨越架的搭设应在良好的天气进行,所用架杆应坚实干燥。架体中心应在线路中心线上,架宽应超出线路两边线各2米。每1.5米设立一根立杆,立杆埋深不应小于0.7m,杆坑底部要夯实,每1.2米设一根横杆,地面应设扫地杆,最高层的横杆要加强,在搭设横杆过程中,应在电力线外侧设立临时拉线或斜撑以防倾倒,然后用架杆交叉密集封顶。架高要超出电力线1.5m或以上,架面距导线水平距离保证1.5m或以上,在跨架外侧打好拉线,拉线对地夹角应小于60°,架体中部及两端设斜撑,撑杆埋入地下的深度不应小于30cm。每3根立杆设置剪刀撑,并安装外伸羊角。搭设好的跨越架应牢固可靠,可承受顺线路方向2T的拉力。跨越架搭设好后,经安监部门检验合格后才可进行跨越施工。架体上应挂警示牌。木质越线架立杆有效部分的小头直径不得小于7厘米。横杆有效部分的小头直径不得小于8厘米;6~8厘米的可双杆合并使用。毛竹越线架立杆、横杆、剪刀撑和支杆有效部分的小头直径不得小于7.5厘米。4.2.2封顶对于带电线路必须使用经检验合格的φ18绝缘尼龙绳进行封顶。封顶由有经验的登高人员进行操作。登高人员攀上搭设好的架体顶部,系好安全带后,将绝缘绳甩过对侧,对侧登高人员在架体上绑扎牢固后再甩过来,如此搭设成为交叉密集的清理安全监护恢复送电第3页共7页第2页共7页编号:时间:2021年x月x日书山有路勤为径,学海无涯苦作舟页码:第3页共7页绝缘封网。4.2.2落线在接到停电命令票后,由登高人员登上施工处两端杆塔,对所跨越物用合格的、相应电压等级的验电器进行验电,验明无电后,在施工处两端进行三相短路与接地,有可能送电的分支线也必须三相短路与接地。如果落线处是耐张杆塔,必须使用50钢绞线或φ13钢丝绳打设临时拉线,然后用5T起重滑车、绞磨、φ13磨绳等设备拉紧线后,在其挂点处摘开,再缓缓松下(注意不得过牵引)。如在直线杆塔处落线,可使用5T起重滑车、绞磨、φ13磨绳、转向滑车等设备将原线稍稍提高,在其挂点处摘开,再缓缓松下。落线时登高人员应有相应施工经验。施工中注意对被跨线路的导线进行保护。如被跨线路无法长时停电,则可采取在其杆塔中部加装临时横担,将其导线挂于临时横担上的方法。横担应采用80以上角钢或φ100以上松木架杆制作。落线前应观察该被跨线路的跨越情况,必须保证在落线后对跨越物的安全净空距离。4.2.3跨越导引绳过跨越架应用φ20绝缘尼龙绳引渡通过。导地线过跨越架应带张力通过,走板平衡锤与不应跨越架接触。导地线支架应牢固可靠。放通线后,不得将三线导线全部压在跨越架上,应放一相、紧一相、挂一相。5安全注意事项5.1每日进入跨越施工现场工作前向全体施工人员宣读工作票,特别强调带电操作安全注意事项。要求施工人员安全上高度重视,严格遵守安规,谨慎操作。作到组织严密,分工明确,听从指挥。5.2跨越施工前应事先与被跨越设施单位取得联系,邀请有关人员到现场监督检查。5.3施工前对所使用工器具进行外观检查,有缺陷者严禁使用。带电施工工器具安第4页共7页第3页共7页编号:时间:2021年x月x日书山有路...

1、当您付费下载文档后,您只拥有了使用权限,并不意味着购买了版权,文档只能用于自身使用,不得用于其他商业用途(如 [转卖]进行直接盈利或[编辑后售卖]进行间接盈利)。
2、本站所有内容均由合作方或网友上传,本站不对文档的完整性、权威性及其观点立场正确性做任何保证或承诺!文档内容仅供研究参考,付费前请自行鉴别。
3、如文档内容存在违规,或者侵犯商业秘密、侵犯著作权等,请点击“违规举报”。

碎片内容

35KV电力线路跨越措施

确认删除?
VIP
微信客服
  • 扫码咨询
会员Q群
  • 会员专属群点击这里加入QQ群
客服邮箱
回到顶部