电脑桌面
添加小米粒文库到电脑桌面
安装后可以在桌面快捷访问

《塑料成型工艺与模具设计》试题VIP专享VIP免费

《塑料成型工艺与模具设计》试题_第1页
1/7
《塑料成型工艺与模具设计》试题_第2页
2/7
《塑料成型工艺与模具设计》试题_第3页
3/7
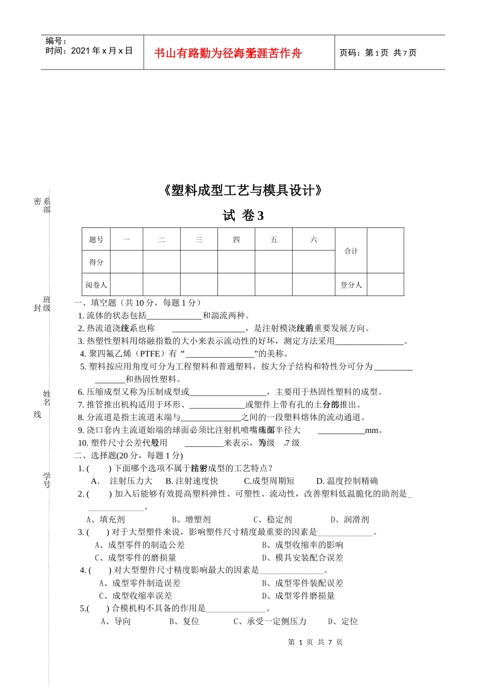
第1页共7页系部班级姓名学号密封线编号:时间:2021年x月x日书山有路勤为径,学海无涯苦作舟页码:第1页共7页《塑料成型工艺与模具设计》试卷3题号一二三四五六合计得分阅卷人登分人一、填空题(共10分,每题1分)1.流体的状态包括_____________和湍流两种。2.热流道浇注系统,也称_________________,是注射模浇注系统的重要发展方向。3.热塑性塑料用熔融指数的大小来表示流动性的好坏,测定方法采用________________。4.聚四氟乙烯(PTFE)有“________________”的美称。5.塑料按应用角度可分为工程塑料和普通塑料,按大分子结构和特性分可分为________________和热固性塑料。6.压缩成型又称为压制成型或__________________,主要用于热固性塑料的成型。7.推管推出机构适用于环形、_____________或塑件上带有孔的土台部分的推出。8.分流道是指主流道末端与______________之间的一段塑料熔体的流动通道。9.浇口套内主流道始端的球面必须比注射机喷嘴头部球面半径大___________mm。10.塑件尺寸公差代号一般用_________来表示,等级为7级。二、选择题(20分,每题1分)1.()下面哪个选项不属于精密注射成型的工艺特点?A.注射压力大B.注射速度快C.成型周期短D.温度控制精确2.()加入后能够有效提高塑料弹性、可塑性、流动性,改善塑料低温脆化的助剂是______________。A、填充剂B、增塑剂C、稳定剂D、润滑剂3.()对于大型塑件来说,影响塑件尺寸精度最重要的因素是_____________。A、成型零件的制造公差B、成型收缩率的影响C、成型零件的磨损量D、模具安装配合误差4.()对大型塑件尺寸精度影响最大的因素是_______________。A、成型零件制造误差B、成型零件装配误差C、成型收缩率误差D、成型零件磨损量5.()合模机构不具备的作用是______________。A、导向B、复位C、承受一定侧压力D、定位第2页共7页第1页共7页编号:时间:2021年x月x日书山有路勤为径,学海无涯苦作舟页码:第2页共7页6.()采用下列那一种浇口类型时模具必须采用三板式结构模具______。A、直接浇口B、侧浇口C、轮辐浇口D、点浇口7.()用螺杆式注塑机加工塑料制品过程中可以有效降低熔融粘度的方法为___________________。A、增加螺杆转速B、降低喷嘴温度C、增加注塑压力D、降低模具温度8.()大型深腔容器,特别是软质塑料成型时,用推件板推出,应设装置。A.先复位B.引气C.排气D.回复9.()塑料的加工温度区间应该为_______________之间。A、脆化温度与玻璃化温度B、玻璃化温度与粘流态温度C、粘流态温度与分解温度D、玻璃化温度与橡胶态温度10.()下列塑料中属于热固性塑料的是_______________。A、聚乙烯B、ABSC、尼龙D、酚醛树脂11.()热固性塑料压缩模用来成型压缩率高的塑料,而用纤维填料的塑料宜用____________模具。A、溢式B、半溢式C、不溢式12.()压机有关工艺参数的校核包括_________________。A、成型总压力、开模力、推出力、合模高度和开模行程B、成型总压力、开模力、推出力、合模高度和压机高度尺寸C、成型总压力、锁模力、合模高度和开模行程D、成型总压力、锁模力、推出力、合模高度和压机高度尺寸13.()溢式压缩加料量_____________,不溢式模加料量_______________。A、准确称量不准确称量B、不准确称量准确称量C、准确称量准确称量D、不准确称量不准确称量14.()随着温度的变化,塑料出现的几种物理状态分别为________________。A、玻璃态B、高弹态D、凝聚态E、粘流态15.()熔体通过点浇口时,有很高的剪切速率,同时由于摩擦作用,提高了熔体的温度。因此,对_________________的塑料来说,是理想的浇口。A、表观粘度对速度变化敏感B、粘度较低C、粘度大D、流动性差16.()大型深腔容器,特别是软质塑料成型时,用推出机构推出时,应设__________装置。A、先复位B、引气C、排气D、吸气17.()注射机XS-ZY-125中的“125”代表__________________。A、最大注射压力B、锁模力C、喷嘴温度D、最大注射量18.()注射模主流道始端的球比注射机喷嘴头部球面半径_____________。A、相等B、大C、小D、随意19.()如何避免斜导柱侧抽芯注射模发生干涉现象?A、避免在侧型芯的投影范围内设置推杆B、若设推杆,推杆的推出距离低于...

1、当您付费下载文档后,您只拥有了使用权限,并不意味着购买了版权,文档只能用于自身使用,不得用于其他商业用途(如 [转卖]进行直接盈利或[编辑后售卖]进行间接盈利)。
2、本站所有内容均由合作方或网友上传,本站不对文档的完整性、权威性及其观点立场正确性做任何保证或承诺!文档内容仅供研究参考,付费前请自行鉴别。
3、如文档内容存在违规,或者侵犯商业秘密、侵犯著作权等,请点击“违规举报”。

碎片内容

《塑料成型工艺与模具设计》试题

确认删除?
VIP
微信客服
  • 扫码咨询
会员Q群
  • 会员专属群点击这里加入QQ群
客服邮箱
回到顶部