电脑桌面
添加小米粒文库到电脑桌面
安装后可以在桌面快捷访问

三河发电厂一期工程中水改造VIP免费

三河发电厂一期工程中水改造_第1页
1/8
三河发电厂一期工程中水改造_第2页
2/8
三河发电厂一期工程中水改造_第3页
3/8
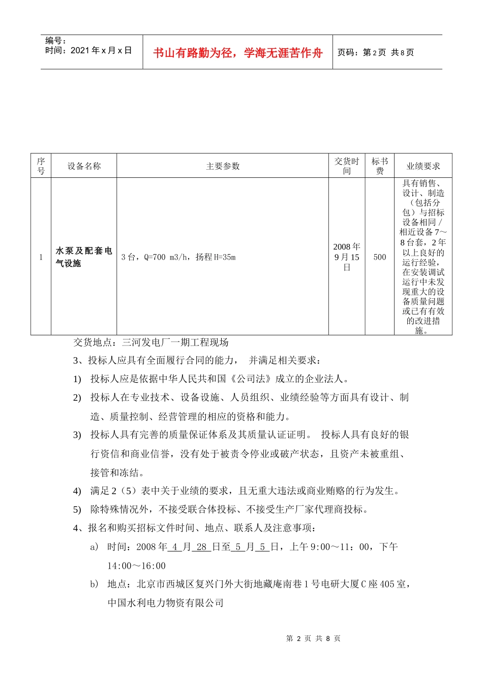
第1页共8页编号:时间:2021年x月x日书山有路勤为径,学海无涯苦作舟页码:第1页共8页三河发电厂一期工程中水改造厂外设备招标公告招标编号:WEME-0805GHSH001中国水利电力物资有限公司受三河发电有限责任公司的委托,就三河发电厂一期工程中水改造设备进行国内公开招标,欢迎有意向且合格的投标人参加投标。1、招标人:三河发电有限责任公司招标代理机构:中国水利电力物资有限公司2、招标内容:(1)工程名称:三河电厂一期循环水补水技改工程(2)建设地点:河北省三河市燕郊经济开发区。天安门向东37.5公里,京哈高速公路以北300米,京秦铁路以北400米。(3)工程概况:三河发电公司一期工程2台350MW机组分别于1999年12月和2000年4月投产,循环水补充水源为深层地下水,现计划将循环水补水水源改为城市二级污水,在厂内建设污水深度处理站。对机组凝汽器、大小机冷油器、发电机密封油冷却器等铜质管材的换热器进行改造为不锈钢管材,对机组开式冷却水和闭式冷却水系统进行增容改造,污水处理站设置两台1250kVA干式变压器及相应的380V开关柜。(4)招标方式:国内公开招标(5)招标范围及相关要求第2页共8页第1页共8页编号:时间:2021年x月x日书山有路勤为径,学海无涯苦作舟页码:第2页共8页序号设备名称主要参数交货时间标书费业绩要求1水泵及配套电气设施3台,Q=700m3/h,扬程H=35m2008年9月15日500具有销售、设计、制造(包括分包)与招标设备相同/相近设备7~8台套,2年以上良好的运行经验,在安装调试运行中未发现重大的设备质量问题或已有有效的改进措施。交货地点:三河发电厂一期工程现场3、投标人应具有全面履行合同的能力,并满足相关要求:1)投标人应是依据中华人民共和国《公司法》成立的企业法人。2)投标人在专业技术、设备设施、人员组织、业绩经验等方面具有设计、制造、质量控制、经营管理的相应的资格和能力。3)投标人具有完善的质量保证体系及其质量认证证明。投标人具有良好的银行资信和商业信誉,没有处于被责令停业或破产状态,且资产未被重组、接管和冻结。4)满足2(5)表中关于业绩的要求,且无重大违法或商业贿赂的行为发生。5)除特殊情况外,不接受联合体投标、不接受生产厂家代理商投标。4、报名和购买招标文件时间、地点、联系人及注意事项:a)时间:2008年4月28日至5月5日,上午9:00~11:00,下午14:00~16:00b)地点:北京市西城区复兴门外大街地藏庵南巷1号电研大厦C座405室,中国水利电力物资有限公司第3页共8页第2页共8页编号:时间:2021年x月x日书山有路勤为径,学海无涯苦作舟页码:第3页共8页c)联系人:王宇飞联系电话:010-51967739传真:010-51967744d)请按附件要求提交资料。5、开标时间:2008年5月22日(暂定)开标地点:另行通知备注:本公告仅在中国采购与招标网(www.chinabidding.com.cn)和中国电力招投标网站(www.chinapowerbid.com)授权发布,其它任何网站不得转载。如有发现,我公司将追究非法转载单位的责任。第4页共8页第3页共8页编号:时间:2021年x月x日书山有路勤为径,学海无涯苦作舟页码:第4页共8页招标公告附件:文件和资料请按下列格式和顺序装订:1.关于资格的声明函;(附件一)2.法定代表人授权书;(附件二)3.《企业基本情况表》;(附件三)4.企业法人营业执照(经年检的工商局复印件);5.产品生产许可证、有关鉴定材料;6.工厂简介(包括生产能力、设备、厂房、人员)7.质量保证体系及其质量认证证明;8.银行资信证明或国家有关部门认可的资信评估机构出具的资信证明(信用等级);9.近三年同类型设备及同等级电厂供货业绩表及用户使用证明(包括正在执行的合同);(附件四)10.目前同类型设备正在执行合同情况(包括完成情况和出现的重要质量问题及改进措施);11.近三年经济行为受到起诉情况(由专业律师事务所或企业常年聘请的法律顾问出具);12.其它文件和资料。第5页共8页第4页共8页编号:时间:2021年x月x日书山有路勤为径,学海无涯苦作舟页码:第5页共8页附件一:关于资格的声明函(格式)关于资格的声明函项目名称:.日期:.致:招标代理机构我公司提供的资料和文件中,所有关于本企业的资格文件...

1、当您付费下载文档后,您只拥有了使用权限,并不意味着购买了版权,文档只能用于自身使用,不得用于其他商业用途(如 [转卖]进行直接盈利或[编辑后售卖]进行间接盈利)。
2、本站所有内容均由合作方或网友上传,本站不对文档的完整性、权威性及其观点立场正确性做任何保证或承诺!文档内容仅供研究参考,付费前请自行鉴别。
3、如文档内容存在违规,或者侵犯商业秘密、侵犯著作权等,请点击“违规举报”。

碎片内容

三河发电厂一期工程中水改造

确认删除?
VIP
微信客服
  • 扫码咨询
会员Q群
  • 会员专属群点击这里加入QQ群
客服邮箱
回到顶部