电脑桌面
添加小米粒文库到电脑桌面
安装后可以在桌面快捷访问

LSH系列电子水表由流量变送器(又称一次表)和流量显示器(二VIP免费

LSH系列电子水表由流量变送器(又称一次表)和流量显示器(二_第1页
1/13
LSH系列电子水表由流量变送器(又称一次表)和流量显示器(二_第2页
2/13
LSH系列电子水表由流量变送器(又称一次表)和流量显示器(二_第3页
3/13
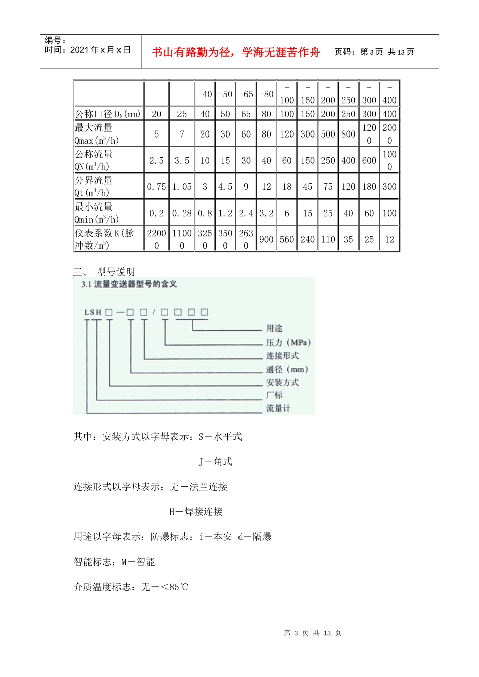
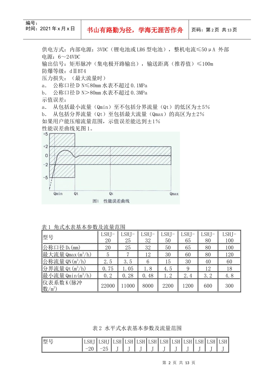
第1页共13页编号:时间:2021年x月x日书山有路勤为径,学海无涯苦作舟页码:第1页共13页LSH系列电子水表属于速度式流量仪表,由流量变送器和流量显示器两部分组成。是用于油田高压注水、低压给排水、油田掺水和其它工业用水计量的机电一体化仪表。◆可拆卸式结构表芯能从表壳上端的盖座处整体取出,这一独特的结构形式给水表的检修、互换和周检工作带来很大方便。◆结构简单、性能稳定、互换性好表芯内装有误差调整装置和叶轮测量机构,检修时只需对表芯进行,维修费用低。◆电路设计先进、功能齐全流量显示器采用先进的单片机等微电子技术和高性能集成电路,使仪表的功能齐全,性能优越,通用性强。仪表的变送与显示为一体,便于现场使用。◆微功耗、长寿命、安全可靠电池供电,连续工作达两年以上。隔爆型或本安型防爆结构,使用安全可靠。◆带有远传输出接口。二、主要技术指标执行标准:Q/WSH02-1999《干式磁传水表》JJG585-89《高压水表》被测介质:水或含油污水公称通径:见表1、表2测量范围:见表1、表2公称压力:1~45Mpa介质温度:0~80℃环境温度:常温型:0~+50℃低温型:-25~+55℃(低温型在订货时说明)环境温度:5~85%RH第2页共13页第1页共13页编号:时间:2021年x月x日书山有路勤为径,学海无涯苦作舟页码:第2页共13页供电方式:内部电源:3VDC(锂电池或LR6型电池),整机电流≤50μA外部电源:6~24VDC输出信号:矩形脉冲(集电极开路输出),输送距离(推荐值)≤100m防爆等级:dⅡBT4压力损失:(最大流量时)a.公称口径DN≤80mm水表不超过0.1MPab.公称口径DN>80mm水表不超过0.3MPa示值误差:a.从包括最小流量(Qmin)至不包括分界流量(Qt)的低区为±5%b.从包括分界流量(Qt)至包括最大流量(Qmax)的高区为±2%如果用户能压缩流量范围,示值误差能达到±1%性能误差曲线见图1。表2水平式水表基本参数及流量范围型号LSHJ-20LSHJ-25LSHJLSHJLSHJLSHJLSHJLSHJLSHJLSHJLSHJLSHJ表1角式水表基本参数及流量范围型号LSHJ-20LSHJ-25LSHJ-32LSHJ-50LSHJ-65LSHJ-80LSHJ-100公称口径DN(mm)202532506580100最大流量Qmax(m3/h)5712306080120公称流量QN(m3/h)2.53.5615304060分界流量Qt(m3/h)0.751.051.84.591218最小流量Qmin(m3/h)0.20.280.481.22.43.24.8仪表系数K(脉冲数/m3)2200011000800022001200600300第3页共13页第2页共13页编号:时间:2021年x月x日书山有路勤为径,学海无涯苦作舟页码:第3页共13页-40-50-65-80-100-150-200-250-300-400公称口径DN(mm)202540506580100150200250300400最大流量Qmax(m3/h)572030608012030050080012002000公称流量QN(m3/h)2.53.510153040601502504006001000分界流量Qt(m3/h)0.751.0534.5912184575120180300最小流量Qmin(m3/h)0.20.280.81.22.43.2615254060100仪表系数K(脉冲数/m3)2200011000325035002630900560240110352512三、型号说明其中:安装方式以字母表示:S-水平式J-角式连接形式以字母表示:无-法兰连接H-焊接连接用途以字母表示:防爆标志:i-本安d-隔爆智能标志:M-智能介质温度标志:无-<85℃第4页共13页第3页共13页编号:时间:2021年x月x日书山有路勤为径,学海无涯苦作舟页码:第4页共13页T->85℃3.3选型举例3.3.1流量变送器选型举例LSHJ-50/25dM表示公称通径为50mm、法兰连接、公称压力为25Mpa、隔爆、智能型角式电子水表。3.3.2流量显示器选型举例LSH-D-50/2200表示用于公称通径为50mm、仪表系数为K=2200脉冲数/m3、智能型电子水表的流量显示器。注:设计顺序号为"C"的流量显示器是CMOS电路非智能型(普通型)的;设计顺序号为"D"的流量显示器是单片机控制智能型的。四、工作原理4.1原理简介本水表为速度类流量仪表,它利用叶轮旋转时角速度与流速成正比关系的原理。水流从水表进口端进入,经整流后冲向叶片,使叶轮旋转。在整流环上装有校正装置一调节板,相同口径的变送器经调节后其单位体积的脉冲数相同。从而提高了仪表的互换性。叶轮的转动通过叶轮轴上端环形磁钢,把磁力传递给隔板上侧的磁传感器,磁传感器感应出的频率信号经放大、滤波、整形、脉宽处理等电路后方波信号输...

1、当您付费下载文档后,您只拥有了使用权限,并不意味着购买了版权,文档只能用于自身使用,不得用于其他商业用途(如 [转卖]进行直接盈利或[编辑后售卖]进行间接盈利)。
2、本站所有内容均由合作方或网友上传,本站不对文档的完整性、权威性及其观点立场正确性做任何保证或承诺!文档内容仅供研究参考,付费前请自行鉴别。
3、如文档内容存在违规,或者侵犯商业秘密、侵犯著作权等,请点击“违规举报”。

碎片内容

LSH系列电子水表由流量变送器(又称一次表)和流量显示器(二

确认删除?
VIP
微信客服
  • 扫码咨询
会员Q群
  • 会员专属群点击这里加入QQ群
客服邮箱
回到顶部