电脑桌面
添加小米粒文库到电脑桌面
安装后可以在桌面快捷访问

低压电缆头制作安装交底记录VIP专享VIP免费

低压电缆头制作安装交底记录_第1页
1/7
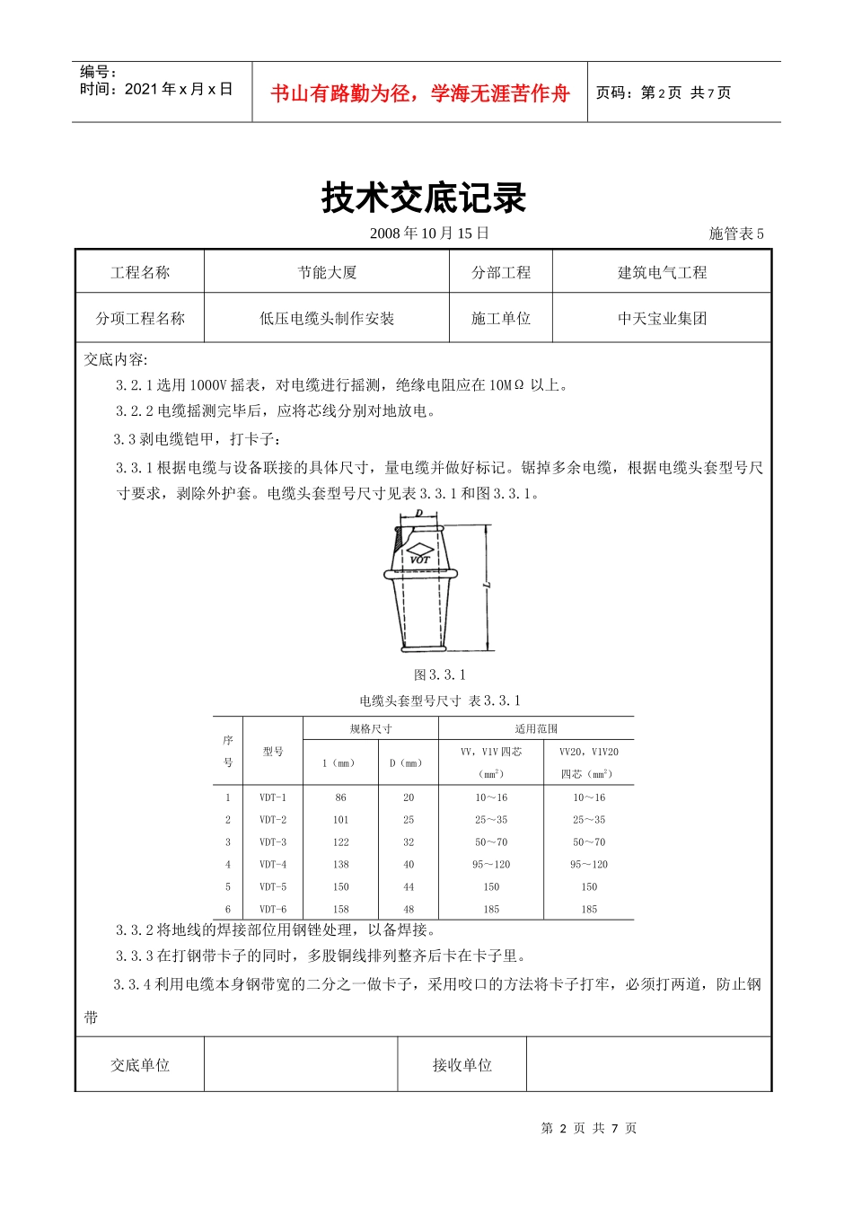
低压电缆头制作安装交底记录_第2页
2/7
低压电缆头制作安装交底记录_第3页
3/7
第1页共7页编号:时间:2021年x月x日书山有路勤为径,学海无涯苦作舟页码:第1页共7页技术交底记录2008年10月15日施管表5工程名称节能大厦分部工程建筑电气工程分项工程名称低压电缆头制作安装施工单位中天宝业集团交底内容:1、依据标准:《建筑工程施工质量验收统一标准》GB50300-2001《建筑电气工程施工质量验收规范》GB50303-20022、施工准备2.1材料要求:2.1.1电缆终端头套、塑料带、接线鼻子、镀锌螺丝、凡士林油、电缆卡子、电缆标牌、多股铜线等材料必须符合设计要求,并具备产品出厂合格证。2.1.2塑料带应分黄、绿、红、黑四色,各种螺丝等镀锌件应镀锌良好。2.1.3地线采用裸铜软线或多股铜线,截面120号电缆以下16mm2150号以上25mm2表面应清洁,无断股现象。2.2主要机具:2.2.1制作和安装机具:压线钳、钢锯、扳手、钢锉。2.2.2测试器具:钢卷尺、摇表、万用表、试铃。2.3施工条件:2.3.1电气设备安装完毕,室内空气干燥。2.3.2电缆敷设并整理完毕,核对无误。2.3.3电缆支架及电缆终端头固定支架安装齐全。2.3.4现场具有足够照度的照明和较宽敞的操作场地。3、操作工艺3.1工艺流程:摇测电缆绝缘→剥电缆铠甲,打卡子→焊接地线→包缠电缆、套电缆终端头套→压电缆芯线接线鼻子、与设备连接3.2摇测电缆绝缘:交底单位接收单位交底人接收人第2页共7页第1页共7页编号:时间:2021年x月x日书山有路勤为径,学海无涯苦作舟页码:第2页共7页技术交底记录2008年10月15日施管表5工程名称节能大厦分部工程建筑电气工程分项工程名称低压电缆头制作安装施工单位中天宝业集团交底内容:3.2.1选用1000V摇表,对电缆进行摇测,绝缘电阻应在10MΩ以上。3.2.2电缆摇测完毕后,应将芯线分别对地放电。3.3剥电缆铠甲,打卡子:3.3.1根据电缆与设备联接的具体尺寸,量电缆并做好标记。锯掉多余电缆,根据电缆头套型号尺寸要求,剥除外护套。电缆头套型号尺寸见表3.3.1和图3.3.1。图3.3.1电缆头套型号尺寸表3.3.1序号型号规格尺寸适用范围1(mm)D(mm)VV,V1V四芯(mm2)VV20,V1V20四芯(mm2)123456VDT-1VDT-2VDT-3VDT-4VDT-5VDT-68610112213815015820253240444810~1625~3550~7095~12015018510~1625~3550~7095~1201501853.3.2将地线的焊接部位用钢锉处理,以备焊接。3.3.3在打钢带卡子的同时,多股铜线排列整齐后卡在卡子里。3.3.4利用电缆本身钢带宽的二分之一做卡子,采用咬口的方法将卡子打牢,必须打两道,防止钢带交底单位接收单位第3页共7页第2页共7页编号:时间:2021年x月x日书山有路勤为径,学海无涯苦作舟页码:第3页共7页交底人接收人技术交底记录2008年10月15日施管表5工程名称节能大厦分部工程建筑电气工程分项工程名称低压电缆头制作安装施工单位中天宝业集团交底内容:松开,两道卡子的间距为15mm,见图3.3.4。图3.3.43.3.5剥电缆铠甲,用钢锯在第一道卡子向上台阶3~5mm处,锯一环形深痕,深度为钢带厚度的2/3,不得锯透。3.3.6用螺丝刀在锯痕尖角处将钢带挑起,用钳子将钢带撕掉,随后将钢带锯口处用钢锉修理钢带毛刺,使其光滑。3.4焊接地线:地线采用焊锡焊接于电缆钢带上,焊接应牢固,不应有虚焊现象,应注意不要将电缆烫伤。必须焊在两层钢带上。3.5包缠电缆,套电缆终端头套:3.5.1剥去电缆统包绝缘层,将电缆头套下部先套入电缆。3.5.2根据电缆头的型号尺寸,按照电缆头套长度和内径,用塑料带采用半叠法包缠电缆。塑料带包缠应紧密,形状呈枣核状(图3.5.2)。图3.5.2第4页共7页第3页共7页编号:时间:2021年x月x日书山有路勤为径,学海无涯苦作舟页码:第4页共7页交底单位接收单位交底人接收人技术交底记录2008年10月15日施管表5工程名称节能大厦分部工程建筑电气工程分项工程名称低压电缆头制作安装施工单位中天宝业集团交底内容:图3.5.33.5.3将电缆头套上部套上,与下部对接、套严(图3.5.3)。3.6压电缆芯线接线鼻子:3.6.1从芯线端头量出长度为线鼻子的深度,另加5mm,剥去电缆芯线绝缘,并在芯线上涂上凡士林。3.6.2将芯线插入接线鼻子内,用压线钳子压紧接线鼻子,压接应在两道以上。3.6.3根据不同的相位,使用黄、绿、红、黑四色塑料带分别包缠电...

1、当您付费下载文档后,您只拥有了使用权限,并不意味着购买了版权,文档只能用于自身使用,不得用于其他商业用途(如 [转卖]进行直接盈利或[编辑后售卖]进行间接盈利)。
2、本站所有内容均由合作方或网友上传,本站不对文档的完整性、权威性及其观点立场正确性做任何保证或承诺!文档内容仅供研究参考,付费前请自行鉴别。
3、如文档内容存在违规,或者侵犯商业秘密、侵犯著作权等,请点击“违规举报”。

碎片内容

低压电缆头制作安装交底记录

确认删除?
VIP
微信客服
  • 扫码咨询
会员Q群
  • 会员专属群点击这里加入QQ群
客服邮箱
回到顶部