电脑桌面
添加小米粒文库到电脑桌面
安装后可以在桌面快捷访问

冲压模具讲座VIP免费

冲压模具讲座_第1页
1/40
冲压模具讲座_第2页
2/40
冲压模具讲座_第3页
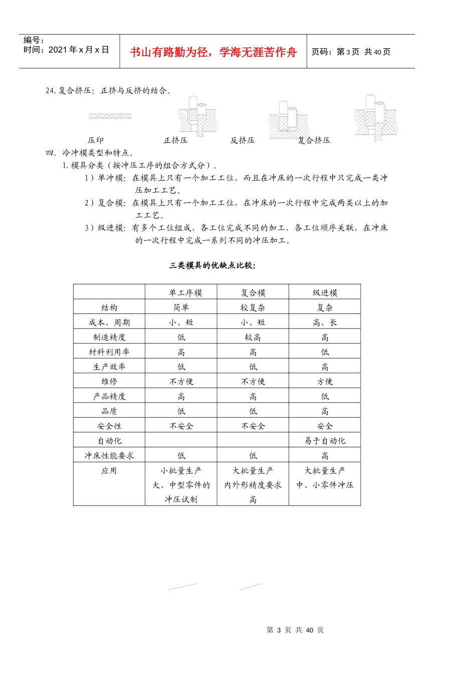
3/40
第1页共40页冲压加工系统人冲压工艺安全自动化安装润滑生产管理质量管理价格管理运输废料处理噪音对策后序工艺压力机模具材料辅助装置工具软件硬件编号:时间:2021年x月x日书山有路勤为径,学海无涯苦作舟页码:第1页共40页冲压模具讲座第一章概论一.冲压加工的重要性及优点。1.重要性:冲压工艺应用范围十分广泛,在国民经济的各个部门中,几乎都有冲压加工产品。如汽车,飞机,拖拉机,电器,电机,仪表,铁道,邮电,化工以及轻工日用产品中均占有相当大的比重。2.优点:1)生产率高。2)精度高,质量稳定。3)材料利用率高。4)操作简便,特别适宜于大批量生产和自动化。二.冲压加工的概念。1.概念:即利用压力机及其外部设备,通过模具对板材施加压力,从而获一定形状和尺寸零件的加工方法。冲压加工的三要素:冲床,模具,材料。冲压是生产中应用广泛的一类加工方法,主要用于金属薄板料零件的加工。在产品零件的整个生产系统中,冲压只是一个子系统,所涉及的也仅是产品制造过程的一部分。随着市场对产品成本和周期等要求的提高,从系统的整体优化中确定相关的各要素已成为技术和管理发展的重要方向。影响冲压加工的因素:三.冲压工序的分类。冲压工艺按其变形性质可以分为材料的分离与成形两大类,每一类中又包括许多不同的工序。冲压的基本工序:1.冲裁:包括落料和冲孔两个工序。1)落料:模具沿封闭线冲切板料,冲下的部分为工件,其余部分为废料,设计时尺寸以模仁为准,间隙取在冲子上;2)冲孔:模具沿封闭线冲切板料,冲下的部分是废料,设计时尺寸以冲子为准,间隙取在模仁上。2.剪切:用模具切断板材,切段线不封闭.3.切口:在坯料上将板材部分切开,切口部分发生弯曲.4.切边:将拉深或成形后的半成品边缘部分的多余材料切掉。5.剖切:将半成品切开成两个或几个工件,常用于成双冲压。第2页共40页第1页共40页编号:时间:2021年x月x日书山有路勤为径,学海无涯苦作舟页码:第2页共40页切口切边剖切6.弯曲:用模具使材料弯曲成一定形状(V型/U型/Z型弯曲)。7.卷圆:将板料端部卷圆。8.扭曲:将平板的一部分相对于一部分扭转一个角度。弯曲卷圆扭曲9.拉深:将板料压制成空心工件,壁厚基本不变。10.变薄拉深:用减小直径与壁厚,增加工件高度的方法来改变空心件的尺寸,得到要求的底厚,壁薄的工件。11.孔的翻边:将板料或工件上有孔的边缘翻成竖立边缘。拉深变薄拉深孔的翻边12.外缘翻边:将工件的外缘翻起圆弧或曲线状的竖立边缘。13.缩口:将空心件的口部缩小。14.扩口:将空心件的口部扩大,常用于管子。外缘翻边缩口扩口15.起伏:在板料或工件上压出筋条,花纹或文字,在起伏处的整个厚度上都有变薄。16.卷边:将空心件的边缘卷成一定的形状。17.胀形:将空心件(或管料)的一部分沿径向扩张,呈凸肚形。起伏卷边胀形18.旋压:利用赶棒或滚轮将板料毛坯赶压成一定形状(分变薄与不变薄两种)。19.整形:把形状不太准确的工件校正成形。20.校平:将毛坯或工件不平的面或弯曲予以压平。旋压整形校平21.压印:改变工件厚度,在表面上压出文字或花纹。22.正挤压:凹模腔内的金属毛坯在凸模压力的作用下,处于塑性变形状态,使其由凹模孔挤出,金属流动的方向与凸模运动方向相同。23.反挤压:金属挤压过程中,沿凸模与凹模的间隙塑流,其流动方向与凸模运动方向相反。第3页共40页第2页共40页编号:时间:2021年x月x日书山有路勤为径,学海无涯苦作舟页码:第3页共40页24.复合挤压:正挤与反挤的结合。压印正挤压反挤压复合挤压四.冷冲模类型和特点。1.模具分类(按冲压工序的组合方式分)。1)单冲模:在模具上只有一个加工工位,而且在冲床的一次行程中只完成一类冲压加工工艺。2)复合模:在模具上只有一个加工工位,在冲床的一次行程中完成两类以上的加工工艺。3)级进模:有多个工位组成,各工位完成不同的加工,各工位顺序关联,在冲床的一次行程中完成一系列不同的冲压加工。三类模具的优缺点比较:单工序模复合模级进模结构简单较复杂复杂成本、周期小、短小、短高、长制造精度低较高高材料利用率高高低生产效率低低高维修不方便不方便方便产品精度高高低品质低...

1、当您付费下载文档后,您只拥有了使用权限,并不意味着购买了版权,文档只能用于自身使用,不得用于其他商业用途(如 [转卖]进行直接盈利或[编辑后售卖]进行间接盈利)。
2、本站所有内容均由合作方或网友上传,本站不对文档的完整性、权威性及其观点立场正确性做任何保证或承诺!文档内容仅供研究参考,付费前请自行鉴别。
3、如文档内容存在违规,或者侵犯商业秘密、侵犯著作权等,请点击“违规举报”。

碎片内容

冲压模具讲座

您可能关注的文档

确认删除?
VIP
微信客服
  • 扫码咨询
会员Q群
  • 会员专属群点击这里加入QQ群
客服邮箱
回到顶部