电脑桌面
添加小米粒文库到电脑桌面
安装后可以在桌面快捷访问

坝体浆砌石工程施工方案VIP免费

坝体浆砌石工程施工方案_第1页
1/9
坝体浆砌石工程施工方案_第2页
2/9
坝体浆砌石工程施工方案_第3页
3/9
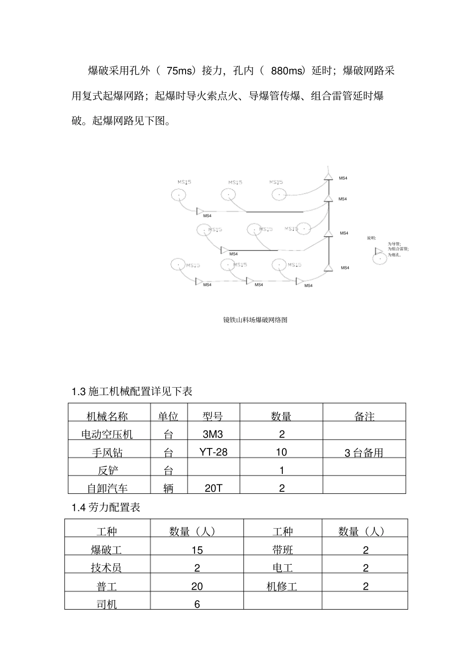
大坝浆砌石施工方案坝体浆砌石是拦河大坝工程的主要分部工程,共分为五个坝段,即中间三个溢流坝段和左、右岸两个挡水坝段。其中左岸挡水坝段砌石最低点高程▽2916.50m,右岸挡水坝段砌石最低点高程▽2912.50m。左、右岸挡水坝段砌石顶部高程为▽2947.80m,最大砌筑高度为31.3m,上游面边坡i=0,下游面坡比为1∶0.75。溢流坝段砌石底部高程▽2912.50m,顶高程2937.00m,最大砌筑高度为24.5m,上游面坡比1∶0.6,下游面为台阶形(1.6m×2.0m)。浆砌石强度为C10。坝体砌石总工程量为28967m3,计划2004年11月15日全部完工。一、石料开采根据现场情况,块石料场布置在大坝下游右岸约1km处,主要开采坝体砌石所需块石。块石料场山势陡峭,覆盖层较薄,其地层为长城系朱龙关群下岩组、加里东晚期侵入岩体及第四系堆积体,岩性为砂质板岩和石英砂岩,料场现有储量约为10万m3。1.1施工方案为满足坝料开采要求,将料场分为上、下2个作业区进行循环开采。开采出的块石料就近堆放,反铲配合自卸车外运。1.2施工方法人工将覆盖层剥离至可用层后,用手风钻进行梯段爆破开挖,爆破块石,经人工挑捡、堆放,反铲装车,自卸汽车外运。对生产过程中剥离的无用层及开采无用料由反铲装车拉至指定弃碴场。1.2.1临时设施1.2.1.1料场照明及用电为了保证生产安全正常运行,每个作业面安设两台1000W典钨灯。1.2.1.2施工用风在料场设2台3m3电动空压机做为料场供风系统。1.2.2施工工艺覆盖层剥离爆破开采人工挑捡石料及块石制备石料堆存备用1.2.2.1覆盖层剥离人工用洋镐、铁锨或手风钻对覆盖层进行剥离,至可用层。剥离土石方由反铲装车,自卸汽车外运至弃碴场。1.2.2.2石料开采石料开采采用YT-28手风钻造孔,人工装药,梯段爆破的方法施工。爆破后厚度15-30cm、长度20-40cm的块石直接外运,大石经解小或人工修凿后外运。1.2.2.3爆破参数及起爆方式爆破参数详见下表。在实际生产时,根据料场岩石裂隙发育及现场爆破露斗试验情况对其参数进行相应调整。石料开采爆破参数表孔距a(m)排距b(m)孔径(mm)孔深(m)封堵长度(m)单耗q(kg/m3)单孔装药量(kg)0.70.7422.10.70.4~0.451.05爆破采用孔外(75ms)接力,孔内(880ms)延时;爆破网路采用复式起爆网路;起爆时导火索点火、导爆管传爆、组合雷管延时爆破。起爆网路见下图。1.3施工机械配置详见下表机械名称单位型号数量备注电动空压机台3M32手风钻台YT-28103台备用反铲台1自卸汽车辆20T21.4劳力配置表工种数量(人)工种数量(人)爆破工15带班2技术员2电工2普工20机修工2司机6镜铁山料场爆破网络图MS4MS4MS4MS4MS4MS4MS4说明:为导管;为组合雷管;为炮孔.MS4MS41.5工期安排表工作项目单位工程量工期月强度备注备石m311000~2004.6.152000备石m3160002004.6.17~2004.10.264000备石m320002004.10.27~2004.11.152000合计m329000成品二、浆砌石施工2.1施工方案坝基砼浇筑完成后,开始坝体浆砌石施工。坝体砌石分三部分进行。第一部分为▽2923高程以下的浆砌石,该部分砌筑用的石料及胶结材料自讨赖河右岸临时道路运输,临时道路随砌筑高度逐渐升高;第二部分为▽2923~▽2937高程的浆砌石,该部分砌筑用的石料由自卸汽车自料场运至坝后,利用坝面有轨斗车(三套系统)运至工作面,砌筑场内运输以农用车运输为主,塔吊辅助运输;第三部分为▽2937高程以上的浆砌石,该部分的石料运输,右坝段从上坝公路通过交通洞运入工作面,左坝段利用塔吊运输,胶结材料以塔吊运输为主。大坝五个坝段同时砌筑,采用分层分块逐层上升的方法施工。每一坝段采用分层砌筑,每层砌筑高度30~50cm。在每一坝段基面用隔墙(座浆法砌筑)砌成若干块,中间先座浆,再用毛石铺填,最后用砂浆灌缝,钢筋棍捣实、水冲以保证灌浆密实。砌筑第二层时,隔墙的位置应与第一层错开,水平面上应尽量使石块外露一小部分,以保证上下两层结合紧密。施工时同一坝段要均匀上升,分块砌筑,下层块强度未达到2.5Mpa,决不进行上层块砌筑;下层块强度未达到7.5Mpa,决不再其上运输石料。砌筑时在1#溢流坝段按实际要求预留导流底孔以备渡汛。迎水面按设计坡比砌筑为斜坡,但斜面需做成毛面以利面层砼的结合。背水面...

1、当您付费下载文档后,您只拥有了使用权限,并不意味着购买了版权,文档只能用于自身使用,不得用于其他商业用途(如 [转卖]进行直接盈利或[编辑后售卖]进行间接盈利)。
2、本站所有内容均由合作方或网友上传,本站不对文档的完整性、权威性及其观点立场正确性做任何保证或承诺!文档内容仅供研究参考,付费前请自行鉴别。
3、如文档内容存在违规,或者侵犯商业秘密、侵犯著作权等,请点击“违规举报”。

碎片内容

坝体浆砌石工程施工方案

确认删除?
VIP
微信客服
  • 扫码咨询
会员Q群
  • 会员专属群点击这里加入QQ群
客服邮箱
回到顶部