电脑桌面
添加小米粒文库到电脑桌面
安装后可以在桌面快捷访问

DGJ08-903-XXXX表式(施工单位档案资料整理表式标准)VIP免费

DGJ08-903-XXXX表式(施工单位档案资料整理表式标准)_第1页
1/58
DGJ08-903-XXXX表式(施工单位档案资料整理表式标准)_第2页
2/58
DGJ08-903-XXXX表式(施工单位档案资料整理表式标准)_第3页
3/58
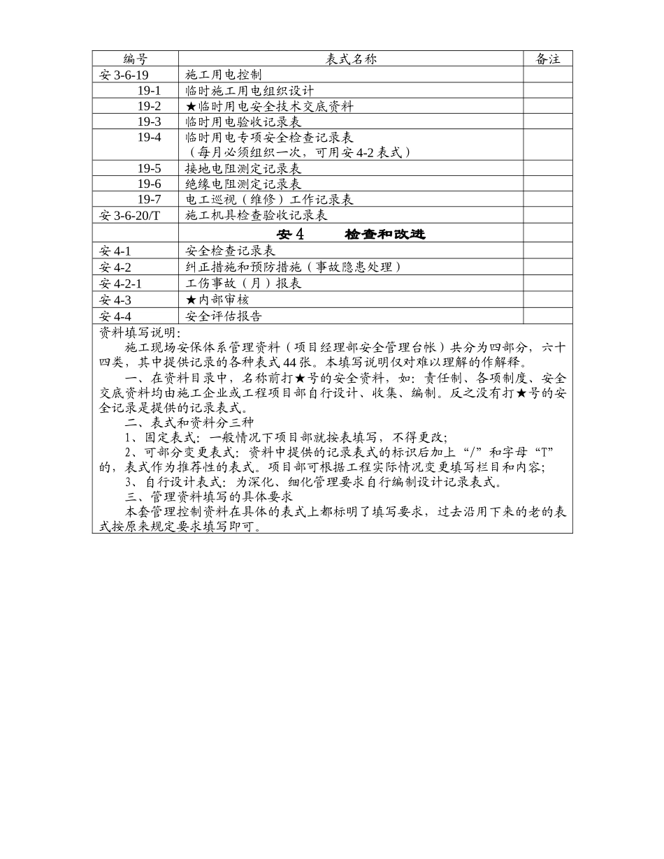
施工现场安全生产保证体系管理资料(项目经理部安全管理台帐)编号表式名称备注安1文件安1-1★企业和项目部安全生产岗位责任制安1-2★施工现场安全生产保证计划安1-3★施工组织设计安1-4★专项施工组织设计(方案)安1-5★事故的应急救援预案安1-6★企业和项目部安全管理制度安1-7★工种安全技术操作规程及安全作业指导书安2策划安2-1/T重大/一般危险源及控制措施清单安2-1-1/T重大危险源控制目标和管理方案安2-2/T重大/一般环境因素控制措施清单安2-2-1/T重大环境因素控制目标、指标和管理方案安2-3★法规文件清单安2-4★安全记录清单安3实施〈安3-1〉组织机构与职责权限安3-1-1★经济承包责任制和管理目标安3-1-2工程项目部管理人员名册〈安3-2〉安全教育培训安3-2-1职工劳动保护教育卡汇总表安3-2-2新工人三级安全教育卡安3-2-3各类安全教育记录表安3-2-4班前安全活动及周讲评记录表安3-2-5特种作业人员名册安3-2-6安全监护、中小型机械作业人员名册附进入施工现场安全教育基本要求〈安3-3〉文件控制安3-3-1/T文件收发记录表〈安3-4〉安全物资采购和进场验证安3-4-1/T合格供应商名录安3-4-2★安全物资采购、租赁计划或协议书安3-4-3安全物资验收汇总表安3-4-4★活动房控制〈安3-5〉文件控制安3-5-1/T工程项目分包方名录安3-5-2★总包对分包方编制的专项施工组织设计(方案)、安全技术措施审批记录表编号表式名称备注安3-5-3提供给分包的安全物资、工具、设施设备移交验收记录表安3-5-4★对分包方的分部(分项)安全技术交底记录表安3-5-5★对分包方的安全交底记录安3-5-6/T对分包方的安全监督、检查记录安3-5-7/T分包方安全业绩评定表〈安3-6〉施工过程控制安3-6-1★分部工程安全技术交底记录安3-6-2★分项工程安全技术交底记录安3-6-3模板拆除(安全)令安3-6-4设施拆除申请表安3-6-5危险作业的监控记录表安3-6-6★防火控制(动火许可证)6-1★防火管理制度6-2★防火管理责任制6-3★防火重点部位和消防器材平面布置图6-4★消防器材明细表6-5★义务消防员名单6-6动火许可证安3-6-7落地式脚手架验收记录表安3-6-8挂脚手架验收记录表安3-6-9悬挑式脚手架验收记录表安3-6-10吊篮脚手架验收记录表安3-6-11门型脚手架验收记录表安3-6-12附着式升降脚手架(升、降)验收记录表安3-6-13安全防护搭设验收记录表安3-6-14模板支撑系统验收记录表安3-6-15井架与龙门架的验收记录表安3-6-16大型机械控制16-1★大型机械(装拆)施工方案16-2★大型机械(装拆)的安全交底16-3★基础验收资料16-4★隐蔽工程验收单16-5上回转塔式起重机安装(加节)验收记录表16-5(续)下回转塔式起重机安装验收记录表16-5(续)施工升降机安装(加节)验收记录表16-6机械检测中心的检测报告16-7机械检测中心的检测合格证书16-8★大型机械的出厂合格证书使用说明书等原始资料16-9★大型机械运行及例保记录安3-6-17落地操作平台验收记录表安3-6-18悬挂式钢平台验收记录表编号表式名称备注安3-6-19施工用电控制19-1临时施工用电组织设计19-2★临时用电安全技术交底资料19-3临时用电验收记录表19-4临时用电专项安全检查记录表(每月必须组织一次,可用安4-2表式)19-5接地电阻测定记录表19-6绝缘电阻测定记录表19-7电工巡视(维修)工作记录表安3-6-20/T施工机具检查验收记录表安4检查和改进安4-1安全检查记录表安4-2纠正措施和预防措施(事故隐患处理)安4-2-1工伤事故(月)报表安4-3★内部审核安4-4安全评估报告资料填写说明:施工现场安保体系管理资料(项目经理部安全管理台帐)共分为四部分,六十四类,其中提供记录的各种表式44张。本填写说明仅对难以理解的作解释。一、在资料目录中,名称前打★号的安全资料,如:责任制、各项制度、安全交底资料均由施工企业或工程项目部自行设计、收集、编制。反之没有打★号的安全记录是提供的记录表式。二、表式和资料分三种1、固定表式:一般情况下项目部就按表填写,不得更改;2、可部分变更表式:资料中提供的记录表式的标识后加上“/”和字母“T”的,表式作为推荐性的表式。项目部可根据工程实际情况变更填写栏目和内容;3、自行设计表式:为深化、细化管理要...

1、当您付费下载文档后,您只拥有了使用权限,并不意味着购买了版权,文档只能用于自身使用,不得用于其他商业用途(如 [转卖]进行直接盈利或[编辑后售卖]进行间接盈利)。
2、本站所有内容均由合作方或网友上传,本站不对文档的完整性、权威性及其观点立场正确性做任何保证或承诺!文档内容仅供研究参考,付费前请自行鉴别。
3、如文档内容存在违规,或者侵犯商业秘密、侵犯著作权等,请点击“违规举报”。

碎片内容

DGJ08-903-XXXX表式(施工单位档案资料整理表式标准)

确认删除?
VIP
微信客服
  • 扫码咨询
会员Q群
  • 会员专属群点击这里加入QQ群
客服邮箱
回到顶部