电脑桌面
添加小米粒文库到电脑桌面
安装后可以在桌面快捷访问

丹阳市某路桥建设工程施工组织设计方案(DOC28页)VIP免费

丹阳市某路桥建设工程施工组织设计方案(DOC28页)_第1页
1/29
丹阳市某路桥建设工程施工组织设计方案(DOC28页)_第2页
2/29
丹阳市某路桥建设工程施工组织设计方案(DOC28页)_第3页
3/29
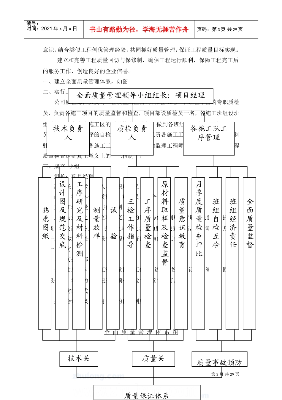
第1页共29页编号:时间:2021年x月x日书山有路勤为径,学海无涯苦作舟页码:第1页共29页第一节工程概况一、工程简介丹阳市路某桥建设工程位于丹阳云阳开发区路上,属于丹阳市政府重点工程桥梁中心桩号,该桥跨越某,呈东西走向,与某交角为°;全桥平面处于直线段,纵断面处于道路凸形竖曲线上;二、桥梁结构形式:桥面总宽40m,行车道宽22m,两侧为2m侧分隔带4m非机动车道3m人行道;桥孔布置为13m,上部结构采用预应力混凝土空心板,先简支后桥面连续,桥台处各设置一道钢伸缩缝,桥墩采用柱式灌注桩基础,桥台采用肋板式承台。三、工期要求:计划工期年月日至年月日,共日历天。四、质量要求:优质工程第二节施工工期保证措施根据工程的施工特点和工程内容,结合考虑气候环境等因数之后,制定的施工工期目标是日历天。为保证工程如期完成,采取如下措施:、项目经理为工程施工进度控制的第一责任人。公司总经理和工程科定期到工地检查工程施工进度落实情况。、及时根据合同规定编制工程施工总进度计划和季度、月度施工计划,报请监理人审批。、严格按照监理人批准的施工进度计划进行施工。当工程施工实际进度拖后时,及时分析进度拖后的原因,采取有效措施赶上施工进度。在保证工程按期完工的前提下修订施工进度计划和相应的赶工措施报告报送监理人审批。、在接到开工通知后将及时调遣人员和调配施工机械设备、材料进入工地,在监理人规定的时间开始施工。、质检员必须着重对工程项目施工的事前和事中控制,以减少工序施工的返工,确保工序验收的一次通过率。、充分考虑现场气候条件以及为工程合理施工和保证安全而引起的暂停施工第2页共29页编号:时间:2021年x月x日书山有路勤为径,学海无涯苦作舟页码:第2页共29页对施工进度的影响。、在由于一些不可估计因素造成工程暂停施工时,会同监理人和发包人协商制定有效措施积极减小停工的影响,及早创造复工条件。、周密编制施工组织方案,对工程各个项目分清主次,协调好各相关项目的施工配合工作,统筹安排各段工程施工,调度好各施工班组配合作业,抓住控制工程工期的关键节点,确保工程进度计划如期完成。、在与发包人签定施工合同后,及时做好施工现场的各项准备工作。包括施工生活用房、场地租用以及施工用电等准备工作的落实。、严格遵守地方政府的有关条例,积极配合当地政府、公安机关做好暂住户口登记等各项与工程相关的工作。处理好与当地政府、公安机关以及当地群众的关系。、配备的施工机械设备施工能力要有一定的余量。做好施工机械设备的保养和维护工作,确保施工机械设备的完好率。从施工机械设备上保障工程施工顺利有序进行。、采购材料应与厂家签定供货协议,并经常联系,及时反馈材料使用计划。施工材料的采购与储备要有一定提前量和余量,预防外界条件的变化对施工的影响。、做好后勤工作,为施工人员创造良好的生活条件。、做好财务工作,专款专用,在资金上保障工程施工能顺利进行。第三节工程质量及保障体系为确保工程质量,我们将牢固树立“百年大计,质量第一”的观念,自始至终高度重视工程质量,把工程质量管理放在头等重要位置。为此,我们专门成立质量管理机构,建立切实有效的质量保证体系,推行质量标准化管理,以项目经理为第一责任人,专职质检人员负责质量检查和质量监督,严格按有关施工技术规范、验收规范规定,实行质量三检制和质量目标责任制,制定防雨抗高温等预防措施,成立工地试验室和质量管理小组,人员落实,责任到人,建立质量目标奖罚措施,加强质量管理宣传教育,并强化施工人员及现场其他工作人员的质量第3页共29页编号:时间:2021年x月x日书山有路勤为径,学海无涯苦作舟页码:第3页共29页意识,结合类似工程创优管理经验,共同抓好质量管理,保证工程质量目标实现。建立和完善工程质量回访与保修制,确保工程运行顺利,保障工程完工后的服务工作,创造良好的企业信誉。一、建立全面质量管理体系,如图二、实行三检制公司质检部门负责对工程质量的监督,并派驻工地一名经验丰富的专职质检员,负责各施工项目的质量监督和检查,项目部设质检员一名,各施工班组设班组质量员,负...

1、当您付费下载文档后,您只拥有了使用权限,并不意味着购买了版权,文档只能用于自身使用,不得用于其他商业用途(如 [转卖]进行直接盈利或[编辑后售卖]进行间接盈利)。
2、本站所有内容均由合作方或网友上传,本站不对文档的完整性、权威性及其观点立场正确性做任何保证或承诺!文档内容仅供研究参考,付费前请自行鉴别。
3、如文档内容存在违规,或者侵犯商业秘密、侵犯著作权等,请点击“违规举报”。

碎片内容

丹阳市某路桥建设工程施工组织设计方案(DOC28页)

您可能关注的文档

确认删除?
VIP
微信客服
  • 扫码咨询
会员Q群
  • 会员专属群点击这里加入QQ群
客服邮箱
回到顶部