电脑桌面
添加小米粒文库到电脑桌面
安装后可以在桌面快捷访问

110KV变电站综合自动化系统结构设计毕业论文VIP免费

110KV变电站综合自动化系统结构设计毕业论文_第1页
1/52
110KV变电站综合自动化系统结构设计毕业论文_第2页
2/52
110KV变电站综合自动化系统结构设计毕业论文_第3页
3/52
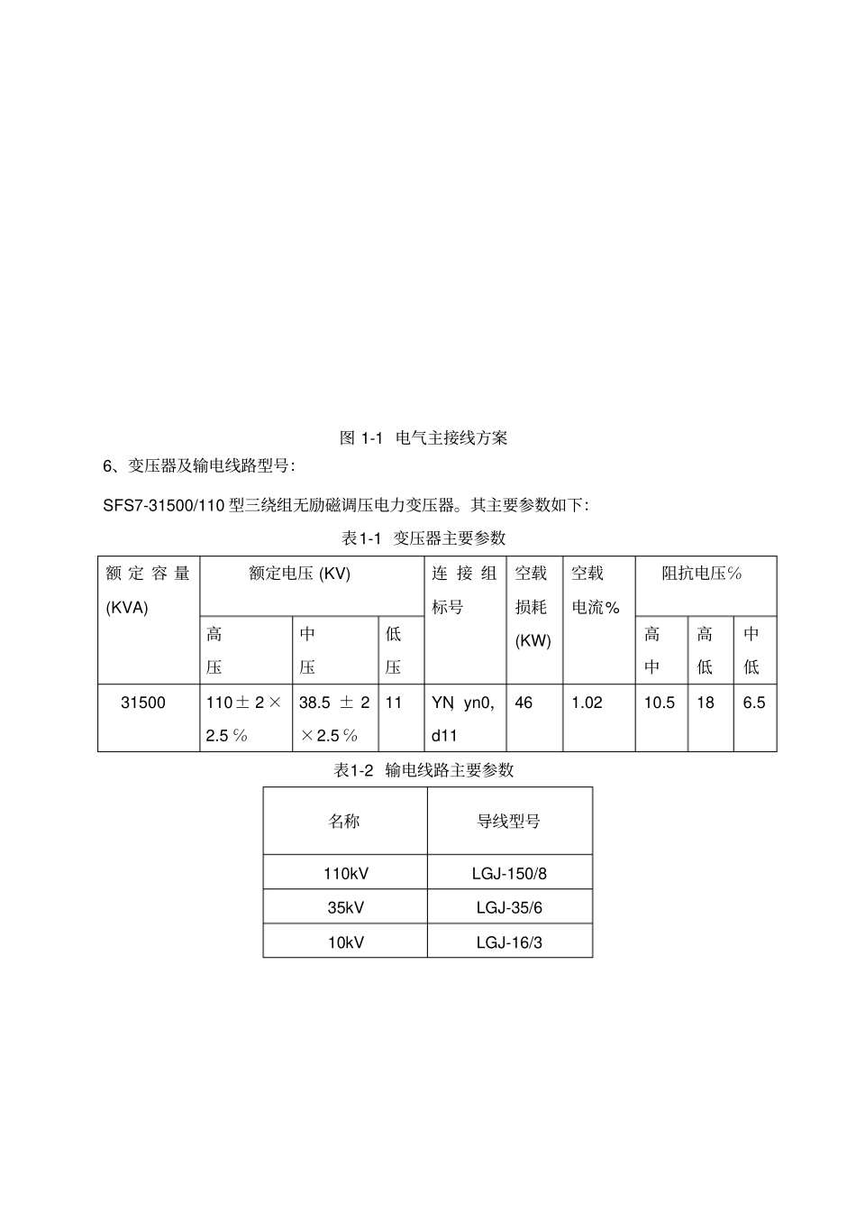
110KV变电站综合自动化系统结构设计毕业论文第一章原始资料1.设计有关原始资料1、变电所的类型:地方降压变电站;2、电压等级:110/35/10KV;3、负荷情况:10KV电压等级:14km架空出线6回,每回平均输送容量1.5MW,8km电缆出线4回,每回平均输送容量1MW,10KV最大负荷18MW,最小负荷12MW,cos=0.9,Tmax=6000h,为Ⅰ类负荷。35KV电压等级:20km架空出线4回,每回平均输送容量8MW。35KV最大负荷35MW,最小负荷30MW,cos=0.9,Tmax=5500h,为Ⅰ类、Ⅱ类负荷。110KV电压等级:130km架空进线2回4、系统情况:1)系统经双回路给变电站供电2)系统110KV母线短路容量为2500MVA5、电气主接线电气主接线方案如图1-1所示:图1-1电气主接线方案6、变压器及输电线路型号:SFS7-31500/110型三绕组无励磁调压电力变压器。其主要参数如下:表1-1变压器主要参数额定容量(KVA)额定电压(KV)连接组标号空载损耗(KW)空载电流%阻抗电压℅高压中压低压高中高低中低31500110±2×2.5℅38.5±2×2.5℅11YN,yn0,d11461.0210.5186.5表1-2输电线路主要参数名称导线型号110kVLGJ-150/835kVLGJ-35/610kVLGJ-16/3第二章110KV变电站综合自动化设计的构想与功能设计2.1变电站综合自动化基本概念常规变电站的二次系统主要由继电器、就地控制、远动控制、录波装置所组成。在实际应用中,按继电保护、远动、就地监控、测量、录波等功能组织,构成保护屏、控制屏、录波屏、中央信号屏等。每一个一次设备,例如一台变压器、一组电容器等,它们的电流互感器二次侧,分别引到这些屏上;断路器的跳、合闸操作回路,连到保护屏、控制屏、远动屏、及其他运动设备之间有许多连线。加之各设备安装在不同地点,使得变电站内电缆错综复杂。常规站还存在着如下缺点。如表2-1所示。表2-1常规站存在的缺点序号缺点1安全性、可靠性不高2电能质量变电站内电缆错综复杂3占地面积大4实时计算和控制性不高5维护工作量大变电站综合自动化是将变电站的二次设备(如表2-2)经过功能的组合和优化设计,利用先进的计算机技术、现代电子技术、通信技术和信号处理技术,实现对全变电站的主要设备和输、配电线路的自动监视、测量、自动控制和微机保护,以及与调度通信等综合性的自动化功能。变电站综合自动化系统是利用多台微型计算机和大规模集成电路组成的自动化系统,代替常规的测量和监视仪表,代替常规控制屏、中央信号系统和远动屏,用微机保护代替常规的继电保护屏,改变常规的继电保护装置不能与外界通信的缺陷。因此,变电站综合自动化是自动化技术、计算机技术和通信技术等高科技在变电站领域的综合应用。变电站综合自动化系统可以采集到比较齐全的数据和信息,利用计算机的高速计算能力和逻辑判断功能,可方便地监视和控制变电站内各种设备的运行和操作。变电站综合自动化系统具有功能综合化、结构微机化、操作监视屏幕化、运行管理智能化等特征。表2-2变电站的二次设备序号设备1测量仪表2信号系统3继电保护4自动装置和远动装置等2.2变电站自动化系统的设计意义和内容计算机技术的发展,推动了电力系统计算机自动化技术的发展,变电站综合自动化技术也日趋完善。它为调度中心提供了厂站端的运行情况,通过控制操作和闭锁,可以实现变电站当地和远方的监视和控制;为远方的遥调,遥测,遥控,遥信和反事故措施提供了可靠的技术保障;无人职守的变电站提高了供电的可靠性又实现了减员增效。通过对变电站综合自动化系统的设计,对于电力系统的运行可靠,保护和控制以及对变电站的设计更加的合理,布局更加紧凑都有很重要的意义。变电站综合自动化系统是一种以计算机为主,将变电站的一,二次设备经过功能组合形成的标准化,模块化,网络化的计算机监控系统。变电站的综合自动化,是将变电站的二次设备经过功能的重新组合和优化设计,利用先进的计算机技术,自动化技术和通信技术,实现对全变电站的主要设备和输配电线路的自动监视,测量,控制和微机保护,以及调度通信等综合性的自动化功能。变电站综合自动化系统代替了常规的测量和监视仪表,代替了常规控制屏,中央信号系统和远动屏,用微机保护代替了常规的继电保护屏,解决了常规的继电...

1、当您付费下载文档后,您只拥有了使用权限,并不意味着购买了版权,文档只能用于自身使用,不得用于其他商业用途(如 [转卖]进行直接盈利或[编辑后售卖]进行间接盈利)。
2、本站所有内容均由合作方或网友上传,本站不对文档的完整性、权威性及其观点立场正确性做任何保证或承诺!文档内容仅供研究参考,付费前请自行鉴别。
3、如文档内容存在违规,或者侵犯商业秘密、侵犯著作权等,请点击“违规举报”。

碎片内容

110KV变电站综合自动化系统结构设计毕业论文

确认删除?
VIP
微信客服
  • 扫码咨询
会员Q群
  • 会员专属群点击这里加入QQ群
客服邮箱
回到顶部