电脑桌面
添加小米粒文库到电脑桌面
安装后可以在桌面快捷访问

数字电子技术基础习题与及答案VIP免费

数字电子技术基础习题与及答案_第1页
1/54
数字电子技术基础习题与及答案_第2页
2/54
数字电子技术基础习题与及答案_第3页
3/54
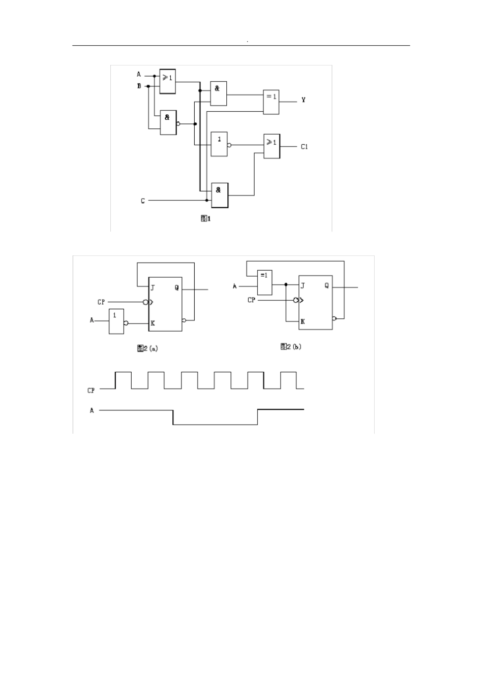
.一.数字电子技术基础习题与及答案1、填空(16)1.十进制数123的二进制数是1111011;十六进制数是7B。2.100001100001是8421BCD码,其十进制为861。3.逻辑代数的三种基本运算是与,或和非。4.三态门的工作状态是0,1,高阻。5.描述触发器逻辑功能的方法有真值表,逻辑图,逻辑表达式,卡诺图,波形图。6.施密特触发器的主要应用是波形的整形。7.设4位D/A转换器的满度输出电压位30伏,则输入数字量为1010时的输出模拟电压为。8.实现A/D转换的主要方法有,,。三.化简逻辑函数(14)1.用公式法化简ADDCEBDBAY,化为最简与或表达式。解;DBAY2.用卡诺图化简mdDCBAY),,,,()+,,,,(84210107653),,,(,化为最简与或表达式。四.电路如图1所示,要求写出输出函数表达式,并说出其逻辑功能。(15)解;CBAY,CBAABC)(1,全加器,Y为和,1C为进位。五.触发器电路如图2(a),(b)所示,⑴写出触发器的次态方程;⑵对应给定波形画出Q端波形(设初态Q=0)(15)解;(1)AQQQn1,(2)、AQn1六.试用触发器和门电路设计一个同步的五进制计数器。(15)七.用集成电路定时器555所构成的自激多谐振荡器电路如图3所示,试画出VO,VC的工作波形,并求出振荡频率。(15)..数字电子技术试卷(2)二.填空(16)1.十进制数35.85的二进制数是;十六进制数是。2.逻辑代数中逻辑变量得取值为0、1。3.组合逻辑电路的输出状态只与当前输入有关而与电路原状态无关。4.三态门的输出有0、1、高阻,三种状态,当多个三态门的输出端连在一根总线上使用时,应注意只能有1个三态门被选通。。5.触发器的基本性质有有两个稳态,在触发信号作用下状态可相互转变,有记忆功能6.单稳态触发器的主要应用是延时。7.设6位D/A转换器的满度输出电压位6.3伏,则输入数字量为110111,输出模拟电压为。8.一个8K字节的EPROM芯片,它的地址输入端的个数是13。三.化简逻辑函数(14)1.用公式法化简CBBDABCDBCABDDABCY,化为最简与或表达式。2.用卡诺图化简mdDCBAY)()+(15,10,5,014,11,8,7,3,2),,,(,化为最简与或表达式。.四.设计一个8421码的检码电路。要求当输入大于等于3、小于等于7时电路输出为1,否则电路输出为0。要求列出真值表,写出逻辑函数式,画出逻辑图。(15)五.触发器电路如图1(a),(b)所示,⑴写出触发器的次态方程;⑵对应给定波形画出Q端波形(设初态Q=0)。(15)六.分析图2电路实现何种逻辑功能,其中X是控制端,对X=0和X=1分别分析,设初态为1,112QQ。(要求写出电路方程,列出状态转换表或图,说明其逻辑功能,并说明电路能否自启动)(15)七.试用8选1数据选择器和74LS161芯片设计序列信号发生器。芯片引脚图如图3所示,序列信号为11001101(左位为先)。(15).数字电子技术试卷(3)三.填空(16)1.十进制数86的二进制数是;8421BCD码是。2.在Y=AB+CD的真值表中,Y=1的状态有个。3.4位二进制数码可以编成个代码,用这些代码表示0~9十进制输的十个数码,必须去掉代码。4.描述触发器逻辑功能的方法有。5.若Q=1,J=0,K=1,则1nQ。。.6.设ROM地址为70~AA,输出为30~YY,则ROM的容量为。7.一个8位二进制D/A转换器的分辨率为0.025,则输入数字量为11010011时,输出模拟电压为。8.和是衡量A/D、D/A转换器性能优劣的主要指标。三.化简逻辑函数(14)1.用公式法化简CBBCBCABCDAAY____,化为最简与或表达式。2.用卡诺图化简mdDCBAY)()+(11,10,9,3,2,113,8,6,4,0),,,(,化为最简与或表达式。四.由双4选1数据选择器组成的电路如图1所示,①写出21,YY的表达式。②列出21,YY的真值表。(15)五.某室由3台计算机工作站,请用红、黄、绿3种指示灯设计一个监视电路,要求:3台计算机正常工作时,绿灯亮;只一台出故障时黄灯亮;有两台出故障时,红灯亮;若3台计算机同时出故障时,则黄灯和红灯都亮。试用门电路设计。要求:列出真值表,写出逻辑函数式,画出逻辑电路图。(15)六.触发器电路及输入波形如图2所示,要求:写出电路方程,画出21,QQ与Y的对应波形。(设21,QQ的初态为11)(15)七.试用中规模集成十六进制计数器74LS161芯片设计一个十三进...

1、当您付费下载文档后,您只拥有了使用权限,并不意味着购买了版权,文档只能用于自身使用,不得用于其他商业用途(如 [转卖]进行直接盈利或[编辑后售卖]进行间接盈利)。
2、本站所有内容均由合作方或网友上传,本站不对文档的完整性、权威性及其观点立场正确性做任何保证或承诺!文档内容仅供研究参考,付费前请自行鉴别。
3、如文档内容存在违规,或者侵犯商业秘密、侵犯著作权等,请点击“违规举报”。

碎片内容

数字电子技术基础习题与及答案

您可能关注的文档

确认删除?
VIP
微信客服
  • 扫码咨询
会员Q群
  • 会员专属群点击这里加入QQ群
客服邮箱
回到顶部