电脑桌面
添加小米粒文库到电脑桌面
安装后可以在桌面快捷访问

全国矿山分布情况VIP免费

全国矿山分布情况_第1页
1/7
全国矿山分布情况_第2页
2/7
全国矿山分布情况_第3页
3/7
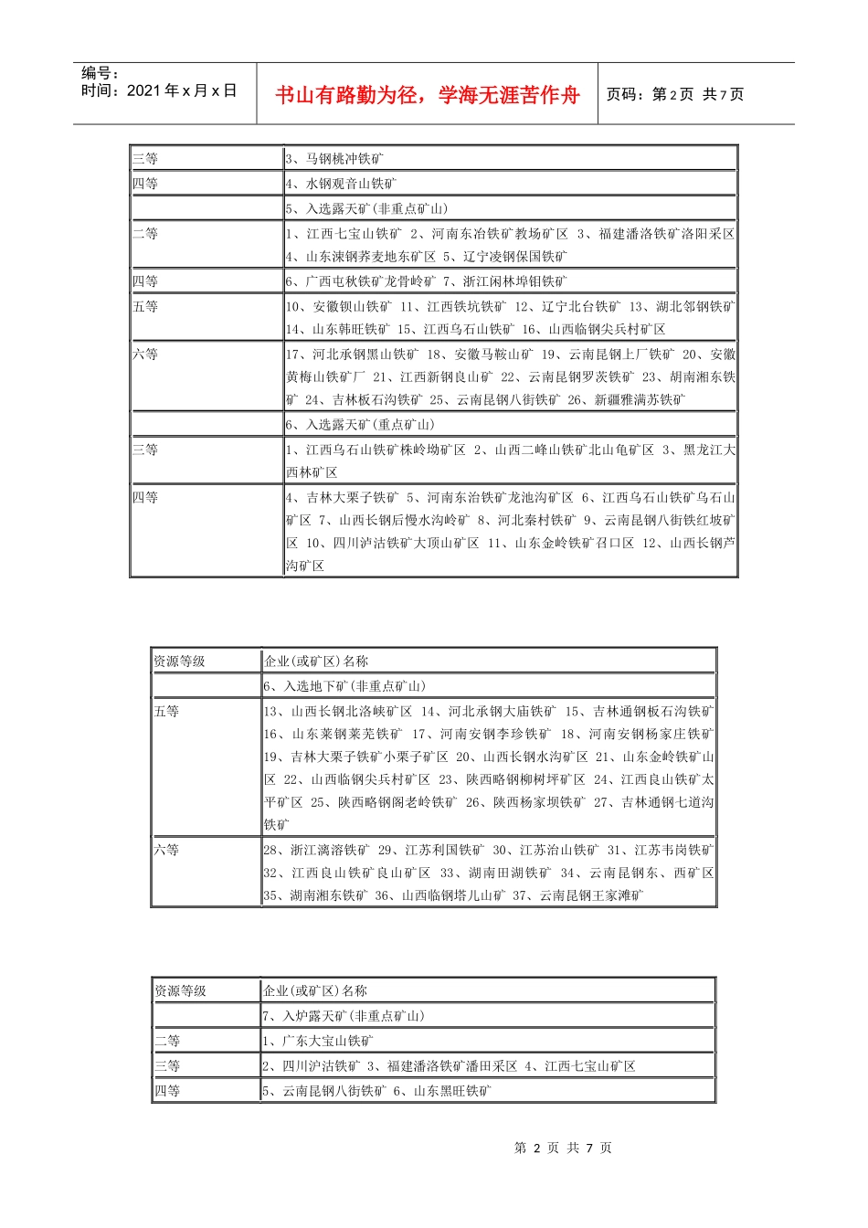
第1页共7页编号:时间:2021年x月x日书山有路勤为径,学海无涯苦作舟页码:第1页共7页一、铁矿石资源等级表资源等级企业(或矿区)名称1、入选露天矿(重点矿山)一等1、本钢南芬露天矿2、首胡水厂铁矿3、鞍钢弓长岭露天矿二等4、大钢峨口铁矿5、鞍钢齐大山铁矿6、邯邢矿山村铁矿7、包钢公益明铁矿三等8、马钢南山铁矿凹山采场9、首钢大石河铁矿裴庄采区10、鞍钢眼前山铁矿11、马钢南山铁矿东山采场12、首钢大石河铁矿柳河峪采区13、首钢大石河铁矿羊崖山采区14、首钢大石河铁矿大石河采区15、唐钢棒磨山铁矿四等16、唐钢石人沟铁矿17、重钢太和铁矿18、首钢大石河铁矿二马采区19、武钢灵乡铁矿20、包钢黑脑包铁矿21、鞍钢大孤山铁矿22、首钢大石河铁矿杏山采区23、鞍钢东鞍山铁矿资源等级企业名称五等24、唐钢扁沟铁矿25、武钢大治铁矿26、首钢密云铁矿27、攀矿兰尖铁矿28、马钢姑山铁矿29、本钢歪头山铁矿30、包钢白云铁矿主矿区31、宣钢近北庄铁矿六等32、攀矿朱家包包铁矿33、包钢白云铁矿东矿区34、海南铁矿北一矿区35、海南铁矿南矿区2、入炉地下矿(重点矿山)二等1、上海梅山铁矿2、酒钢镜铁山矿3、邯邢玉泉岭铁矿三等4、鞍钢弓长岭井下矿5、邯邢马家脑铁矿6、邯邢符山铁矿7、马钢桃冲铁矿8、武钢程潮铁矿四等9、邯邢玉石洼铁矿10、武钢大冶铁矿资源等级企业(或矿区)名称五等11、邯邢西石门铁矿12、武钢金山店铁矿13、水钢观音山铁矿14、鲁中小官庄铁矿六等15、宣钢庞家保铁矿3、入炉露天矿(重点矿山)一等二等三等四等1、海南铁矿北一矿区2、海南铁矿枫树下矿区3、水钢观音山铁矿4、海南铁矿南矿区4、入炉地下矿(重点矿山)二等1、鞍钢弓长岭井下矿2、鲁中小官庄矿第2页共7页第1页共7页编号:时间:2021年x月x日书山有路勤为径,学海无涯苦作舟页码:第2页共7页三等3、马钢桃冲铁矿四等4、水钢观音山铁矿5、入选露天矿(非重点矿山)二等1、江西七宝山铁矿2、河南东冶铁矿教场矿区3、福建潘洛铁矿洛阳采区4、山东涑钢荞麦地东矿区5、辽宁凌钢保国铁矿四等6、广西屯秋铁矿龙骨岭矿7、浙江闲林埠钼铁矿五等10、安徽钡山铁矿11、江西铁坑铁矿12、辽宁北台铁矿13、湖北邻钢铁矿14、山东韩旺铁矿15、江西乌石山铁矿16、山西临钢尖兵村矿区六等17、河北承钢黑山铁矿18、安徽马鞍山矿19、云南昆钢上厂铁矿20、安徽黄梅山铁矿厂21、江西新钢良山矿22、云南昆钢罗茨铁矿23、胡南湘东铁矿24、吉林板石沟铁矿25、云南昆钢八街铁矿26、新疆雅满苏铁矿6、入选露天矿(重点矿山)三等1、江西乌石山铁矿株岭坳矿区2、山西二峰山铁矿北山龟矿区3、黑龙江大西林矿区四等4、吉林大栗子铁矿5、河南东治铁矿龙池沟矿区6、江西乌石山铁矿乌石山矿区7、山西长钢后慢水沟岭矿8、河北秦村铁矿9、云南昆钢八街铁红坡矿区10、四川泸沽铁矿大顶山矿区11、山东金岭铁矿召口区12、山西长钢芦沟矿区资源等级企业(或矿区)名称6、入选地下矿(非重点矿山)五等13、山西长钢北洛峡矿区14、河北承钢大庙铁矿15、吉林通钢板石沟铁矿16、山东莱钢莱芜铁矿17、河南安钢李珍铁矿18、河南安钢杨家庄铁矿19、吉林大栗子铁矿小栗子矿区20、山西长钢水沟矿区21、山东金岭铁矿山区22、山西临钢尖兵村矿区23、陕西略钢柳树坪矿区24、江西良山铁矿太平矿区25、陕西略钢阁老岭铁矿26、陕西杨家坝铁矿27、吉林通钢七道沟铁矿六等28、浙江漓溶铁矿29、江苏利国铁矿30、江苏治山铁矿31、江苏韦岗铁矿32、江西良山铁矿良山矿区33、湖南田湖铁矿34、云南昆钢东、西矿区35、湖南湘东铁矿36、山西临钢塔儿山矿37、云南昆钢王家滩矿资源等级企业(或矿区)名称7、入炉露天矿(非重点矿山)二等1、广东大宝山铁矿三等2、四川沪沽铁矿3、福建潘洛铁矿潘田采区4、江西七宝山矿区四等5、云南昆钢八街铁矿6、山东黑旺铁矿第3页共7页第2页共7页编号:时间:2021年x月x日书山有路勤为径,学海无涯苦作舟页码:第3页共7页8、入炉地下矿(非重点矿山)三等1、四川沪沽铁矿2、云南昆钢东、西区3、吉林通钢大栗子铁矿4、云南八街铁矿红坡工区四等5、江西萍钢上珠岭铁矿二、铜矿石资源等级表资源等级企业(或矿区)名称一等1、浙江建德铜矿2、内蒙古古霍各气铜矿...

1、当您付费下载文档后,您只拥有了使用权限,并不意味着购买了版权,文档只能用于自身使用,不得用于其他商业用途(如 [转卖]进行直接盈利或[编辑后售卖]进行间接盈利)。
2、本站所有内容均由合作方或网友上传,本站不对文档的完整性、权威性及其观点立场正确性做任何保证或承诺!文档内容仅供研究参考,付费前请自行鉴别。
3、如文档内容存在违规,或者侵犯商业秘密、侵犯著作权等,请点击“违规举报”。

碎片内容

全国矿山分布情况

您可能关注的文档

精品中小学资料+ 关注
实名认证
内容提供者

精品文档

确认删除?
VIP
微信客服
  • 扫码咨询
会员Q群
  • 会员专属群点击这里加入QQ群
客服邮箱
回到顶部