电脑桌面
添加小米粒文库到电脑桌面
安装后可以在桌面快捷访问

(完整word版)OTN技术及华为OTN设备简介VIP免费

(完整word版)OTN技术及华为OTN设备简介_第1页
1/9
(完整word版)OTN技术及华为OTN设备简介_第2页
2/9
(完整word版)OTN技术及华为OTN设备简介_第3页
3/9
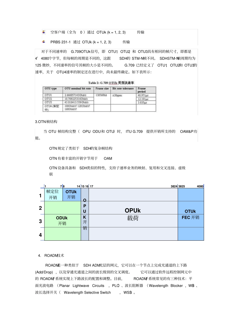
OTN技术及华为OTN设备简介城域波分环四环五即将进行建设,本次工程采用华为华为下一代智能光传送平台OTN设备OptiXOSN8800和OptiXOSN6800。本文主要对OTN技术涉及的网络结构、复用方式、帧结构、ROADM技术和OptiXOSN8800和OptiXOSN6800设备特点及本次工程配置主要单元盘作个简要介绍。一、OTN技术光传送网OTN(OpticalTransportNetwork)是由ITU-TG.872、G.798、G.709等建议定义的一种全新的光传送技术体制,它包括光层和电层的完整体系结构,对于各层网络都有相应的管理监控机制和网络生存性机制。OTN的思想来源于SDH/SONET技术体制(例如映射、复用、交叉连接、嵌入式开销、保护、FEC等),把SDH/SONET的可运营可管理能力应用到WDM系统中,同时具备了SDH/SONET灵活可靠和WDM容量大的优势。除了在DWDM网络中进一步增强对SONET/SDH操作、管理、维护和供应(OAM&P)功能的支持外,OTN核心协议ITUG.709协议(基于ITUG.872)主要对以下三方面进行了定义。首先,它定义了OTN的光传输体系;其次,它定义了OTN的开销功能以支持多波长光网络;第三,它定义了用于映射客户端信号的OTN的帧结构、比特率和格式。OTN技术是在目前全光组网的一些关键技术(如光缓存、光定时再生、光数字性能监视、波长变换等)不成熟的背景下基于现有光电技术折中提出的传送网组网技术。OTN在子网内部通过ROADM进行全光处理而在子网边界通过电交叉矩阵进行光电混合处理,但目标依然是全光组网,也可认为现在的OTN阶段是全光网络的过渡阶段。1.OTN网络结构按照OTN技术的网络分层,可分为光通道层、光复用段层和光传送段层三个层面。另外,为了解决客户信号的数字监视问题,光通道层又分为光通路净荷单元(OPU)、光通道数据单元(ODUk)和光通道传送单元(OTUk)三个子层,类似于SDH技术的段层和通道层。如下图所示:客户层(IP/SDH/...)OCH光通道层OMS光复用段层OTS光传送段层OPUkODUkOTUkOPU光通路净荷单元ODU光通路数据单元OTU光通路传送单元OCH光信道OH客户信号OHOHFEC2.OTN复用结构OTN复用结构也类似SDH复用结构,如图所示:OPU1ODU2OPU2ODU2ODTUG2ODTUG3OPU3ODU3OTU3OTU2OTU1ClientSignalClientSignalClientSignalOChOChOCh电域复用映射交换光域OTU、ODU(包括ODU串联连接)以及OPU层都可以被分析和检测。按照ITUG.709之规定,当前的测试解决方案可以提供三种线路速率:OTU1(255/238x2.488320Gb/s≈2.666057143Gb/s)也称为2.7Gb/sOTU2(255/237x9.953280Gb/s≈10.709225316Gb/s)也称为10.7Gb/sOTU3(255/236x39.813120Gb/s≈43.018413559Gb/s)也称为43Gb/s每种线路速率分别适用于不同的客户端信号:OC-48/STM-16通过OTU1传输OC-192/STM-64通过OTU2传输OC-768/STM-256通过OTU3传输空客户端(全为0)通过OTUk(k=1,2,3)传输PRBS231-1通过OTUk(k=1,2,3)传输对于不同速率的G.709OTUk信号,即OTU1,OTU2,和OTU3具有相同的帧尺寸,即都是4′4080个字节,但每帧的周期是不同的,这跟SDH的STM-N帧不同。SDHSTM-N帧周期均为125微妙,不同速率的信号其帧的大小是不同的。G.709已经定义了OTU1,OTU2和OTU3的速率,关于OTU4速率的制定还在进行中,尚未最终确定。如下表所示:3.OTN帧结构当OTU帧结构完整(OPU、ODU和OTU)时,ITUG.709提供开销所支持的OAM&P功能。OTN规定了类似于SDH的复杂帧结构OTN有着丰富的开销字节用于OAMOTN设备具备和SDH类似的特性,支持子速率业务的映射、复用和交叉连接、虚级联帧定位开销OTUk开销ODUk开销OPUK开销OPUk载荷OTUkFEC开销1781415161738243825408012344.ROADM技术ROADM是一种类似于SDHADM光层的网元,它可以在一个节点上完成光通道的上下路(Add/Drop),以及穿通光通道之间的波长级别的交叉调度。它可以通过软件远程控制网元中的ROADM子系统实现上下路波长的配置和调整。目前,ROADM子系统常见的有三种技术:平面光波电路(PlanarLightwaveCircuits,PLC)、波长阻断器(WavelengthBlocker,WB)、波长选择开关(WavelengthSelectiveSwitch,WSS)。三种ROADM子系统技术,各具特点,采用何种技术,主要视应用而定。根据对北美运营商的统计,超过70%的需求仍然是2维的应用,而只有约10%的ROADM节...

1、当您付费下载文档后,您只拥有了使用权限,并不意味着购买了版权,文档只能用于自身使用,不得用于其他商业用途(如 [转卖]进行直接盈利或[编辑后售卖]进行间接盈利)。
2、本站所有内容均由合作方或网友上传,本站不对文档的完整性、权威性及其观点立场正确性做任何保证或承诺!文档内容仅供研究参考,付费前请自行鉴别。
3、如文档内容存在违规,或者侵犯商业秘密、侵犯著作权等,请点击“违规举报”。

碎片内容

(完整word版)OTN技术及华为OTN设备简介

您可能关注的文档

确认删除?
VIP
微信客服
  • 扫码咨询
会员Q群
  • 会员专属群点击这里加入QQ群
客服邮箱
回到顶部