电脑桌面
添加小米粒文库到电脑桌面
安装后可以在桌面快捷访问

北京新世界花园56住宅楼施工组织设计VIP免费

北京新世界花园56住宅楼施工组织设计_第1页
1/92
北京新世界花园56住宅楼施工组织设计_第2页
2/92
北京新世界花园56住宅楼施工组织设计_第3页
3/92
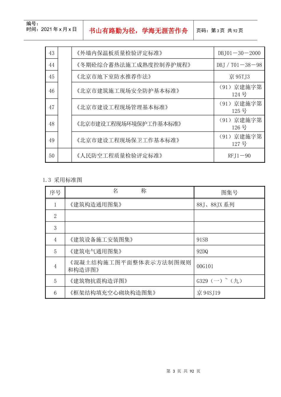
第1页共92页编号:时间:2021年x月x日书山有路勤为径,学海无涯苦作舟页码:第1页共92页第一章编制依据1.1施工图纸图纸名称编号出图日期北京新世界花园5#6#住宅楼工程施工图AD97004-52003.21.2主要施工规范、规程、标准序号类别名称编号1国家规范《建筑抗震设计规范》GB50011-20012《建筑工程施工质量验收统一标准》GB50300-20013《建筑地基基础施工质量验收规范》GB50201-20024《砌体工程施工质量验收规范》GB50203-20025《工程测量规范》GB50204-20026《住宅装饰装修工程施工规范》GB50327-20027《屋面工程质量验收规范》GB50207-20018国家规范《地下防水工程质量验收规范》GB50208-20029《建筑地面工程施工质量验收规范》GB50209-200210《建筑装饰装修工程质量验收规范》GB50210-200111《建筑给水排水及采暖工程施工质量验收规范》GB50242-200212《通风与空调工程施工质量验收规范》GB50243-200213《建筑电气安装工程施工质量验收规范》GB50303-200214《电梯安装工程质量验收规范》GB50310-200215《建筑工程项目管理规范》GB/T50326-200116《组合钢模板技术规范》GB50214-2001第2页共92页第1页共92页编号:时间:2021年x月x日书山有路勤为径,学海无涯苦作舟页码:第2页共92页17《民用建筑工程室内环境污染控制规范》GB50325-200118《建设工程文件归档整理规范》GB/T50328-200119行业标准《建筑机械使用安全技术规程》JGJ33-200120《建筑施工扣件式钢管脚手架安全技术规范》JGJ130-200121《龙门架及井架物料提升机安全技术规范》JGJ88-9222《混凝土泵送施工技术规程》JGJ/T10-9523《钢筋焊接及验收规范》JGJ18-9624《钢筋机械连接通用技术规程》JGJ107-9625《回弹法检测混凝土抗压强度技术规程》JGJ/T23-200126《施工现场临时用电安全技术规程》JGJ46-8827《建筑施工安全检查标准》JGJ59-9928《建筑施工高空作业安全技术规范》JGJ80-9129《建筑基坑支护技术规程》JGJ120-9930《普通混凝土配合比设计规程》JGJ55-200031《砌筑砂浆配合比设计规程》JGJ/T98-200032《建筑工程冬期施工规程》JGJ104-9733《塑料门窗安装及验收规程》JGJ103-9634《外墙饰面砖工程施工及验收规程》JGJ126-200035地方标准《建筑内外墙涂料应用技术规程》DBJ/T01-42-9936《预防砼工程碱集料反应技术管理规定》京TY5-9937《北京市住宅区及住宅建筑电信设施技术规定》DBJ01-601-9238《聚合物改性沥青复合胎防水卷材质量检验评定标准》DBJ01-53-200139《建筑安装工程资料管理规程》DBJ01-51-200340《建筑内外墙涂料应用技术规程》DBJ/T01-42-9941《建设工程监理规程》DBJ01-41-200242《轻隔墙条板质量检验评定标准》DBJ01-29-2000第3页共92页第2页共92页编号:时间:2021年x月x日书山有路勤为径,学海无涯苦作舟页码:第3页共92页43《外墙内保温板质量检验评定标准》DBJ01-30-200044《冬期砼综合蓄热法施工成熟度控制养护规程》DBJ/T01-38-9845《北京市地下室防水推荐作法》京95TJ346《北京市建筑施工现场安全防护基本标准》(91)京建施字第124号47《北京市建设工程现场管理基本标准》(91)京建施字第125号48《北京市建设工程现场环境保护工作基本标准》(91)京建施字第126号49《北京市建设工程现场保卫工作基本标准》(91)京建施字第127号50《人民防空工程质量检验评定标准》RFJ1-901.3采用标准图序号名称图集号1《建筑构造通用图集》88J、88JX系列234《建筑设备施工安装图集》91SB5《建筑电气通用图集》92DQ4《混凝土结构施工图平面整体表示方法制图规则和构造详图》00G1015《建筑物抗震构造详图》G329(一)~(九)6《框架结构填充空心砌块构造图集》京94SJ19第4页共92页第3页共92页编号:时间:2021年x月x日书山有路勤为径,学海无涯苦作舟页码:第4页共92页第二章工程概况2.1总体概况1工程名称2建设单位3监理单位4设计单位5要求工期6承包单位7质量目标优质工程――结构长城杯8文明施工目标创“北京市安全文明工地”9环境保护目标及时消除环境污染,营造健康的工作环境,重要环境因素有效控制率100%;现场绿化率10%2.2建筑设计简介:序号项目内容地上建筑...

1、当您付费下载文档后,您只拥有了使用权限,并不意味着购买了版权,文档只能用于自身使用,不得用于其他商业用途(如 [转卖]进行直接盈利或[编辑后售卖]进行间接盈利)。
2、本站所有内容均由合作方或网友上传,本站不对文档的完整性、权威性及其观点立场正确性做任何保证或承诺!文档内容仅供研究参考,付费前请自行鉴别。
3、如文档内容存在违规,或者侵犯商业秘密、侵犯著作权等,请点击“违规举报”。

碎片内容

北京新世界花园56住宅楼施工组织设计

您可能关注的文档

精品中小学资料+ 关注
实名认证
内容提供者

精品文档

确认删除?
VIP
微信客服
  • 扫码咨询
会员Q群
  • 会员专属群点击这里加入QQ群
客服邮箱
回到顶部