电脑桌面
添加小米粒文库到电脑桌面
安装后可以在桌面快捷访问

XXXX年燃气灶产品国家监督联动抽查检验报告模版VIP免费

XXXX年燃气灶产品国家监督联动抽查检验报告模版_第1页
1/8
XXXX年燃气灶产品国家监督联动抽查检验报告模版_第2页
2/8
XXXX年燃气灶产品国家监督联动抽查检验报告模版_第3页
3/8
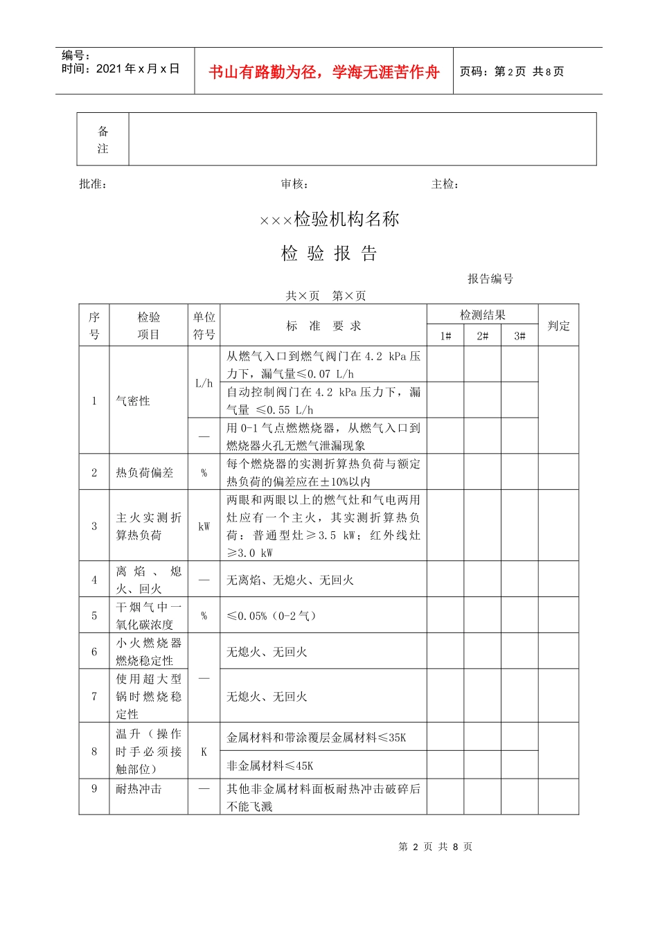
第1页共8页编号:时间:2021年x月x日书山有路勤为径,学海无涯苦作舟页码:第1页共8页2010年燃气灶产品国家监督联动抽查检验报告模版×××检验机构名称检验报告报告编号共×页第×页产品名称型号、规格商标、等级家用燃气灶(型号、规格、商标、等级按产品/抽样单填写)生产日期(按抽样单/样品信息填写)编号或批号(按样品信息填写)样品单号(按产品抽样单填写)任务来源国家质量监督检验检疫总局检验类别国家监督联动抽查受检单位(按产品抽样单填写)抽样基数(按产品抽样单填写)受检单位地址(按产品抽样单填写)抽样数量6台生产单位(按产品抽样单填写)检验数量3台生产单位地址(按产品抽样单填写)抽样日期(按产品抽样单填写)抽样单位(按产品抽样单填写)到样日期(按到样日期填写)抽样地点(按产品抽样单填写)抽样人(按产品抽样单填写)样品特征及状态(对收到的样品基本情况作简单表述,如:封条是否完好、清楚;样品的形状、完好程度等)验讫日期(按验讫日期填写)检验依据GB16410-2007《家用燃气灶具》判定依据《2010年家用燃气灶产品质量国家监督抽查实施规范》检验结论(检验结果符合/××项目不符合GB16410-2007《家用燃气灶具》标准的要求,依据《2010年家用燃气灶产品质量国家监督抽查实施规范》的判定原则,本次国家监督专项抽查合格/不合格。)签发日期:年月日检验单位(公章或检验报告专用章)第2页共8页第1页共8页编号:时间:2021年x月x日书山有路勤为径,学海无涯苦作舟页码:第2页共8页备注批准:审核:主检:×××检验机构名称检验报告报告编号共×页第×页序号检验项目单位符号标准要求检测结果判定1#2#3#1气密性L/h从燃气入口到燃气阀门在4.2kPa压力下,漏气量≤0.07L/h自动控制阀门在4.2kPa压力下,漏气量≤0.55L/h—用0-1气点燃燃烧器,从燃气入口到燃烧器火孔无燃气泄漏现象2热负荷偏差%每个燃烧器的实测折算热负荷与额定热负荷的偏差应在±10%以内3主火实测折算热负荷kW两眼和两眼以上的燃气灶和气电两用灶应有一个主火,其实测折算热负荷:普通型灶≥3.5kW;红外线灶≥3.0kW4离焰、熄火、回火—无离焰、无熄火、无回火5干烟气中一氧化碳浓度%≤0.05%(0-2气)6小火燃烧器燃烧稳定性—无熄火、无回火7使用超大型锅时燃烧稳定性无熄火、无回火8温升(操作时手必须接触部位)K金属材料和带涂覆层金属材料≤35K非金属材料≤45K9耐热冲击—其他非金属材料面板耐热冲击破碎后不能飞溅第3页共8页第2页共8页编号:时间:2021年x月x日书山有路勤为径,学海无涯苦作舟页码:第3页共8页10耐重力冲击其他非金属材料面板耐重力冲击破碎后不能飞溅11熄火保护装置闭阀时间s闭阀时间≤60s12热效率%台式灶≥55%嵌入式灶≥50%审核:主检:第4页共8页第3页共8页编号:时间:2021年x月x日书山有路勤为径,学海无涯苦作舟页码:第4页共8页×××检验机构名称检验报告报告编号共×页第×页序号检验项目单位符号标准要求检测结果判定1#2#3#13电气性能防触电保护—试验指应不能碰触到带电部件仅用基本绝缘与带电部件隔开的部件、Ⅱ类结构的部件,试验销应不能触及到带电部件在室温下的泄漏电流mA—Ⅰ类电动灶具不应超过3.5mA;—Ⅰ类电热灶具不应超过1mA或1mA/kW,两者中取较大值,但最大≤10mA;—Ⅱ类灶具不应超过0.25mA;—Ⅲ类灶具不应超过0.5mA;—电磁灶头不应超过0.7mA(峰值)乘以以kHz为单位的工作频率或70mA(峰值),两者中选较小值在室温下的电气强度—灶具绝缘承受1min频率为50Hz或60Hz基本为正弦波的试验电压,在试验期间,不应出现闪络和击穿在工作温度下的泄漏电流mA—Ⅰ类电动灶具不应超过3.5mA;—Ⅰ类电热灶具不应超过1mA或1mA/kW,两者中取较大值,但最大≤10mA;—Ⅱ类灶具不应超过0.25mA;—Ⅲ类灶具不应超过0.5mA;—电磁灶头不应超过0.7mA(峰值)乘以kHz为单位的工作频率或70mA(峰值),两者中选较小值在工作温度下的电气强度—灶具绝缘承受1min频率为50Hz或60Hz基本为正弦波的试验电压,在试验期间,不应出现闪络和击穿接地电阻Ω接地端子或接地触点与接地金属部件之间的连接,应具有低电阻,接地电阻不应超过0.1Ω第5页共8页第4页共8页编号:时间:2021年x月x日书山有路勤为...

1、当您付费下载文档后,您只拥有了使用权限,并不意味着购买了版权,文档只能用于自身使用,不得用于其他商业用途(如 [转卖]进行直接盈利或[编辑后售卖]进行间接盈利)。
2、本站所有内容均由合作方或网友上传,本站不对文档的完整性、权威性及其观点立场正确性做任何保证或承诺!文档内容仅供研究参考,付费前请自行鉴别。
3、如文档内容存在违规,或者侵犯商业秘密、侵犯著作权等,请点击“违规举报”。

碎片内容

XXXX年燃气灶产品国家监督联动抽查检验报告模版

精品中小学资料+ 关注
实名认证
内容提供者

精品文档

确认删除?
VIP
微信客服
  • 扫码咨询
会员Q群
  • 会员专属群点击这里加入QQ群
客服邮箱
回到顶部