电脑桌面
添加小米粒文库到电脑桌面
安装后可以在桌面快捷访问

中级“模具工”理论试卷与答案VIP免费

中级“模具工”理论试卷与答案_第1页
1/7
中级“模具工”理论试卷与答案_第2页
2/7
中级“模具工”理论试卷与答案_第3页
3/7
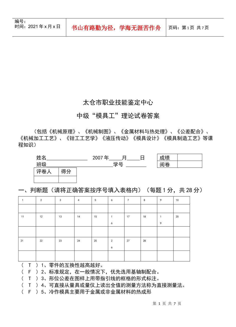
第1页共7页编号:时间:2021年x月x日书山有路勤为径,学海无涯苦作舟页码:第1页共7页太仓市职业技能鉴定中心中级“模具工”理论试卷答案(包括《机械原理》、《机械制图》、《金属材料与热处理》、《公差配合》、《机械加工工艺》、《钳工工艺学》《液压传动》《模具设计》《模具制造工艺》等课程知识)姓名2007年月日班级学号成绩阅卷评卷人得分一、判断题(请将正确答案按序号填入表格内)(每题1分,共28分)12345678910111213141516171819202122232425262728(T)1、零件的互换性越高越好。(F)2、标准规定,在一般情况下,优先选用基轴制配合。(T)3、形位公差在图样上用带指引线的框格的形式标注。(T)4、可直接从量具或量仪上读出全值的测量方法称为直接测量法。(F)5、冷作模具主要用于金属或非金属材料的热成形第2页共7页第1页共7页编号:时间:2021年x月x日书山有路勤为径,学海无涯苦作舟页码:第2页共7页(T)6、热作模具钢的主要失效形式是冷、热疲劳、鬼裂、热深裂等。(F)7、为节约时间和成本,合金钢淬火可以用水冷(F)8、单件生产时,应该大量使用专用刀具和专用夹具。(F)9、工件放在机床或夹具上,称为定位。(F)10、冲裁模按工序组合程度可分为冲孔模和复合模。(T)11、卷圆和变薄拉伸属于冲压的成型工序。(T)12、敞开式冲裁模无导向装置。(F)13、刚性卸料装置包括卸料板、弹簧和顶杆。(T)14、模柄有多种,中小型冲裁中应用较广的是(压入式)模柄。(F)15、模架中导柱装于上模,导套装于下模。(F)16、冲裁件毛刺较大的原因是刃口太锋利。(T)17、用一条料冲制工件时,始用挡料销只使用一次。(T)18、正装复合模工作时,冲件是从下模顶出的。(T)19、弯曲成形后,由于弹性恢复,导致弯曲件的尺寸、形状与模具不相符合。(F)20、电脉冲加工液是用去离子水。(F)21、切割材料越薄,喷水压力要越大。(F)22、决定线切割加工精度的好坏主要是电参数,和加工液、电极丝没关系。(T)23、线切割加工精度主要分为切缝宽度精度为基础的形状精度和定位精度,及内部形状精度。(T)24、线切割加工凹模时,应该提高电极丝的张力,用小圆弧接近法或小偏置量0.01mm就会得到改善。或增加切削次数,错开切割位置。(T)25、拉深模的间隙太大,则不易控制拉深件的尺寸精度。(T)26、电极的损耗越小,被电加工零件的尺寸精度越高。(F)27、冷挤压时被挤压坯料表面的粗糙度与挤压后开腔表面的粗糙度无关。(T)28、电火花加工必须采用脉冲电源。评卷人得分二、填空题(每空格1分,共18分)1、电极材料选择必须是导电材料。2、为了防止切割凸模时生产变形,应先钻好穿丝孔。3、线切割机床的控制系统是按照人的“命令”去控制机床加工的。4、慢走丝线切割设备由机床床身、工作台、走丝机构、工作液循环系统、控制部分及脉冲电源等组成。5、不经选择和修配就能互相替换、装配的零件,就是具有互换性的零件。第3页共7页第2页共7页编号:时间:2021年x月x日书山有路勤为径,学海无涯苦作舟页码:第3页共7页6、配合可分为间隙配合、过盈配合和过度配合。4、分析测量和标注刀具几何角复用的辅助平面有基面、切削平面、主截面,它们之间是互相垂直的。5、零件在加工和装配过程中使用的基准,称为装配基准。评卷人得分三、选择题(请将正确答案按序号填入表格内)(每题1分,共20分)12345678910111213141516171819201、塑料模具钢一般应满足:耐热性、耐蚀性、(C)、尺寸稳定性等性能。A、表面光滑B、高硬度C、良好的切削加工性2、影响加工速度快慢的因素主要是(B)。A、切割丝的垂直度B、电参数的大小C、工作液的大小3、对热作模具钢来讲,应具备以下性能:红硬性、热稳定、(C)。A、耐高温;B、冷脆性;C、高温抗磨损及抗氧化性;4、模具的闭合高度是(D)。A、压力机的装模高度;B、模具在最低工作位置时,模具的上、下模座之间的高度;C、模具在最低工作位置时,模具的之间的高度;D、模具在最低工作位置时,模具的上模座的上平面与下模座的下平面之间的高度;5、线切割加工中(C)的步序先后排列是正确的。A、1)移位、穿丝、调整Z轴;2)电极丝定位及穿丝;3)装夹、校正固定B、1)电极丝定位...

1、当您付费下载文档后,您只拥有了使用权限,并不意味着购买了版权,文档只能用于自身使用,不得用于其他商业用途(如 [转卖]进行直接盈利或[编辑后售卖]进行间接盈利)。
2、本站所有内容均由合作方或网友上传,本站不对文档的完整性、权威性及其观点立场正确性做任何保证或承诺!文档内容仅供研究参考,付费前请自行鉴别。
3、如文档内容存在违规,或者侵犯商业秘密、侵犯著作权等,请点击“违规举报”。

碎片内容

中级“模具工”理论试卷与答案

确认删除?
VIP
微信客服
  • 扫码咨询
会员Q群
  • 会员专属群点击这里加入QQ群
客服邮箱
回到顶部