电脑桌面
添加小米粒文库到电脑桌面
安装后可以在桌面快捷访问

ZRSP(M)精小型电子式电动单座(套筒)调节阀VIP专享VIP免费

ZRSP(M)精小型电子式电动单座(套筒)调节阀_第1页
1/4
ZRSP(M)精小型电子式电动单座(套筒)调节阀_第2页
2/4
ZRSP(M)精小型电子式电动单座(套筒)调节阀_第3页
3/4
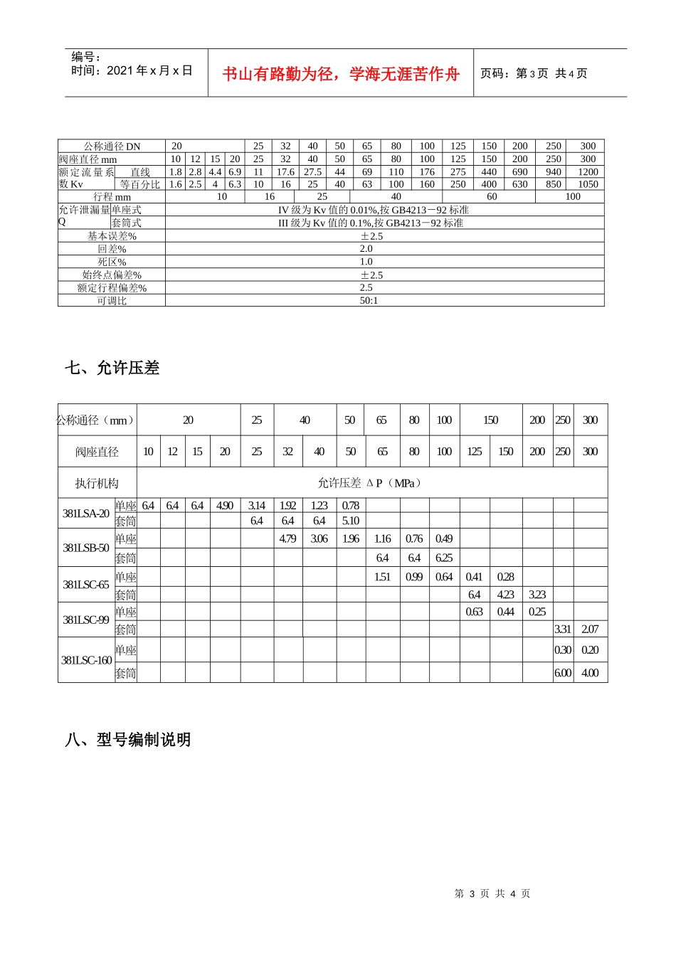
第1页共4页编号:时间:2021年x月x日书山有路勤为径,学海无涯苦作舟页码:第1页共4页ZRSP(M)精小型电子式电动单座(套筒)调节阀ZRSP(M)型电子式精小型电动单座(套筒)调节阀,由低流阻直通单座阀,或低流阻套筒阀配用3810系列执行机构等组成。电动执行机构内有伺服放大器,无需另配伺服放大器,有输入控制信号(4—20mADC或1-5VDC)及单相电源即可控制运转,实现对压力、流量、温度、液位等参数的调节。该阀具有体积小,重量轻、连线简单、流量大、调节精度高等特点,广泛应用于电力、石油、化工、冶金、环保、轻工、教学和科研设备等行业的工业过程自动控制系统中。一、阀体形式:直通倒S铸造阀公称通径:DN20-300mm公称压力:PN1.64.06.4MPa连接形式:JB78-59JB/T79.2-94凹式材料:ZG230—450ZG1Gr18Ni9TiZG0Cr18Ni12M02Ti二、上阀盖防爆型普通型常温型:-20℃-+200℃散热型:-40℃―+450℃压盖形式:螺栓压紧式填料:V型聚四氟乙烯,柔性石墨,不锈钢波纹管三、阀内组件阀芯形式:上导向单座柱塞式阀芯,或上导向单座套筒柱塞式阀芯流量特性:等百分比特性,直线特性和快开特性材料:1Cr18Ni9TiOCr18Ni12Mo2Ti四、执行机构类型:可选PS、3810电子式直行程执行机构,防爆型选用3810型,技术参数和性能:请参阅对应的执行机构及阀门定位器说明书。第2页共4页第1页共4页编号:时间:2021年x月x日书山有路勤为径,学海无涯苦作舟页码:第2页共4页五、外形尺寸六ZRSP/M规格参数表公称通径DN(mm)L(mm)H(mm)H1(mm)D(mm)重量(kg)1.6(MPa)4.0(MPa)6.4(MPa)常温型散热型PN0.6(MPa)PN1.6(MPa)PN4.0(MPa)PN6.4(MPa)1.6(MPa)G3/4”120120120/31313122512201811942065016514552526522523251841972105136635057.557.57022524402222352516508156575758522539502542672866528227082829022544652762923117709508092921022256480298317337782967951001001072257610035236839480010101051101171253109715045147350810801340132142150172310203200600610650112513851601701872073102642506506706901345162518720222523531041830074077080013651645220230257265310618第3页共4页第2页共4页编号:时间:2021年x月x日书山有路勤为径,学海无涯苦作舟页码:第3页共4页七、允许压差八、型号编制说明公称通径DN20253240506580100125150200250300阀座直径mm10121520253240506580100125150200250300额定流量系数Kv直线1.82.84.46.91117.627.544691101762754406909401200等百分比1.62.546.310162540631001602504006308501050行程mm1016254060100允许泄漏量Q单座式IV级为Kv值的0.01%,按GB4213-92标准套筒式III级为Kv值的0.1%,按GB4213-92标准基本误差%±2.5回差%2.0死区%1.0始终点偏差%±2.5额定行程偏差%2.5可调比50:1公称通径(mm)202540506580100150200250300阀座直径10121520253240506580100125150200250300执行机构允许压差ΔP(MPa)381LSA-20单座6.46.46.44.903.141.921.230.78套筒6.46.46.45.10381LSB-50单座4.793.061.961.160.760.49套筒6.46.46.25381LSC-65单座1.510.990.640.410.28套筒6.44.233.23381LSC-99单座0.630.440.25套筒3.312.07381LSC-160单座0.300.20套筒6.004.00第4页共4页第3页共4页编号:时间:2021年x月x日书山有路勤为径,学海无涯苦作舟页码:第4页共4页九、定货须知1.产品型号与名称2.公称通径DN(mm)3.公称压力10.其它特殊要求4.流量特性5.阀体材质6.额定流量系数7.介质种类和温度范围8.阀前后压力(压差)9.电源电压和控制信号ZDSP16CG自控阀门执行机构类型位移特征:阀门结构形式:公称压力:阀体材质:温度类型:D:表示PS系列S:表示直行程P:表示单座16:表示1.6MPaC:表示碳钢G:表示中温常温省略R:表示3810系列M:表示套筒40:表示4.0MPaP:表示不锈钢铸铁省略H:表示DKZ系列64:表示6.4MPaC:表示其它系列

1、当您付费下载文档后,您只拥有了使用权限,并不意味着购买了版权,文档只能用于自身使用,不得用于其他商业用途(如 [转卖]进行直接盈利或[编辑后售卖]进行间接盈利)。
2、本站所有内容均由合作方或网友上传,本站不对文档的完整性、权威性及其观点立场正确性做任何保证或承诺!文档内容仅供研究参考,付费前请自行鉴别。
3、如文档内容存在违规,或者侵犯商业秘密、侵犯著作权等,请点击“违规举报”。

碎片内容

ZRSP(M)精小型电子式电动单座(套筒)调节阀

确认删除?
VIP
微信客服
  • 扫码咨询
会员Q群
  • 会员专属群点击这里加入QQ群
客服邮箱
回到顶部