电脑桌面
添加小米粒文库到电脑桌面
安装后可以在桌面快捷访问

《机械设计基础》课程设计范本VIP免费

《机械设计基础》课程设计范本_第1页
1/8
《机械设计基础》课程设计范本_第2页
2/8
《机械设计基础》课程设计范本_第3页
3/8
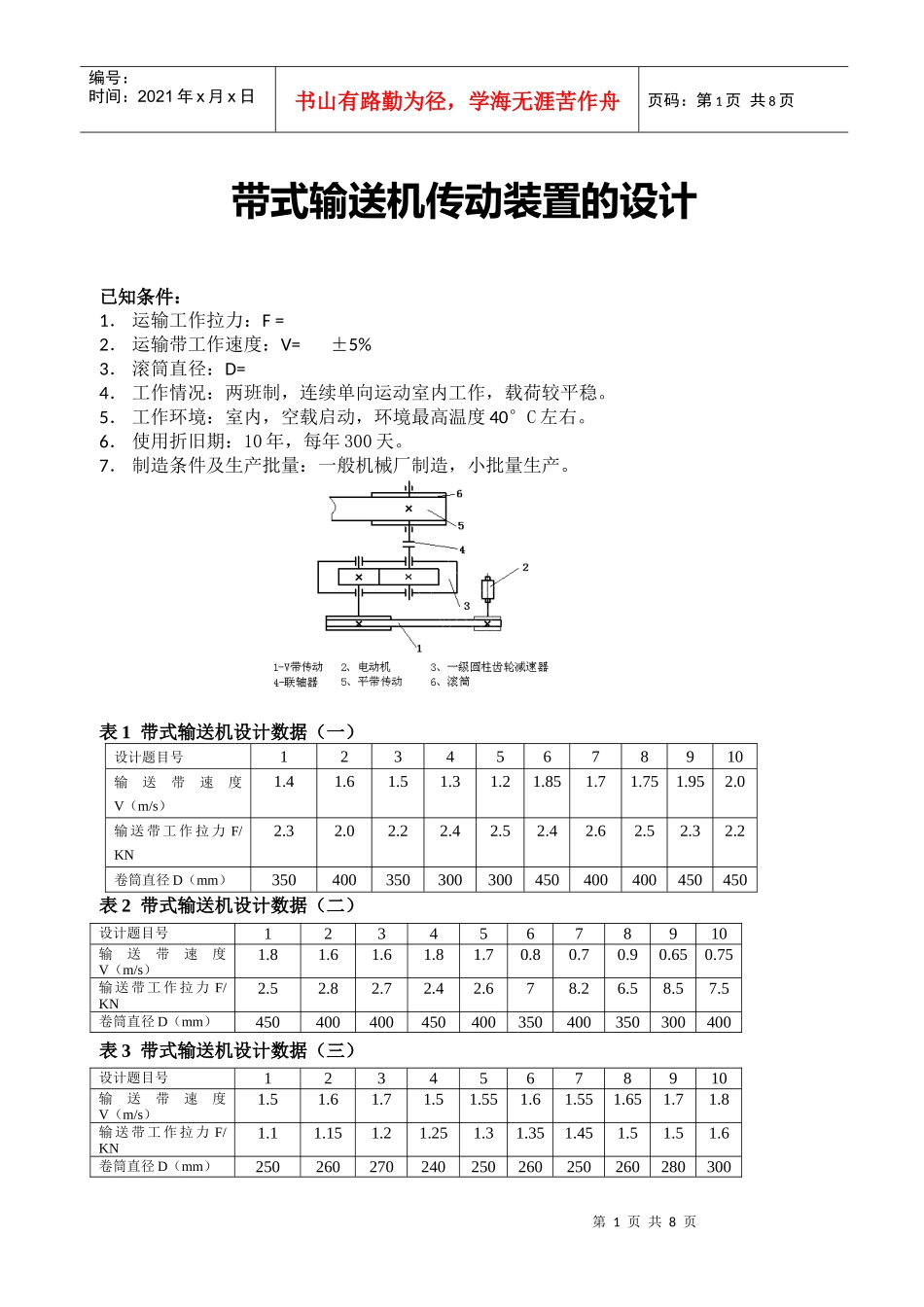
第1页共8页编号:时间:2021年x月x日书山有路勤为径,学海无涯苦作舟页码:第1页共8页带式输送机传动装置的设计已知条件:1.运输工作拉力:F=2.运输带工作速度:V=±5%3.滚筒直径:D=4.工作情况:两班制,连续单向运动室内工作,载荷较平稳。5.工作环境:室内,空载启动,环境最高温度40°C左右。6.使用折旧期:10年,每年300天。7.制造条件及生产批量:一般机械厂制造,小批量生产。表1带式输送机设计数据(一)设计题目号12345678910输送带速度V(m/s)1.41.61.51.31.21.851.71.751.952.0输送带工作拉力F/KN2.32.02.22.42.52.42.62.52.32.2卷筒直径D(mm)350400350300300450400400450450表2带式输送机设计数据(二)表3带式输送机设计数据(三)设计题目号12345678910输送带速度V(m/s)1.81.61.61.81.70.80.70.90.650.75输送带工作拉力F/KN2.52.82.72.42.678.26.58.57.5卷筒直径D(mm)450400400450400350400350300400设计题目号12345678910输送带速度V(m/s)1.51.61.71.51.551.61.551.651.71.8输送带工作拉力F/KN1.11.151.21.251.31.351.451.51.51.6卷筒直径D(mm)250260270240250260250260280300第2页共8页第1页共8页编号:时间:2021年x月x日书山有路勤为径,学海无涯苦作舟页码:第2页共8页表4带式输送机设计数据(四)机械设计基础课程设计设计题目内装1.2.3.电子工程学院班级设计者:指导教师:完成日期:年月日成绩设计题目号12345678910输送带速度V(m/s)1.11.21.31.11.21.31.11.21.31.3输送带工作拉力F/KN5555667778卷筒直径D(mm)180180180200200200220220220250第3页共8页第2页共8页编号:时间:2021年x月x日书山有路勤为径,学海无涯苦作舟页码:第3页共8页重庆信息技术职业学院第4页共8页第3页共8页编号:时间:2021年x月x日书山有路勤为径,学海无涯苦作舟页码:第4页共8页计算及说明结果••••••••••••••••••••••••••••••••••••••••••••••••••••••••••••••••(3)轴的弯曲xAy平面C断面Mcz=FAy×50mm=1490×50N•mm=74.5×103N•mmD断面MDz=FBy×65mm=1740×50N•mm=113×103N•mmxAz平面C断面Mcy=FAz×50mm=76×50N•mm=3.5×103N•mmD断面MDy=FBz×65mm=460×65N•mm=29×103N•mm合成弯矩C断面MC=❑√Mcz2+Mcy2=❑√(74.5×103)2+(3.8×103)2N•mm=74.5×103N•mmD断面MD=❑√MDz2+MDy2=❑√(113×103)2+(29×103)2N•mm¿116×103N•mmMC=74.5×103N•mmMD¿116×103N•mm第5页共8页第4页共8页编号:时间:2021年x月x日书山有路勤为径,学海无涯苦作舟页码:第5页共8页计算机辅助设计与制造专业课程设计任务书电子工程学院班学生学号课题设计课题:一级减速器第6页共8页第5页共8页编号:时间:2021年x月x日书山有路勤为径,学海无涯苦作舟页码:第6页共8页一.课程设计工作日自年月日至年月日二.课程设计任务要求包括:课题来源、类型、目的和意义、基本要求、完成时间、主要参考资料等。(一)目的和意义《机械设计基础》课程设计是本课程重要的实践教学环节,其基本目的有以下方面。1.训练综合运用《机械设计基础》课程和有关先修课程的理论及生产实际知识解决实际机械设计问题的能力,培养正确的设计思想,巩固所学知识。2.学习机械设计的一般方法,了解和掌握机械零件、传动装置的设计方法和步骤,培养机械设计能力和独立解决工程实际问题的能力。3.学会运用设计资料及进行经验估算,培养机械设计的基本技能。(二)具体数据见附页。(三)基本要求:1.A0或A1装配图一张;2.A3或A4零件工作图三张;3.设计说明书一份(字数在6000字以上);4.采用计算机绘图二张。(四)参考资料教材、课程设计指导书、手册、图册等。指导教师签字指导教师签字时间:时间:编写设计计算说明书的要求和注意事项:(1)每一个自成单元的内容,都应有大小标题,标题应醒目突出。(2)计算部分的书写只需列出公式,代入有关数据,略去计算过程,直接写出计算结果,第7页共8页第6页共8页编号:时间:2021年x月x日书山有路勤为径,学海无涯苦作舟页码:第7页共8页并注明计量单位。计量单位...

1、当您付费下载文档后,您只拥有了使用权限,并不意味着购买了版权,文档只能用于自身使用,不得用于其他商业用途(如 [转卖]进行直接盈利或[编辑后售卖]进行间接盈利)。
2、本站所有内容均由合作方或网友上传,本站不对文档的完整性、权威性及其观点立场正确性做任何保证或承诺!文档内容仅供研究参考,付费前请自行鉴别。
3、如文档内容存在违规,或者侵犯商业秘密、侵犯著作权等,请点击“违规举报”。

碎片内容

《机械设计基础》课程设计范本

确认删除?
VIP
微信客服
  • 扫码咨询
会员Q群
  • 会员专属群点击这里加入QQ群
客服邮箱
回到顶部