电脑桌面
添加小米粒文库到电脑桌面
安装后可以在桌面快捷访问

中国矿业大学工业品买卖合同VIP免费

中国矿业大学工业品买卖合同_第1页
1/3
中国矿业大学工业品买卖合同_第2页
2/3
中国矿业大学工业品买卖合同_第3页
3/3
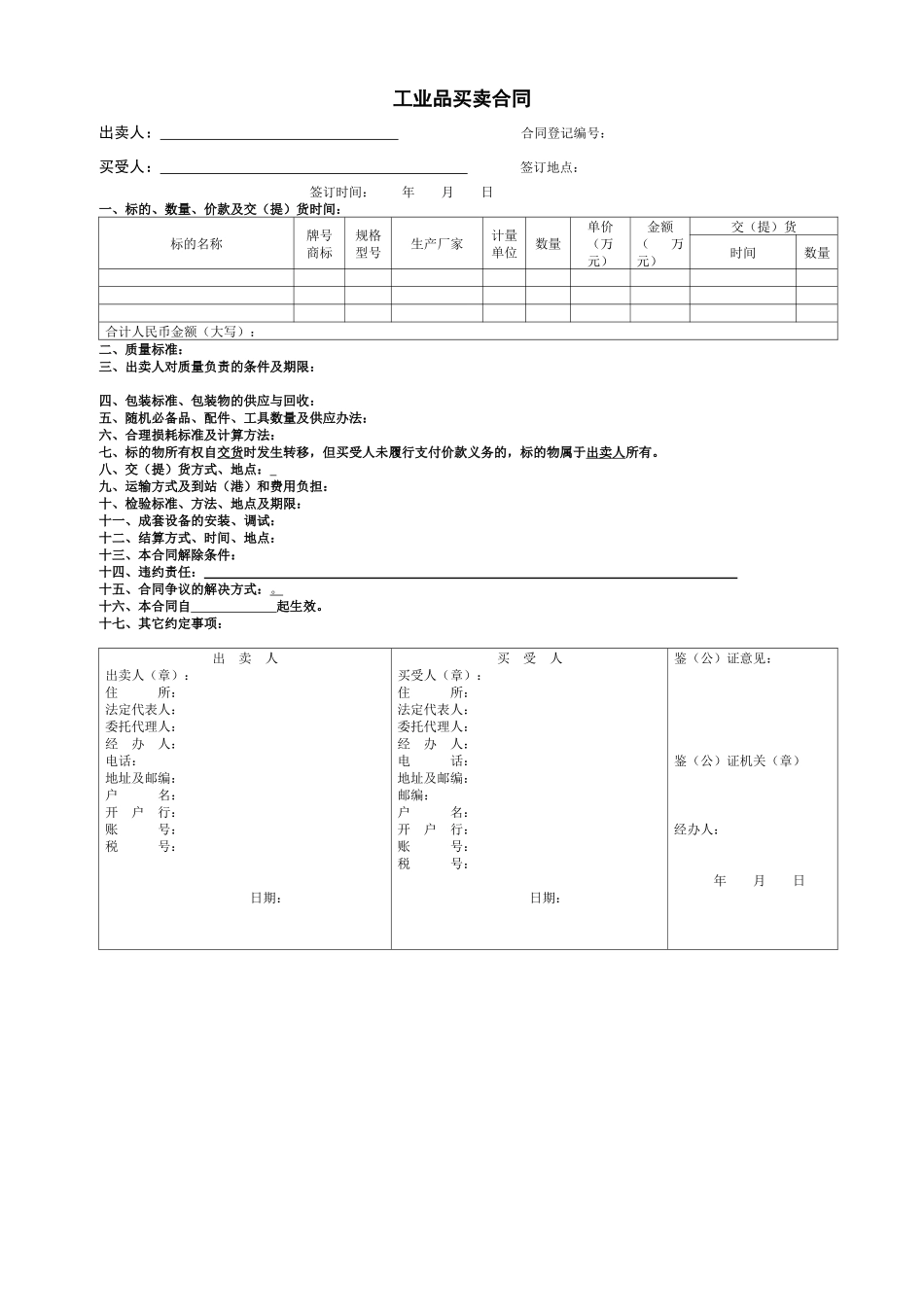
工业品买卖合同出卖人:合同登记编号:买受人:签订地点:签订时间:年月日一、标的、数量、价款及交(提)货时间:标的名称牌号商标规格型号生产厂家计量单位数量单价(万元)金额(万元)交(提)货时间数量合计人民币金额(大写):二、质量标准:三、出卖人对质量负责的条件及期限:四、包装标准、包装物的供应与回收:五、随机必备品、配件、工具数量及供应办法:六、合理损耗标准及计算方法:七、标的物所有权自交货时发生转移,但买受人未履行支付价款义务的,标的物属于出卖人所有。八、交(提)货方式、地点:九、运输方式及到站(港)和费用负担:十、检验标准、方法、地点及期限:十一、成套设备的安装、调试:十二、结算方式、时间、地点:十三、本合同解除条件:十四、违约责任:十五、合同争议的解决方式:。十六、本合同自起生效。十七、其它约定事项:出卖人出卖人(章):住所:法定代表人:委托代理人:经办人:电话:地址及邮编:户名:开户行:账号:税号:日期:买受人买受人(章):住所:法定代表人:委托代理人:经办人:电话:地址及邮编:邮编:户名:开户行:账号:税号:日期:鉴(公)证意见:鉴(公)证机关(章)经办人:年月日第2页共3页编号:时间:2021年x月x日书山有路勤为径,学海无涯苦作舟页码:第2页共3页中国矿业大学科技合同审查登记表合同编号(科技处填写)登记日期年月日项目名称合作单位联系人合同金额万元其中:技术额万元设备/工程款万元项目负责人联系电话E-mail校内单位经办人联系电话合同有效期年月日-年月日签订日期年月日合同类别1.开发合同2.转让合同3.咨询合同4.服务合同5.产品销售合同6.其他项目组教师成员:项目组研究生成员:本人暨项目组所有成员郑重承诺:1.认真了解合作方的法人资格和履行能力;保证合同涉及内容的真实性;严格履行本合同规定的各项义务,包括合理合法使用项目经费。2.履行本合同或实施本合同技术(产品)不侵犯其他任何方之知识产权和其它权利;维护学校的合法权益。3.项目负责人保证项目完成的质量,如有赔偿责任,全部由项目负责人所在课题组承担。项目负责人(签名):年月日科技处(科技发展总公司)审查意见:审查人(签名):年月日法律顾问意见(对于重大合同,特殊合同):(签名):年月日备注:合同返回情况:注:合同编号和登记日期由科技处填写。科技处盖章人:第2页共3页第3页共3页编号:时间:2021年x月x日书山有路勤为径,学海无涯苦作舟页码:第3页共3页

1、当您付费下载文档后,您只拥有了使用权限,并不意味着购买了版权,文档只能用于自身使用,不得用于其他商业用途(如 [转卖]进行直接盈利或[编辑后售卖]进行间接盈利)。
2、本站所有内容均由合作方或网友上传,本站不对文档的完整性、权威性及其观点立场正确性做任何保证或承诺!文档内容仅供研究参考,付费前请自行鉴别。
3、如文档内容存在违规,或者侵犯商业秘密、侵犯著作权等,请点击“违规举报”。

碎片内容

中国矿业大学工业品买卖合同

确认删除?
VIP
微信客服
  • 扫码咨询
会员Q群
  • 会员专属群点击这里加入QQ群
客服邮箱
回到顶部