电脑桌面
添加小米粒文库到电脑桌面
安装后可以在桌面快捷访问

APQP附表VIP免费

APQP附表_第1页
1/5
APQP附表_第2页
2/5
APQP附表_第3页
3/5
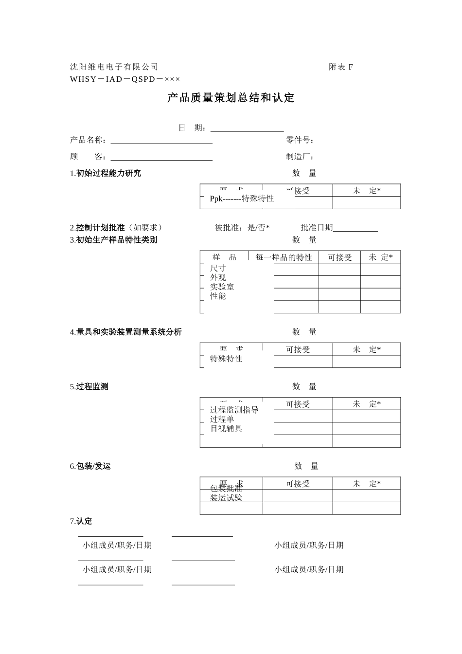
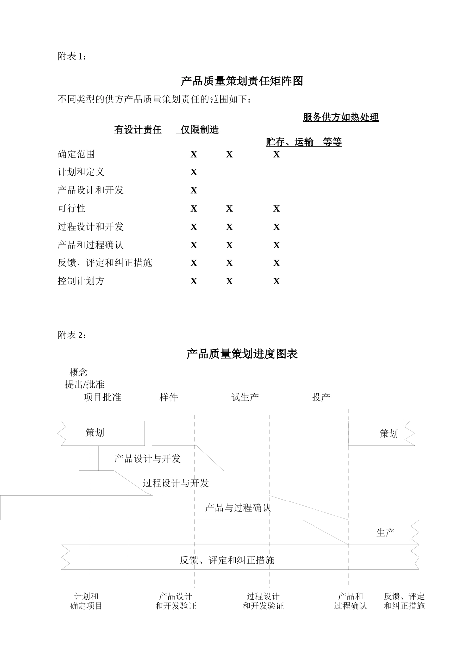
附表1:产品质量策划责任矩阵图不同类型的供方产品质量策划责任的范围如下:服务供方如热处理有设计责任仅限制造贮存、运输等等确定范围XXX计划和定义X产品设计和开发X可行性XXX过程设计和开发XXX产品和过程确认XXX反馈、评定和纠正措施XXX控制计划方XXX附表2:产品质量策划进度图表概念提出/批准项目批准样件试生产投产附表F策划反馈、评定和纠正措施计划和确定项目产品设计和开发验证过程设计和开发验证产品和过程确认反馈、评定和纠正措施策划产品设计与开发过程设计与开发产品与过程确认生产沈阳维电电子有限公司附表EWHSY-IAD-QSPR-×××小组可行性承诺顾客:日期:零件编号:零件名称:对可行性的考虑产品质量策划小组并不打算在进行可行性评价是时面面俱到,但已考虑了以下问题。所提供的图样和/或规范已被用来作为分析满足所有规定要求能力的基础。对于所有否定答案都要有识别所关注事项和/或所提出更改,以满足特定要求的附加规定。是否问题产品是否被完全定义(使用要求等)以便能进行可行性评价?工程性能规范是否符合书面要求?产品能按图样规定的公差生产吗?产品能用符合要求的Cpk值生产吗?有足够的能力生产产品吗?设计上允许使用有效的材料处理技术吗?产品是否在不发生以下情况下能正常生产:.生产设备成本的提高?.工装成本的提高?.替代的制造方法?是否对产品要求统计过程控制?统计过程控制是否最近用在类似的产品上?如果统计过程控制用在类似的产品上:.过程是否处于受控和稳定状态中?.Cpk值是否大于1.33?结论认定小组成员/职务/日期小组成员/职务/日期小组成员/职务/日期小组成员/职务/日期小组成员/职务/日期小组成员/职务/日期可行产品可按规定不作修改而生产。可行建议作出更改(见附件)。不可行需要更改设计以生产出符合规定要求的产品。沈阳维电电子有限公司附表FWHSY-IAD-QSPD-×××产品质量策划总结和认定日期:产品名称:零件号:顾客:制造厂:1.初始过程能力研究数量要求可接受未定*2.控制计划批准(如要求)被批准:是/否*批准日期3.初始生产样品特性类别数量样品每一样品的特性可接受未定*4.量具和实验装置测量系统分析数量要求可接受未定*5.过程监测数量要求可接受未定*6.包装/发运数量要求可接受未定*7.认定小组成员/职务/日期小组成员/职务/日期小组成员/职务/日期小组成员/职务/日期Ppk-------特殊特性尺寸外观实验室性能特殊特性过程监测指导过程单目视辅具包装批准装运试验小组成员/职务/日期小组成员/职务/日期*为跟踪进展情况,需要指定一个措施计划。沈阳维用电子有限公司

1、当您付费下载文档后,您只拥有了使用权限,并不意味着购买了版权,文档只能用于自身使用,不得用于其他商业用途(如 [转卖]进行直接盈利或[编辑后售卖]进行间接盈利)。
2、本站所有内容均由合作方或网友上传,本站不对文档的完整性、权威性及其观点立场正确性做任何保证或承诺!文档内容仅供研究参考,付费前请自行鉴别。
3、如文档内容存在违规,或者侵犯商业秘密、侵犯著作权等,请点击“违规举报”。

碎片内容

您可能关注的文档

确认删除?
VIP
微信客服
  • 扫码咨询
会员Q群
  • 会员专属群点击这里加入QQ群
客服邮箱
回到顶部