电脑桌面
添加小米粒文库到电脑桌面
安装后可以在桌面快捷访问

发电电气设备安装工程质量评定表VIP免费

发电电气设备安装工程质量评定表_第1页
1/40
发电电气设备安装工程质量评定表_第2页
2/40
发电电气设备安装工程质量评定表_第3页
3/40
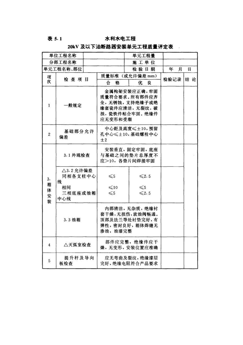
发电电气设备安装工程单元工程质量评定表(共有17个表式)本表格根据能源部、水利部颁发的《水利水电基本建设工程单元工程质量等级评定标准》SDJ249.5-88(称“标准5”)及《电气装置安装工程施工及验收规范》(称《规范》)、《电气装置安装工程电气设备交接试验标准》(GB50150-91)编制。适用于以下发电电气设备安装工程质量评定:(1)20kV及以下电压等级的发电电气一次设备及装置;(2)交直流控制保护设备及装置;(3)直流操作电源;(4)400V以下交流低压电气设备及装置。单元工程质量检验内容按本表所列内容由施工单位自检,建设(监理)单位复核。检测数量及单元工程质量等级评定标准按《水利水电基本建设工程单元工程质量等级评定标准》SDJ249.5-88规定执行。表中加“△”的项目为主要检查项目。凡在“质量标准”栏中有“产品技术规定”、“产品技术要求”者,应注明具体要求(规定)。附:17表式目次表5.1水利水电工程20kV及以下油断路器安装单元工程质量评定表表5.2水利水电工程户内式发配电隔离开关安装单元工程质量评定表表5.3水利水电工程3~20kV负荷开关及高压熔断器安装单元工程质量评定表表5.4水利水电工程20kV及以下互感器安装单元工程质量评定表表5.5水利水电工程20kV及以下干式电抗器安装单元工程质量评定表表5.6水利水电工程避雷器安装单元工程质量评定表表5.7水利水电工程固定式手车式高压开关安装单元工程质量评定表表5.8水利水电工程油浸式厂用变压器安装单元工程质量评定表表5.9水利水电工程低压配电盘及低压电器安装单元工程质量评定表表5.10水利水电工程35kV及以下电缆线器安装单元工程质量评定表表5.11水利水电工程硬母线装置安装单元工程质量评定表表5.12水利水电工程电气接地装置单元工程质量评定表表5.13水利水电工程保护网安装单元工程质量评定表表5.14水利水电工程控制保护装置单元工程质量评定表表5.15水利水电工程铅蓄电池安装单元工程质量评定表表5.16水利水电工程超重机电气设备安装单元工程质量评定表表5.17水利水电工程电气照明装置安装单元工程质量评定表

1、当您付费下载文档后,您只拥有了使用权限,并不意味着购买了版权,文档只能用于自身使用,不得用于其他商业用途(如 [转卖]进行直接盈利或[编辑后售卖]进行间接盈利)。
2、本站所有内容均由合作方或网友上传,本站不对文档的完整性、权威性及其观点立场正确性做任何保证或承诺!文档内容仅供研究参考,付费前请自行鉴别。
3、如文档内容存在违规,或者侵犯商业秘密、侵犯著作权等,请点击“违规举报”。

碎片内容

发电电气设备安装工程质量评定表

确认删除?
VIP
微信客服
  • 扫码咨询
会员Q群
  • 会员专属群点击这里加入QQ群
客服邮箱
回到顶部