电脑桌面
添加小米粒文库到电脑桌面
安装后可以在桌面快捷访问

工程质量验收及评定范围表VIP专享VIP免费

工程质量验收及评定范围表_第1页
1/121
工程质量验收及评定范围表_第2页
2/121
工程质量验收及评定范围表_第3页
3/121
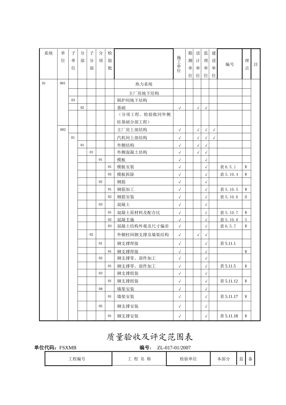
质量验收及评定范围表单位代码:FSXMB编号:ZL-017-01/2007工程编号工程名称检验单位本部分编号监理点备注系统单位子单位分部子分部分项检验批施工单位勘测单位设计单位监理单位建设单位01热力系统001主厂房地下结构√√√√01汽机间地下结构√√√√01土(石)方工程√√√√0001定位及高程控制√√01定位及高程控制√√表5.2.1H02挖方√√01土方开挖√√表5.3.1W03回填√√01回填√√表5.3.2W02基础√√√01外侧柱基础√√01垫层√√01垫层√√表5.12.7W02钢筋√√01钢筋加工√√表5.10.5W02钢筋安装√√表5.10.6H03模板√√01模板安装√√表6.2.1W02模板拆除√√表5.10.4W04混凝土√√01混凝土原材料及配合比√√表5.10.7W02混凝土施工√√表5.10.8S03混凝土结构外观及尺寸偏差√√表6.2.7W02平台柱基础√√√01垫层√√01垫层√√表5.12.7W02模板√√01模板安装√√表6.2.1W质量验收及评定范围表单位代码:FSXMB编号:ZL-017-01/2007工程编号工程名称检验单位本部分编号监理点备注系统单位子单位分部子分部分项检验批施工单位勘测单位设计单位监理单位建设单位01热力系统001主厂房地下结构01汽机间地下结构02基础√√√02平台柱基础√√√02模板√√02模板拆除√√表5.10.4W03钢筋√√01钢筋加工√√表5.10.5W02钢筋安装√√表5.10.6H04混凝土√√01混凝土原材料及配合比√√表5.10.7W02混凝土施工√√表5.10.8S03混凝土结构外观及尺寸偏差√√表6.2.7W03扩建端基础√√√(分项工程、检验批同外侧柱基础子分部)02煤仓间地下结构√√√√01土(石)方工程√√√(分项工程、检验批同汽机间土石方工程)02煤仓间基础√√√(分项工程、检验批同外侧柱基础分部工程)03楼梯间基础√√√(分项工程、检验批同外侧柱基础子分部工程)03锅炉间地下结构√√√√01土(石)方工程√√√(分项工程、检验批同外侧柱基础分部工程)02基础√√√质量验收及评定范围表单位代码:FSXMB编号:ZL-017-01/2007工程编号工程名称检验单位本部分监备编号理点注系统单位子单位分部子分部分项检验批施工单位勘测单位设计单位监理单位建设单位01001热力系统主厂房地下结构03锅炉间地下结构02基础√√√(分项工程、检验批同外侧柱基础分部工程)002主厂房上部结构√√√√01汽机间上部结构√√√√01外侧结构√√√01外侧混凝土结构√√√01模板√√01模板安装√√表6.5.1W02模板拆除√√表5.10.4W02钢筋√√01钢筋加工√√表5.10.5W02钢筋安装√√表5.10.6H03混凝土√√01混凝土原材料及配合比√√表5.10.7W02混凝土施工√√表5.10.8S03混凝土结构外观及尺寸偏差√√表6.5.7W02外侧柱间钢支撑及墙架结构√√√01钢支撑焊接√√表5.11.101钢支撑焊接√√W02钢支撑零、部件加工√√01钢支撑零、部件加工√√表5.11.5W03钢支撑组装√√01钢支撑组装√√表5.11.12W04墙架安装√√01墙架安装√√表5.11.17W05钢支撑安装√√01钢支撑安装√√表5.11.18W质量验收及评定范围表单位代码:FSXMB编号:ZL-017-01/2007工程编号工程名称检验单位本部分监备编号理点注系统单位子单位分部子分部分项检验批施工单位勘测单位设计单位监理单位建设单位0100201010206钢结构涂装√√01钢结构防腐√√表5.11.22W03墙体结构√√√01砖砌体√√01砖砌体√√表5.9.1W02压型金属板墙板√√01压型金属板工程√√表5.11.21W03扩建端结构√√√01扩建端混凝土结构√√√01模板√√01模板安装√√表6.5.1W02模板拆除√√表5.10.4W02钢筋√√01钢筋加工√√表5.10.5W02钢筋安装√√表5.10.6H03混凝土√√01混凝土原材料及配合比√√表5.10.7W02混凝土施工√√表5.10.8S03混凝土结构外观及尺寸偏差√√表6.5.7W02扩建端防风梁钢桁架结构√√√01钢支撑焊接√√表5.11.101钢支撑焊接√√W02钢支撑零、部件加工√√01钢支撑零、部件加工√√表5.11.5W03钢结构组装√√01钢结构组装√√表5.11.12W04钢结构预拼装01钢结构预拼装√√表5.11.14W05墙架安装01墙架安装√√表5.11.17W质量验收及评定范围表单位代码:FSXMB编号:ZL-017-01/2007工程编号工程名称检验单位本部分编号监备理点注系统单位子单位分部子分部分项检验批施工单位勘测单...

1、当您付费下载文档后,您只拥有了使用权限,并不意味着购买了版权,文档只能用于自身使用,不得用于其他商业用途(如 [转卖]进行直接盈利或[编辑后售卖]进行间接盈利)。
2、本站所有内容均由合作方或网友上传,本站不对文档的完整性、权威性及其观点立场正确性做任何保证或承诺!文档内容仅供研究参考,付费前请自行鉴别。
3、如文档内容存在违规,或者侵犯商业秘密、侵犯著作权等,请点击“违规举报”。

碎片内容

工程质量验收及评定范围表

确认删除?
VIP
微信客服
  • 扫码咨询
会员Q群
  • 会员专属群点击这里加入QQ群
客服邮箱
回到顶部