电脑桌面
添加小米粒文库到电脑桌面
安装后可以在桌面快捷访问

焊接质量管理与检验VIP专享VIP免费

焊接质量管理与检验_第1页
1/17
焊接质量管理与检验_第2页
2/17
焊接质量管理与检验_第3页
3/17
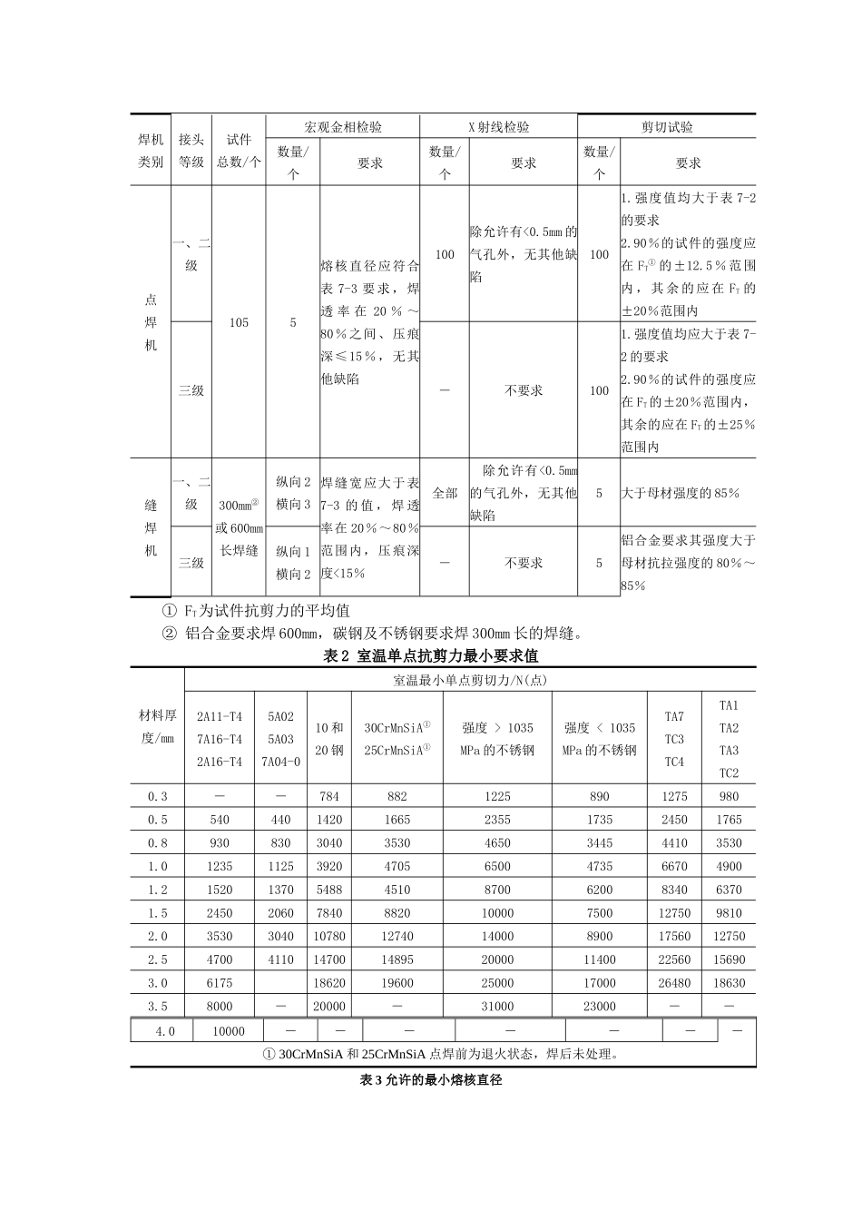
焊接质量管理与检验现代电阻焊技术可以得到高质量焊接接头。但由于电阻焊过程中受众多偶然因素的干扰(表面状况不良、电极磨损、装配间隙的变化、分流等工艺因素的随机波动、焊接参数的波动……),要想杜绝生产中个别接头质量的降低、废品的出现还是有困难的。因此,必须对电阻焊产品的生产全过程进行监督和检验,保证其在规定的使用期限内可靠地工作不致因焊接质量不良导致产品丧失全部或部分工作能力。一、电阻焊的全面质量管理电阻焊全面质量管理的主要任务是预防和及时发现焊接缺陷,确定焊接接头质量等级,保持所有生产因素的稳定性,并保证获得高而稳定的产品质量。质量管理内容如图1所示。图样工艺性审查的目的是为了保证焊接结构(件)的良好工艺性。如审查金属的厚度及材料牌号、焊缝位置的布置、焊接接头的形式、接头的开敞性、点距及搭边尺寸等。审查合格后,进行工艺会签。焊前有关工序检验主要是对焊前准备的检查,是贯彻预防为主的方针,最大限度避免或减少焊接缺陷的产生,是保证焊接质量的积极有效措施。电阻焊焊工应有较高的操作技术水平,因为焊接夹具、工艺装备和电阻焊机较为精密、复杂,机械化、自动化程度高,操作中稍许失误(如工件放置偏离,电极冷却不良或修磨不规范,夹具使用不当…)都会造成批量性不合格品出现。生产实践表明,电阻焊焊接质量与焊机性能和焊接参数关系极为密切。因此,必须保证焊接参数的正确选用,同时对各参数实行监控;电阻焊设备在安装和大修之后或控制系统改变之后,必须进行焊机的稳定性鉴定,确保鉴定合格后方可焊接产品。鉴定项目及要求见表1、表2和表3。表1点焊机和缝焊机稳定性鉴定项目及要求焊机类别接头等级试件总数/个宏观金相检验X射线检验剪切试验数量/个要求数量/个要求数量/个要求点焊机一、二级1055熔核直径应符合表7-3要求,焊透率在20%~80%之间、压痕深≤15%,无其他缺陷100除允许有<0.5mm的气孔外,无其他缺陷1001.强度值均大于表7-2的要求2.90%的试件的强度应在FT①的±12.5%范围内,其余的应在FT的±20%范围内三级-不要求1001.强度值均应大于表7-2的要求2.90%的试件的强度应在FT的±20%范围内,其余的应在FT的±25%范围内缝焊机一、二级300mm②或600mm长焊缝纵向2横向3焊缝宽应大于表7-3的值,焊透率在20%~80%范围内,压痕深度<15%全部除允许有<0.5mm的气孔外,无其他缺陷5大于母材强度的85%三级纵向1横向2-不要求5铝合金要求其强度大于母材抗拉强度的80%~85%①FT为试件抗剪力的平均值②铝合金要求焊600mm,碳钢及不锈钢要求焊300mm长的焊缝。表2室温单点抗剪力最小要求值材料厚度/mm室温最小单点剪切力/N(点)2A11-T47A16-T42A16-T45A025A037A04-010和20钢30CrMnSiA①25CrMnSiA①强度>1035MPa的不锈钢强度<1035MPa的不锈钢TA7TC3TC4TA1TA2TA3TC20.3--784882122589012759800.55404401420166523551735245017650.89308303040353046503445441035301.0123511253920470565004735667049001.2152013705488451087006200834063701.524502060784088201000075001275098102.035303040107801274014000890017560127502.5470041101470014895200001140022560156903.061751862019600250001700026480186303.58000-20000-3100023000--4.010000-------①30CrMnSiA和25CrMnSiA点焊前为退火状态,焊后未处理。表3允许的最小熔核直径材料厚度/mm最小熔核直径/mm铝合金碳钢及低合金钢不锈钢钛合金0.3-2.22.22.50.52.52.52.83.00.83.53.03.53.51.04.03.54.04.01.24.54.04.54.51.55.54.55.05.52.06.55.55.86.52.57.56.06.57.53.08.56.57.28.53.59.07.07.6-4.09.5---注:缝焊焊缝的熔核最小宽度,比点焊熔核直径要求大0.2~0.5mm(板厚≤1.0mm),0.5~1.0mm(板厚1.2~3.0mm)。电阻焊接头的质量检验,分为破坏性试验和无损检验两类。破坏性试验是普遍应用的评定接头质量的方法,通过对试件或焊件的抽样检查取得接头性能数据。由于技术上保证了试件或抽样具有与焊件同样的质量特性,因此,能够通过对少数样件的检验来判定整批焊件的质量。抽样检查的数量应根据产品的重要程度(接头质量等级)和生...

1、当您付费下载文档后,您只拥有了使用权限,并不意味着购买了版权,文档只能用于自身使用,不得用于其他商业用途(如 [转卖]进行直接盈利或[编辑后售卖]进行间接盈利)。
2、本站所有内容均由合作方或网友上传,本站不对文档的完整性、权威性及其观点立场正确性做任何保证或承诺!文档内容仅供研究参考,付费前请自行鉴别。
3、如文档内容存在违规,或者侵犯商业秘密、侵犯著作权等,请点击“违规举报”。

碎片内容

焊接质量管理与检验

确认删除?
VIP
微信客服
  • 扫码咨询
会员Q群
  • 会员专属群点击这里加入QQ群
客服邮箱
回到顶部