电脑桌面
添加小米粒文库到电脑桌面
安装后可以在桌面快捷访问

城市轨道交通工程质量安全控制要点VIP免费

城市轨道交通工程质量安全控制要点_第1页
1/126
城市轨道交通工程质量安全控制要点_第2页
2/126
城市轨道交通工程质量安全控制要点_第3页
3/126
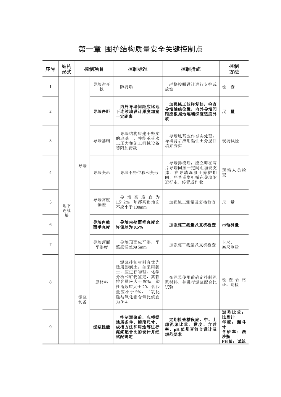
城市轨道交通工程质量安全控制要点集第一章围护结构质量安全关键控制点序号结构形式控制项目控制标准控制措施控制方法1地下连续墙导墙导墙沟开挖防坍塌严格按照设计进行支护或放坡检查2导墙净距内外导墙间距应比地下连续墙设计厚度加宽一定距离加强施工放样复核,检查导墙轴线位置,内外导墙间距应根据地连墙深度适度外放尺量3导墙基础导墙结构应建于坚实的地基上,并能承受水土压力和施工机械设备等附加荷载导墙地基应作夯实处理,导墙背后应用黏性土分层回填并夯实现场试验4导墙变形导墙不得位移和变形导墙拆模后,应立即在两片导墙间按一定间距加设支撑。在导墙混凝土养护期间,严禁重型机械在导墙附近行走、停置或作业现场人员检查5导墙高度偏差导墙高度宜为1.5~2m,顶部高出地面不应小于100mm加强施工测量及复核检查尺量6导墙内壁面垂直度导墙内壁面垂直度允许偏差为0.5%加强施工测量及复核检查吊锤测量7导墙顶面平整度导墙顶面应平整,平整度误差为5mm加强施工测量及复核检查卡尺、塞尺测量8泥浆制备原材料泥浆拌制材料宜优先选用膨润土,如采用黏土,应进行物理、化学分析和矿物鉴定,其黏粒含量应大于50%,塑性指数应大于20,含沙量应小于5%,二氧化硅与氧化铝含量比值宜为3~4在泥浆使用前确定拌制泥浆材料,并进行泥浆配合比试验检查合格证,送检9泥浆性能拌制泥浆前,应根据地质条件、槽段尺寸、成槽方法和用途等进行泥浆配合比的设计并经试配确定定期检查槽段底、中、上部泥浆比重、黏度、含砂率、pH值是否符合设计及规范要求泥浆比重:比重计年度:漏斗计含砂率:洗沙瓶PH值:试纸序号结构形式控制项目控制标准控制措施控制方法10地下连续墙泥浆制备泥浆面挖槽期间泥浆面必须保持高于地下水位0.5m以上定期用吊锤对泥浆深度进行测量吊锤测量11存储时间新拌制泥浆应贮存24h以上或加分散剂使膨润土或(或黏土)充分水化后方可使用做好新拌制泥浆记录管理与存储时间控制现场记录12泥浆储备泥浆贮存量应满足槽壁开挖使用需要。施工中可回收利用的泥浆应进行分离净化处理,符合标准后方可使用。废弃泥浆应采取措施,不得污染环境对工程泥浆需求量进行测算,检查泥浆池设置是否满足要求现场人员检查13成槽施工成槽机械地下连续墙应根据地质、地下障碍物、施工环境、墙厚与工程质量要求选择挖槽机械根据成槽地点的工程地质和水文地质情况、施工环境、设备能力、地连墙的结构、尺寸及质量要求等条件选择检查进场机械设备合格证、使用说明及使用记录14槽段划分单元槽段长度应符合设计规定,并采用间隔式开挖,一般地质应间隔一个单元槽段槽段的长短应根据设计要求、土层性质、地下水情况、钢筋笼的轻重大小及设备起吊能力、混凝土供应能力等条件确定现场地质情况及施工图15槽壁垂直度及槽深连续墙的槽壁和接头均应保持垂直,垂直度偏差应符合设计要求,且小于0.5%。槽段终槽深度必须保证设计深度,同一槽段内,槽底开挖深度一致并保持平整挖槽过程中应观测槽壁变形、垂直度、泥浆液面高度,并应控制抓斗上下运行速度,成槽机应配备强制纠偏装置。槽段挖至设计高程后,应及时检查槽位、槽深、槽宽和垂直度槽深用吊锤测量,槽壁垂直度用超声波检测16清槽及换浆清底应自底部抽吸并及时补浆,清底后的槽底泥浆比重不应大于1.15,沉淀物淤积厚度不应大于100mm挖槽时对泥浆的各种技术参数进行跟踪检测,清槽后,测定槽底以上0.2~1m处泥浆的比重及沉渣厚度比重计吊锤测量序号结构形式控制项目控制标准控制措施控制方法17地下连续墙钢筋笼制作与安装制作精度钢筋笼长度±50mm;钢筋笼宽度±20mm;钢筋笼厚度-10mm;主筋间距±10mm;分布筋间距±20mm;预埋件中心位置±10mm地下墙的钢筋笼规格和尺寸除按设计要求确定外,尚应考虑单元槽段、接头形式及现场的起重能力等因素。钢筋的净距应大于3倍粗骨粒径,并应在制作钢筋笼时预留纵向插放混凝土导管的位置,且上下贯通。分节制作的钢筋笼,应在制作台上进行试装拼,钢筋笼分节位置、接头处纵向钢筋接头应符合设计要求,且上下连接牢固。并按设计要求检查预埋件定位的准确性,并且与主筋连接牢固可靠尺量18保护层厚度混凝土保护层厚度不应小于...

1、当您付费下载文档后,您只拥有了使用权限,并不意味着购买了版权,文档只能用于自身使用,不得用于其他商业用途(如 [转卖]进行直接盈利或[编辑后售卖]进行间接盈利)。
2、本站所有内容均由合作方或网友上传,本站不对文档的完整性、权威性及其观点立场正确性做任何保证或承诺!文档内容仅供研究参考,付费前请自行鉴别。
3、如文档内容存在违规,或者侵犯商业秘密、侵犯著作权等,请点击“违规举报”。

碎片内容

城市轨道交通工程质量安全控制要点

墨香书阁+ 关注
实名认证
内容提供者

热爱教学事业,对互联网知识分享很感兴趣

确认删除?
VIP
微信客服
  • 扫码咨询
会员Q群
  • 会员专属群点击这里加入QQ群
客服邮箱
回到顶部