电脑桌面
添加小米粒文库到电脑桌面
安装后可以在桌面快捷访问

公路工程质量评定表格VIP免费

公路工程质量评定表格_第1页
1/56
公路工程质量评定表格_第2页
2/56
公路工程质量评定表格_第3页
3/56
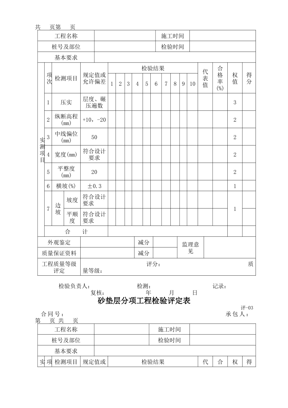
评定表土方路基分项工程质量检验评定表评-01合同号:承包人:第页共页工程名称施工时间桩号及部位检验时间基本要求实测项目项次检测项目规定值或允许偏差检验结果12345678911Δ压实度(%)零填及挖方(m)0~0.30-0~0.80≥96填方(m)0~0.80≥960.80~1.50≥94>1.50≥932Δ弯沉(0.01mm)不大于设计值3纵断高程(mm)+10,-154中线偏位(mm)505宽度(mm)符合设计要求6平整度(mm)157横坡(%)±0.38边坡符合设计要求合计外观鉴定减分监理意见质量保证资料减分工程质量等级评定评分:质量等级:检验负责人:检测:记录:复核:年月日石方路基分项工程质量检验评定表评-02合同号:承包人:共页第页工程名称施工时间桩号及部位检验时间基本要求实测项目项次检测项目规定值或允许偏差检验结果代表值合格率(%)权值得分123456789101压实层度、碾压遍数32纵断高程(mm)+10,-2023中线偏位(mm)5024宽度(mm)符合设计要求25平整度(mm)2026横坡(%)±0.317边坡坡度符合设计要求1平顺度符合设计要求合计外观鉴定减分监理意见质量保证资料减分工程质量等级评定评分:质量等级:检验负责人:检测:记录:复核:年月日砂垫层分项工程检验评定表评-03合同号:承包人:第页共页工程名称施工时间桩号及部位检验时间基本要求实项检测项目规定值或检验结果代合权得测项目次允许偏差表值格率(%)值分123456789101砂垫层厚度不小于设计32砂垫层宽度不小于设计13反滤层设置符合设计要求14压实度(%)902合计外观鉴定减分监理意见质量保证资料减分工程质量等级评定评分:质量等级:检验负责人:检测:记录:复核:年月日塑料排水板分项工程检验评定表评-04合同号:承包人:第页共页工程名称施工时间桩号及部位检验时间基本要求实测项目项次检测项目规定值或允许偏差检验结果代表值合格率(%)权值得分123456789101井(板)间距(mm)±15022Δ井(板)长度不小于设计33竖直度(%)1.524砂井直径(mm)+10,-015灌砂量(%)-52合计外观鉴定减分监理意见质量保证资料减分工程质量等级评定评分:质量等级:检验负责人:检测:记录:复核:年月日粉喷桩分项工程检验评定表评-05合同号:承包人:第页共页工程名称施工时间桩号及部位检验时间基本要求实测项目项次检测项目规定值或允许偏差检验结果代表值合格率(%)权值得分123456789101桩距(mm)±10012桩径(mm)不小于设计23Δ桩长(m)不小于设计34竖直度(%)1.515单桩喷粉量符合设计要求36强度(kPa)不小于设计3合计外观鉴定减分监理意见质量保证资料减分工程质量等级评定评分:质量等级:检验负责人:检测:记录:复核:年月日加筋工程土工合成材料分项工程质量检验评定表评-06合同号:承包人:共页第页工程名称施工时间桩号及部位检验时间基本要求实测项目项次检测项目规定值或允许偏差检验结果代表值合格率(%)权值得分123456789101下承层平整度、拱度符合设计要求12搭接宽度(mm)+50,-023搭接缝错开距离(mm)符合设计要求24锚固长度(mm)符合设计要求3合计外观鉴定减分监理意见质量保证资料减分工程质量等级评定评分:质量等级:检验负责人:检测:记录:复核:年月日管节预制分项工程质量检验评定表评-07合同号:承包人:第页共页工程名称施工时间桩号及部位检验时间基本要求实测项目项次检测项目规定值或允许偏差检验结果代表值合格率(%)权值得分123456789101Δ混凝土强度(MPa)在合格标准内32内径(mm)不小于设计23壁厚(mm)不小于设计壁厚-324顺直度(mm)矢度不大于0.2%管节长15长度(mm)+5,-01合计外观鉴定减分监理意见质量保证资料减分工程质量等级评定评分:质量等级:检验负责人:检测:记录:复核:年月日管道基础及管节安装分项工程质量检验评定表评-08合同号:承包人:第页共页工程名称施工时间桩号及部位检验时间基本要求实测项目项次检测项目规定值或允许偏差检验结果代表值合格率(%)权值得分123456789101Δ混凝土抗压强度或砂浆强度(MPa)在合格标准内32管轴线偏位(mm)1523管内底高程(mm)±1024基础厚度(mm)不小于设计值15管座肩宽(mm)+10,-51肩高(mm)±106抹带宽度不小于设计值2厚度不小于设计值合计外观鉴定减分监理意见质量保证资料减分工程质量等级评定评分:质量等级:检验负责人:检测:...

1、当您付费下载文档后,您只拥有了使用权限,并不意味着购买了版权,文档只能用于自身使用,不得用于其他商业用途(如 [转卖]进行直接盈利或[编辑后售卖]进行间接盈利)。
2、本站所有内容均由合作方或网友上传,本站不对文档的完整性、权威性及其观点立场正确性做任何保证或承诺!文档内容仅供研究参考,付费前请自行鉴别。
3、如文档内容存在违规,或者侵犯商业秘密、侵犯著作权等,请点击“违规举报”。

碎片内容

公路工程质量评定表格

墨香书阁+ 关注
实名认证
内容提供者

热爱教学事业,对互联网知识分享很感兴趣

确认删除?
VIP
微信客服
  • 扫码咨询
会员Q群
  • 会员专属群点击这里加入QQ群
客服邮箱
回到顶部