电脑桌面
添加小米粒文库到电脑桌面
安装后可以在桌面快捷访问

KDW1140-18D矿用隔爆兼本安电源继电器箱工艺 文件VIP免费

KDW1140-18D矿用隔爆兼本安电源继电器箱工艺 文件_第1页
1/40
KDW1140-18D矿用隔爆兼本安电源继电器箱工艺 文件_第2页
2/40
KDW1140-18D矿用隔爆兼本安电源继电器箱工艺 文件_第3页
3/40
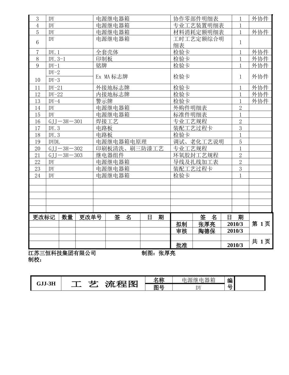
电子工业工艺文件第1册共41页共1册产品型号:KDW1140/18D产品名称:矿用隔爆兼本安电源继电器箱产品图号:DY批准:2010年3月25日江苏三恒科技集团有限公司JiangsuShineTechnologyGroupCo.,Ltd名称:KDW1140/18D型矿用隔爆兼本安电源继电器箱工艺文件文件名称图号张数工艺文件明细表DY1工艺流程图DY1协作零部件明细表DY1专业工艺装置明细表DY1材料消耗工艺定额统计表DY1检验卡DY.1、DY.2-1、DY-38DY-18、装配工艺过程卡DY、DY.3.3、DY.3.4、DY.3.56标准件明细表DY1外购件明细表DY2调试、老化工艺说明DYDL5专业工艺规程GJJ-3H-301、GJJ-3H-302GJJ-3H-3035工时工艺定额综合明细表DY1导线及扎线加工表DY2整机检验卡DY1标记处数更改文件号签字日期标记处数更改文件号签字日期备注签字表江苏三恒科技集团有限公司KDW1140/18D型矿用隔爆兼本安电源继电器箱工艺文件标记处数更改文件号签字日期设计标准化图样标记重量比例DY-GY1审定审核工艺日期共张第张GJJ-3H工艺文件明细表名称电源继电器箱图号DY序号零部整件图号零部整件名称文件名称页数备注1DY电源继电器箱签字表12DY电源继电器箱工艺流程图13DY电源继电器箱协作零部件明细表1外协件4DY电源继电器箱专业工艺装置明细表15DY电源继电器箱材料消耗定额明细表1外协件6DY电源继电器箱工时工艺定额综合明细表17DY.1全套壳体检验卡1外协件8DY.3-1印制板检验卡1外协件9DY-1铭牌检验卡1外协件10DY-2ExMA标志牌检验卡1外协件DY-311DY-21外接地标志牌检验卡1外协件12DY-22内接地标志牌检验卡1外协件13DY-4警示牌检验卡1外协件14DY电源继电器箱外购件明细表215DY电源继电器箱标准件明细表116GJJ-3H-301焊接工艺专业工艺规程217DY.3电路板装配工艺过程卡318DY.3电路板检验卡119DYDL电源继电器箱电原理调试、老化工艺说明520GJJ-3H-302印刷板清洗、刷三防漆工艺专业工艺规程121GJJ-3H-303继电器组件环氧胶封工艺规程222DY电源继电器箱导线及扎线加工表223DY电源继电器箱装配工艺过程卡324DY电源继电器箱检验卡1更改标记数量更改单号签名日期签名日期第1页拟制张厚亮2010/3审核陶德保2010/3共1页批准2010/3江苏三恒科技集团有限公司制图:张厚亮制校:GJJ-3H工艺流程图名称电源继电器箱编号图号DY更改标记数量更改单号签名日期签名日期第1页拟制张厚亮2010/3审核陶德保2010/3共1页批准2010/3江苏三恒科技集团有限公司制图:张厚亮制校:GJJ-3H协作零部件明细表名称电源继电器箱图号DY序号图号名称单台件数协作内容协作单位备注1DY.1壳体1精密焊接并加工外协件2DY.1-1法兰1精密焊接并加工外协件3DY.1-2腔体1精密焊接并加工外协件4DY.1-3槽形块1制作外协件5DY.1-4支柱8制作外协件6DY.1-5螺柱4制作外协件7DY.1-6搭脚4制作外协件8DY.2.1盖板1制作外协件9DY-5电池座1制作外协件10DY-1铭牌1制作外协件11DY-3Ex标牌1制作外协件12DY-2MA标牌1制作外协件13DY-21外接地标志牌1制作外协件14DY-22内接地标志牌1制作外协件15DY-4警示牌1制作外协件16DY.3-1印制板制作外协件17DY-6A5压紧螺母1制作外协件18DY-7A5电缆防脱压板1制作外协件19DY-8A5密封圈1制作外协件20DY-9A5垫圈1制作外协件21DY-10A5堵头1制作外协件22DY-11A4压紧螺母1制作外协件23DY-12A4电缆防脱压板1制作外协件24DY-13A4密封圈1制作外协件25DY-14A4垫圈1制作外协件26DY-15A4堵头1制作外协件27DY-16A1压紧螺母4制作28DY-17A1电缆防脱压板4制作29DY-18A1密封圈4制作30DY-19A1垫圈4制作31DY-20A1堵头4制作32DY.1-9A1联通节1制作外协件33DY.1-10A4联通节1制作外协件34DY.1-11A5联通节1制作外协件35DY.1-8外接地块1制作外协件36DY.1-7内接地块1制作外协件37DY.1-5螺柱4制作外协件更改标记数量更改单号签名日期签名日期第1页拟制张厚亮2010/3审核陶德保2010/3共3页批准2010/3江苏三恒科技集团有限公司制图:张厚亮制校:GJJ-3H专业工艺装置综合明细表名称控制主机图号DY序号零部整件工序专用工装备注图号名称编号名称名称编号件数1DY.1箱体铸造压注成形模2DY.2-1盖板组件铸造压注成形模3DY-5电池座铸造压注成形模4DY.6继电器组件铸造压注成形模5DY.2-3橡胶垫成形注塑模6DY.2-8磁铁橡胶垫成型压注成形模...

1、当您付费下载文档后,您只拥有了使用权限,并不意味着购买了版权,文档只能用于自身使用,不得用于其他商业用途(如 [转卖]进行直接盈利或[编辑后售卖]进行间接盈利)。
2、本站所有内容均由合作方或网友上传,本站不对文档的完整性、权威性及其观点立场正确性做任何保证或承诺!文档内容仅供研究参考,付费前请自行鉴别。
3、如文档内容存在违规,或者侵犯商业秘密、侵犯著作权等,请点击“违规举报”。

碎片内容

KDW1140-18D矿用隔爆兼本安电源继电器箱工艺 文件

您可能关注的文档

墨香书阁+ 关注
实名认证
内容提供者

热爱教学事业,对互联网知识分享很感兴趣

确认删除?
VIP
微信客服
  • 扫码咨询
会员Q群
  • 会员专属群点击这里加入QQ群
客服邮箱
回到顶部