电脑桌面
添加小米粒文库到电脑桌面
安装后可以在桌面快捷访问

华为RASYS网络优化质量检查标准VIP免费

华为RASYS网络优化质量检查标准_第1页
1/8
华为RASYS网络优化质量检查标准_第2页
2/8
华为RASYS网络优化质量检查标准_第3页
3/8
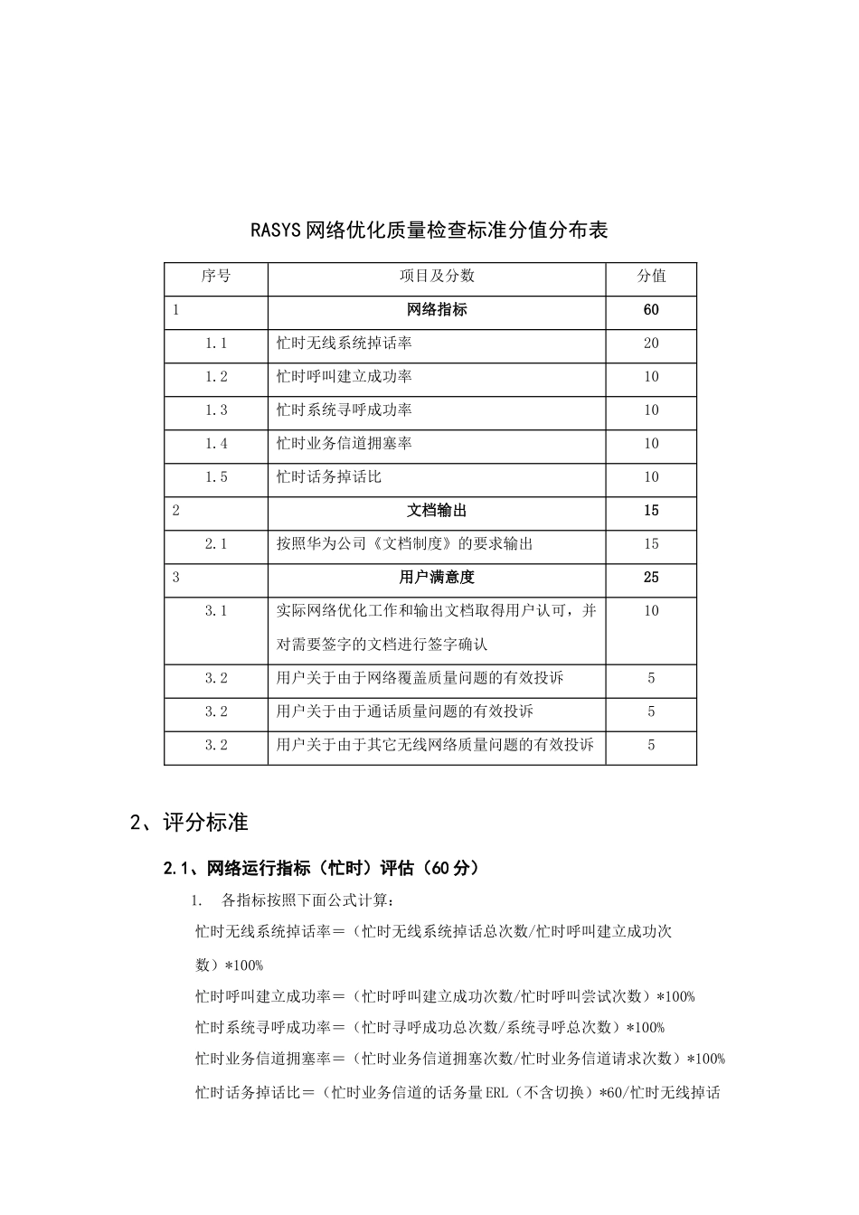
华为RASYS网络优化质量检查标准华为技术有限公司1、使用说明RASYS无线网络优化整体质量检查标准由(1)、网络性能指标,(2)、文档输出,(3)、用户满意度等三部分组成。执行中按照《华为RASYS网络优化质量检查标准》中所列的内容进行检查,每一个不合格项都减去相应的分数,对每一表格中多个不合格项所扣分数进行累加,最低扣到相应子部得分为0分为止。所有分数最后统计到汇总表中。该质量检查标准中的“网络性能指标”是指在事先规定时间的网络优化完成后,下一个星期(周一至周五)的所有忙时网络指标的平均。由于客观不可抗原因或者用户方不可扭转的要求而对以上质量评分产生影响的,应该在当时与用户签定《工程备忘录》,并随即提交给华为公司无线网络规划部签字确认,在质量检查中对其产生影响的相关项目不做扣分处理,否则按照《华为RASYS网络优化质量检查标准》的规定扣除相应分数。由于设备本身存在的问题而对以上质量评分产生影响的,应在质量检查前及时填写《技术问题反馈单》并提交给无线网络规划部进行签字确认,在质量检查中对其产生影响的相关项目不做扣分处理,否则按照《华为RASYS网络优化质量检查标准》的规定扣除相应分数。网络指标的考核得分不低于45分,文档得分不低于10分,用户满意度得分不低于20分。总分不低于75分,即为合格。否则按照百分比进行相应的扣款。扣款额按照下式计算:扣款额=应付合同款×((75-实际考核得分)/75)RASYS网络优化质量检查标准分值分布表序号项目及分数分值1网络指标601.1忙时无线系统掉话率201.2忙时呼叫建立成功率101.3忙时系统寻呼成功率101.4忙时业务信道拥塞率101.5忙时话务掉话比102文档输出152.1按照华为公司《文档制度》的要求输出153用户满意度253.1实际网络优化工作和输出文档取得用户认可,并对需要签字的文档进行签字确认103.2用户关于由于网络覆盖质量问题的有效投诉53.2用户关于由于通话质量问题的有效投诉53.2用户关于由于其它无线网络质量问题的有效投诉52、评分标准2.1、网络运行指标(忙时)评估(60分)1.各指标按照下面公式计算:忙时无线系统掉话率=(忙时无线系统掉话总次数/忙时呼叫建立成功次数)*100%忙时呼叫建立成功率=(忙时呼叫建立成功次数/忙时呼叫尝试次数)*100%忙时系统寻呼成功率=(忙时寻呼成功总次数/系统寻呼总次数)*100%忙时业务信道拥塞率=(忙时业务信道拥塞次数/忙时业务信道请求次数)*100%忙时话务掉话比=(忙时业务信道的话务量ERL(不含切换)*60/忙时无线掉话总次数)*100%2.忙时系统掉话率(20分):指标网络要求类型分值RASYS备注满分:20分≤1.5%优秀指标基本分:15分≤2%基本指标最低分:0分≥3%指标下限成绩=20分忙时系统掉话率≤1.5%成绩=20-(指标-优秀指标)*101.5%<忙时系统掉话率<2%成绩=15-(指标-基本指标)*153%≤忙时系统掉话率<2%说明:计算时“指标”指去掉“%”的取值,如忙时系统掉话率为1.7%,计算公式中“指标”就取1.7,即“成绩=20-(1.7-1.5)*15”。以下类似,不再另行说明。3.忙时呼叫建立成功率(10分):指标网络要求类型分值RASYS备注满分:10分≥99%优秀指标最低分:0分≤95%指标下限成绩=10分99%≤呼叫建立成功率成绩=(指标-95)*2.595%<呼叫建立成功率<99%成绩=0呼叫建立成功率≤95%4.忙时寻呼成功率(10分):指标网络要求类型分值RASYS备注满分:10分≥90%优秀指标最低分:0分≤70%指标下限成绩=10分90%≤忙时寻呼成功率成绩=(指标-70)*0.590%<忙时寻呼成功率<70%成绩=0忙时寻呼成功率≤70%5.忙时业务信道拥塞率(10分):指标网络要求类型分值RASYS备注满分:10分≤1%优秀指标最低分:0分≥3%指标下限成绩=10分忙时业务信道拥塞率≤1%成绩=10-(指标-1)*51%<忙时业务信道拥塞率<3%成绩=03%≤忙时业务信道拥塞率对于业务信道拥塞(即载频配置不够),与天线指向、参数设置没有关系时,如果已经向局方提供了正式的配置调整建议,经过正式沟通获得局方认可时,可以不计这些小区的影响,只对剩余小区进行统计计分。6.忙时话务掉话比(10分):指标网络要求类型分值RASYS备注满分:10分≥150优秀指标最低分:0分≤100%指标下限...

1、当您付费下载文档后,您只拥有了使用权限,并不意味着购买了版权,文档只能用于自身使用,不得用于其他商业用途(如 [转卖]进行直接盈利或[编辑后售卖]进行间接盈利)。
2、本站所有内容均由合作方或网友上传,本站不对文档的完整性、权威性及其观点立场正确性做任何保证或承诺!文档内容仅供研究参考,付费前请自行鉴别。
3、如文档内容存在违规,或者侵犯商业秘密、侵犯著作权等,请点击“违规举报”。

碎片内容

华为RASYS网络优化质量检查标准

您可能关注的文档

确认删除?
VIP
微信客服
  • 扫码咨询
会员Q群
  • 会员专属群点击这里加入QQ群
客服邮箱
回到顶部