电脑桌面
添加小米粒文库到电脑桌面
安装后可以在桌面快捷访问

工程质量管理体系及保证措施讲义VIP免费

工程质量管理体系及保证措施讲义_第1页
1/15
工程质量管理体系及保证措施讲义_第2页
2/15
工程质量管理体系及保证措施讲义_第3页
3/15
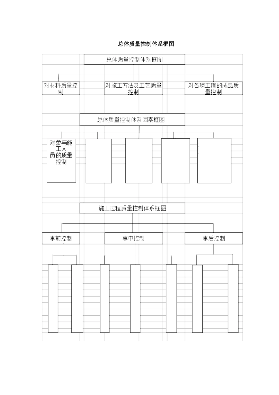
工程质量管理体系及保证措施1质量目标标段工程交工验收的质量评定:合格。竣工验收的质量评定:优良。质量目标:分项工程合格率100%,分项工程质量等级评定评分值不小于93分。2工程质量管理体系项目经理部及各施工队成立质量管理小组,第一管理者亲自抓,配齐专职质检工程师和质检员,制定相应对策和质量岗位责任制,建立质量控制体系,推行全面质量管理。详见“总体质量控制体系框图”。3确保工程质量的措施3.1组织保证措施1)调集具有丰富施工经验的队伍,选派优秀项目经理及高素质的管理人员参与施工。2)建立严格的质量管理制度,实行质量一票否决权,坚决杜绝违章违规蛮干现象发生,并在施工中加强检查落实,建立质量管理制度,做到“全过程、全方位”监控,定期检查,奖优罚劣。质量保证体系详见“质量保证体系框图”。3.2思想保障措施1)党、政、工、团密切配合,宣传优质快速建成该工程的重要意义,树立起荣誉感、责任感和使命感。2)在评比、评模、劳动竞赛评比中把质量创优作为重要议题,实行一票否决制。3.3技术保证措施桥涵工程保证施工质量措施:施工前首先复核桥涵位置是否满足其使用要求,发现不符及时上报解决。机械开挖基坑至距设计标高30cm时,采用人工开挖,避免扰动基底原状土,降低承载力。总体质量控制体系框图质量保证体系经济保证奖优罚劣实行质量保险抵押经济兑现控制保证技术保证组织保证思想保证单位工程优良施工控制加强施工现场控制进行自检、互检、交接检监理工程师检查并签证严格按标准化施工推广新技术新工艺审核图纸测量定位技术交底项目QC小组掌握规范、验标提高质量意识员工QC教育质量责任制技术岗位责任制队QC小组下道工序是用户为用户服务质量第一总结表彰先进改进工作质量质量评定提高工程质量反馈经济责任制提高施工能力工班QC小组工程回访质量保证体系砌石工程中,精心选择石料,不合要求的石料不得使用。砌石采用挤浆法施工,砌筑时保证面石与腹石交错咬合、连成一体,做到灰缝均匀,勾缝符合美观和牢固要求。加强原材料的检测工作,水泥、钢筋等厂供材料必须有出厂合格证并控制其质量规格符合施工要求。对砂、石料等地材进行性质、强度试验,严格控制其粒径及含泥量不超过规范要求。严格按设计要求和施工工艺、国家标准、规范执行,作好技术交底工作,在混凝土灌注、预应力张拉施工中严格工序检查,确保梁体线型和工程质量。张拉锚具在使用前,须经检验合格方可使用。梁体各段严格控制断面尺寸及纵向线形,防止内模两侧前后错动、变形。防水层必须按设计或施工规范要求施工,使用的防水涂料和防水卷材,除应对产品包装上的制造厂名、产品名称、产品批准号、产品规格、制造日期、生产批号等进行检查外,还应进行抽样检验,合格后,方可使用。防护工程保证施工质量措施:施工前,测量核对现场情况,与设计不符时,及时提出处理措施报监理工程师批准。工程用水在使用前做好水质分析,以确定能否使用。砂、石料的进场要事先进行试验,并对石料进行清洗工作,不合格的砂、石料严禁进入施工现场。浆砌施工使用挤浆法,并做到砂浆饱满,丁顺交错,杜绝通缝,满足《技术规范》及《验标》要求。对已完砌体覆盖洒水养生。用于混凝土的水泥、集料基及掺加剂等,应分别进行含碱量试验,尽量避免使用可能发生碱集料反应的集料,并按规范要求限制混凝土中的总含碱量。砼运抵现场,经试验坍落度符合要求后才能浇筑。砼浇筑作业连续进行,采取预备电源、拌和设备等措施确保混凝土施工作业能够连续进行.施工缝的处理,按规范或监理工程师的要求进行,在旧砼表面浇筑新砼前将其表面凿毛并清洗干净;砼终凝以后采取适当养护措施。材料采购的质量保证措施:严格按照ISO9001标准,执行分供方和材料采购、可追溯性程序,做好原材料采购质量的进场控制关。原材料采购须制定采购计划。3.4建立健全自检制度1)成立以总工程师为组长的质量检测组,详见“质量自检自控体系框图”。2)试验室配备完善的检测设备,建立完善检查制度和程序。3)定期不定期地组织质量检查,确保创优目标的实现。4)严格执行旬、月、季检制度。5)凡属隐蔽工程,自检合格后,报请监理进行复检。6)...

1、当您付费下载文档后,您只拥有了使用权限,并不意味着购买了版权,文档只能用于自身使用,不得用于其他商业用途(如 [转卖]进行直接盈利或[编辑后售卖]进行间接盈利)。
2、本站所有内容均由合作方或网友上传,本站不对文档的完整性、权威性及其观点立场正确性做任何保证或承诺!文档内容仅供研究参考,付费前请自行鉴别。
3、如文档内容存在违规,或者侵犯商业秘密、侵犯著作权等,请点击“违规举报”。

碎片内容

工程质量管理体系及保证措施讲义

墨香书阁+ 关注
实名认证
内容提供者

热爱教学事业,对互联网知识分享很感兴趣

确认删除?
VIP
微信客服
  • 扫码咨询
会员Q群
  • 会员专属群点击这里加入QQ群
客服邮箱
回到顶部