电脑桌面
添加小米粒文库到电脑桌面
安装后可以在桌面快捷访问

工程质量内部预验收制度VIP免费

工程质量内部预验收制度_第1页
1/45
工程质量内部预验收制度_第2页
2/45
工程质量内部预验收制度_第3页
3/45
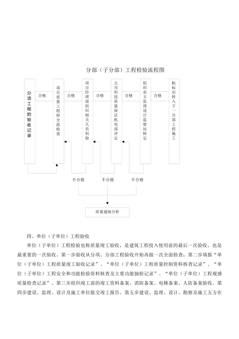
工程质量内部预验收制度一、隐蔽工程质量验收1、隐蔽工程质量验收的目的,在于使工程项目质量控制做到工序控制,内部层层把关,把质量问题消除在隐蔽之前,从而有效地控制施工质量,求得工程项目整体质量得到保证,使用户得到一个质量上放心的工程。2、隐蔽工程的概念隐蔽工程是指那些在上一道工序结束,被下一道工序所掩盖,正常情况下无法进行复查的项目。例如:地下基础工程;钢筋工程;建筑工程的防水工程和地下与水下结构的防水、防腐工程;设备封闭前的内部质量验收;以及埋入设备、结构内部及保温、防腐层的焊接工程等。3、隐蔽工程验收项目,土建工程参见验评标准“土建工程篇”,安装工程参见有关验收技术规范和验评标准,其中地基验槽应有设计专业人员签字认可。4、工程具备隐蔽条件或达到专用条款约定的中间验收部位,承包人进行自检,并在隐蔽或中间验收前48小时以书面形式通知工程师验收(合同通用条款第171条,工程报验单A7表)。二、检验批验收检验批(工序)的验收应制度化、程序化和标准化1、验收的条件:(1)检验批(工序)的验收应在自检、交接检的基础上,由工长通知质检员验收合格后请监理单位进行验收,并应形成验收文件(统一标准强制性条文第303条第5款)。(2)工程质量的验收均应在自行检查评定的基础上进行(同上第4款)。2、验收人员资格:(1)建设工程质量实行终身负责制(“条例”第77条)。(2)参加工程施工质量验收的各方人员应具备规定的资格(同上第3款)。(3)分项工程和检验批由专业监理工程师组织验收,专职质检员和技术负责人参加。检验批是工程检验的最小单位,是分项工程验收的基础。检验批的合格质量主要取决于对主控项目和一般项目的检验结果。主控项目不允许有不符合要求的检验结果。对检验批的数据主要是靠质量工程师进行收集整理并报验的。二、分项工程验收工程分项工程的验收是分部工程验收的前提。从分项工程开始,做好分部工程的质量检查与自检互检交接检自检互检记录交接检记录项目工程部专业工长初验合格项目质量工程师评定自检互检交接检自检互检记录交接检记录项目工程部专业工长初验合格合格合格合格监理工程师认可贴标识转入下一道工序质量通病分析验收,对保证工程质量十分重要。分项工程的验收在检验批的基础上进行。一般情况下两者具有相同或相近的性质,只是批量大小不同。分项工程合格质量的条件比较简单,只要构成项工程的各检验批的验收资料文件完整即可。由项目工长自行汇总报验。检验批、分项工程检验流程图不合格不合格不合格三、分部(子分部)工程验收分部工程验收在其所含分项工程的验收的基础上进行。分部工程中各分项验收资料文件必须完整。涉及安全和使用功能的地基与基础、主体结构、安装分部工程应进行有关见证取样送样试验或抽样检测。项目在工程报验前,还要经公司质量保证部、科技部、机电部复核无误后再向有关单位报验。分项工程的验收记录项目经理部组织相关人员初验合格合格公司科技质量保证机电部评定合格组织业主监理设计监督站核定贴标识转入下一分部工程施工项目质量工程师全面检查合格合格质量通病分析分部(子分部)工程检验流程图不合格不合格不合格四、单位(子单位)工程验收单位(子单位)工程检验也称质量竣工验收,是建筑工程投入使用前的最后一次验收,也是最重要的一次验收。第一步验收从分项、分部工程验收开始再做一次全面检查;第二步填报“单位(子单位)工程质量竣工验收记录”、“单位(子单位)工程质量控制资料核查记录”、“单位(子单位)工程安全和功能检验资料核查及主要功能抽检记录”、“单位(子单位)工程观感质量检查记录”。第三步组织竣工前的竣工资料备案、消防备案、电梯备案、人防备案验收。第四步建设、监理、设计及施工单位提交竣工报告。第五步建设、监理、设计、勘察及施工五方在公司科技质量保证机电部初验合格合格组织业主监理设计勘察评定合格人防电梯消防资料备案验收监督站监督五方最终核定项目经理部组织人员全面检查合格质量通病分析地方工程质量监督站的监督下进行竣工验收。单位(子单位)工程检验流程图不合格不合格不合格五、单位工程验收...

1、当您付费下载文档后,您只拥有了使用权限,并不意味着购买了版权,文档只能用于自身使用,不得用于其他商业用途(如 [转卖]进行直接盈利或[编辑后售卖]进行间接盈利)。
2、本站所有内容均由合作方或网友上传,本站不对文档的完整性、权威性及其观点立场正确性做任何保证或承诺!文档内容仅供研究参考,付费前请自行鉴别。
3、如文档内容存在违规,或者侵犯商业秘密、侵犯著作权等,请点击“违规举报”。

碎片内容

工程质量内部预验收制度

确认删除?
VIP
微信客服
  • 扫码咨询
会员Q群
  • 会员专属群点击这里加入QQ群
客服邮箱
回到顶部