电脑桌面
添加小米粒文库到电脑桌面
安装后可以在桌面快捷访问

工程工序质量评定表VIP免费

工程工序质量评定表_第1页
1/13
工程工序质量评定表_第2页
2/13
工程工序质量评定表_第3页
3/13
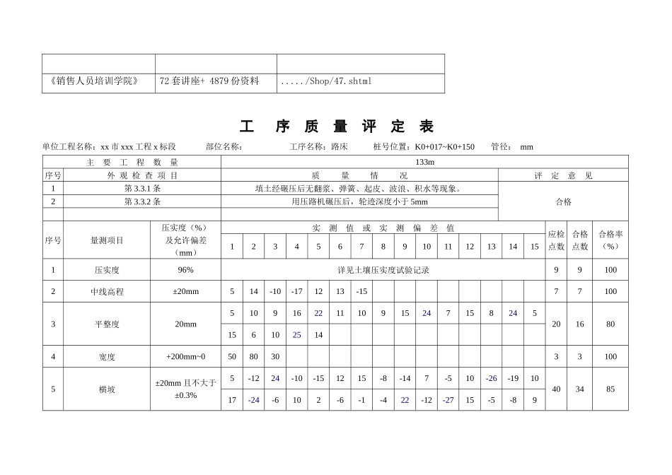
更多资料请访问.(.....)更多企业学院:...../Shop/《中小企业管理全能版》183套讲座+89700份资料...../Shop/40.shtml《总经理、高层管理》49套讲座+16388份资料...../Shop/38.shtml《中层管理学院》46套讲座+6020份资料...../Shop/39.shtml《国学智慧、易经》46套讲座...../Shop/41.shtml《人力资源学院》56套讲座+27123份资料...../Shop/44.shtml《各阶段员工培训学院》77套讲座+324份资料...../Shop/49.shtml《员工管理企业学院》67套讲座+8720份资料...../Shop/42.shtml《工厂生产管理学院》52套讲座+13920份资料...../Shop/43.shtml《财务管理学院》53套讲座+17945份资料...../Shop/45.shtml《销售经理学院》56套讲座+14350份资料...../Shop/46.shtml《销售人员培训学院》72套讲座+4879份资料...../Shop/47.shtml工序质量评定表单位工程名称:xx市xxx工程x标段部位名称:工序名称:路床桩号位置:K0+017~K0+150管径:mm主要工程数量133m序号外观检查项目质量情况评定意见1第3.3.1条填土经碾压后无翻浆、弹簧、起皮、波浪、积水等现象。合格2第3.3.2条用压路机碾压后,轮迹深度小于5mm序号量测项目压实度(%)及允许偏差(mm)实测值或实测偏差值应检点数合格点数合格率(%)1234567891011121314151压实度96%详见土壤压实度试验记录991002中线高程±20mm514-10-171213-15771003平整度20mm5109162211109152471582452016801561025144宽度+200mm~0508030331005横坡±20mm且不大于±0.3%5-1224-10-151215-8-147-510-26-191040348517-24-6102-6-1-422-12-2715-5-8910-9-814-256-41183交方班组接方班组监理意见签字:平均合格率(%)93评定等级优良施工项目技术负责人:施工员:质检员:2006年12月29日工序质量评定表单位工程名称:xx市xx工程x标段部位名称:工序名称:路床桩号位置:K0+150~K1+330管径:mm主要工程数量180m序号外观检查项目质量情况评定意见1第3.3.1条填土经碾压后无翻浆、弹簧、起皮、波浪、积水等现象。合格2第3.3.2条用压路机碾压后,轮迹深度小于5mm序号量测项目压实度(%)及允许偏差(mm)实测值或实测偏差值应检点数合格点数合格率(%)1234567891011121314151压实度96%详见土壤压实度试验记录33331002中线高程±20mm11-139754-2-25-49888.93平整度20mm10514213171222215185131512272385.271052689214187174宽度+200mm~060554045-3054805横坡±20mm且不大于±0.3%1314-15128224-12398-421-715544990.71217-2-51018-15-182116517-612-515813108-12-5814-251591410114-12-9-24-1271814-10交方班组接方班组监理意见签字:平均合格率(%)89评定等级优良施工项目技术负责人:施工员:质检员:2006年12月4日工序质量评定表单位工程名称:xx市xx工程x标段部位名称:工序名称:路床桩号位置:K0+330~K0+590管径:mm主要工程数量260m序号外观检查项目质量情况评定意见1第3.3.1条填土经碾压后无翻浆、弹簧、起皮、波浪、积水等现象。合格2第3.3.2条用压路机碾压后,轮迹深度小于5mm序号量测项目压实度(%)及允许偏差(mm)实测值或实测偏差值应检点数合格点数合格率(%)1234567891011121314151压实度96%详见土壤压实度试验记录48481002中线高程±20mm514-10-2216-541514-11-2-9131292.33平整度20mm2316487251325159171081015393384.6453612956243198242210152131671418104宽度+200mm~030204015352070771005横坡±20mm且不大于±0.3%-89-12-315-1012-511-7197-1021-13787292.34-1892615-13-1520-514-7-1513-8149810-516714234-74-17-1216-2136-4-11815-410-24691421-815127-154-9-1486-7-2221514101610-45交方班组接方班组监理意见签字:平均合格率(%)93.8评定等级优良施工项目技术负责人:施工员:质检员:2006年12月26日工序质量评定表单位工程名称:xx市xx工程x标段部位名称:工序名称:路床桩号位置:K0+450~K0+590管径:mm主要工程数量140m序号外观检查项目质量情况评定意见1第3.3.1条填土经碾压后无翻浆、弹簧、起皮、波浪、积水等现象。合格2第3.3.2条用压路机碾压后,轮迹深度小于5mm序号量测项目压实度(%)及允许偏差(mm)实测值或实测偏差值应检点数...

1、当您付费下载文档后,您只拥有了使用权限,并不意味着购买了版权,文档只能用于自身使用,不得用于其他商业用途(如 [转卖]进行直接盈利或[编辑后售卖]进行间接盈利)。
2、本站所有内容均由合作方或网友上传,本站不对文档的完整性、权威性及其观点立场正确性做任何保证或承诺!文档内容仅供研究参考,付费前请自行鉴别。
3、如文档内容存在违规,或者侵犯商业秘密、侵犯著作权等,请点击“违规举报”。

碎片内容

工程工序质量评定表

确认删除?
VIP
微信客服
  • 扫码咨询
会员Q群
  • 会员专属群点击这里加入QQ群
客服邮箱
回到顶部