电脑桌面
添加小米粒文库到电脑桌面
安装后可以在桌面快捷访问

企业管理表格 品质管理E纵表格VIP免费

企业管理表格 品质管理E纵表格_第1页
1/5
企业管理表格 品质管理E纵表格_第2页
2/5
企业管理表格 品质管理E纵表格_第3页
3/5
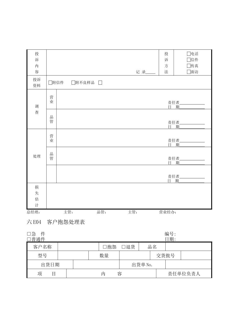
六E01顾客投诉处理程序责任部门流程顾客营销部品管部生产部技术部厂长顾客投诉投诉受理开具抱怨单投诉处理审核处理回馈注:1.顾客投诉分为口头投诉或书面投诉;2.处理对策应进行控制;3.处理方法及结果应尽快反馈给顾客。六E02顾客抱怨(退货)通知单编号:日期:主管业务主办顾客:抱怨退货型号:数量:订单N0.出货日期批号出货单号抱怨(退货)原因及不良率公司应急措施责任者预定日期防止再发对策责任者预定日期会签品管技术生产业务业务厂长核示六E03顾客投诉处理记录表No.日期:顾客名性别男女地址联络电话投诉内容记录投诉方法电话信件传真面访投诉资料附信件附不良样品调查营业责任者日期品管责任者日期处理营业责任者日期品管责任者日期责任者日期损失估计总经理:主管:品管:主管:营业经办:六E04客户抱怨处理表□急件编号:□普通件日期:客户名称□抱怨□退货品名型号数量交货批号出货日期出货单No.项目内容责任单位负责人抱怨内容公司应急措施抱怨原因及不良率分析防止再发对策抱怨处理意见会签部门厂长核对说明:1.客户抱怨意见反映单据以具体数字详细填写,内容不足表达时可另附文件;2.客户有反映一定要处理并明确答复;3.对疏失人员追究相应责任;4.客户抱怨项目确实,应防止再发生。六E05月份客诉统计表月份日期月份出货(次)客诉(次)客诉率%客诉顺位客诉问题分类顺位前月比累计123456789101112全年合计客诉率前年比:+%-%计划目标:达标未达标

1、当您付费下载文档后,您只拥有了使用权限,并不意味着购买了版权,文档只能用于自身使用,不得用于其他商业用途(如 [转卖]进行直接盈利或[编辑后售卖]进行间接盈利)。
2、本站所有内容均由合作方或网友上传,本站不对文档的完整性、权威性及其观点立场正确性做任何保证或承诺!文档内容仅供研究参考,付费前请自行鉴别。
3、如文档内容存在违规,或者侵犯商业秘密、侵犯著作权等,请点击“违规举报”。

碎片内容

企业管理表格 品质管理E纵表格

确认删除?
VIP
微信客服
  • 扫码咨询
会员Q群
  • 会员专属群点击这里加入QQ群
客服邮箱
回到顶部