电脑桌面
添加小米粒文库到电脑桌面
安装后可以在桌面快捷访问

道路运输行政执法文书式样VIP免费

道路运输行政执法文书式样_第1页
1/38
道路运输行政执法文书式样_第2页
2/38
道路运输行政执法文书式样_第3页
3/38
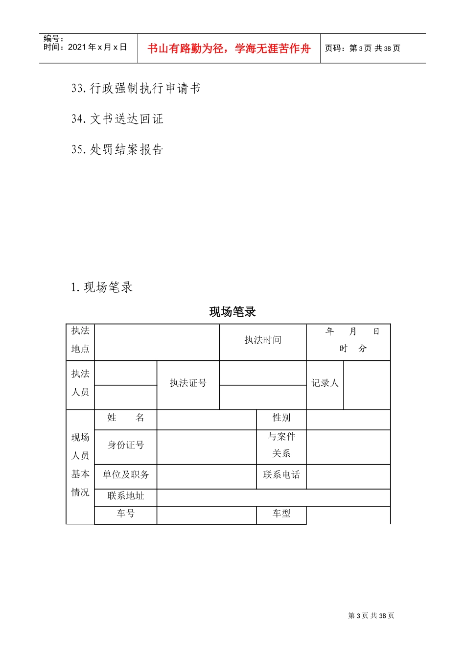
第1页共38页编号:时间:2021年x月x日书山有路勤为径,学海无涯苦作舟页码:第1页共38页附件:道路运输行政执法文书式样目录1.现场笔录2.举报记录3.立案审批表4.协助调查通知书5.询问笔录6.勘验(检查)笔录7.抽样取证凭证8.鉴定委托书9.证据登记保存清单10.证据先行登记保存处理决定书11.采取行政强制措施报批书12.道路运输暂扣车辆告知书13.道路运输暂扣车辆决定书14.道路运输延长暂扣车辆期限审批书15.道路运输延长暂扣车辆期限告知书第2页共38页编号:时间:2021年x月x日书山有路勤为径,学海无涯苦作舟页码:第2页共38页16.解除暂扣车辆决定书17.责令改正通知书18.同意回避申请决定书19.驳回回避申请决定书20.违法行为调查报告21.违法行为通知书22.听证会通知书23.听证公告24.听证笔录25.听证报告书26.重大案件集体讨论记录27.行政(当场)处罚决定书28.行政处罚决定书29.履行行政处罚决定催告书30.不予行政处罚决定书31.同意分期(延期)缴纳罚款通知书32.不予分期(延期)缴纳罚款通知书第3页共38页编号:时间:2021年x月x日书山有路勤为径,学海无涯苦作舟页码:第3页共38页33.行政强制执行申请书34.文书送达回证35.处罚结案报告1.现场笔录现场笔录执法地点执法时间年月日时分执法人员执法证号记录人现场人员基本情况姓名性别身份证号与案件关系单位及职务联系电话联系地址车号车型第4页共38页编号:时间:2021年x月x日书山有路勤为径,学海无涯苦作舟页码:第4页共38页主要内容在检查中发现:___________________________________________________________________________________________________________________________________________________________________________________________________________________________________________________________________________________________________________________________上述笔录我已看过(或已向我宣读过),情况属实无误。当事人签名:时间:备注:执法人员签名:时间:2.举报记录举报记录举报时间:举报人:性别:年龄:住所或工作单位:联系电话:身份证号码:举报内容:第5页共38页编号:时间:2021年x月x日书山有路勤为径,学海无涯苦作舟页码:第5页共38页记录人签名:时间:受理机构意见:年月日备注:3.立案审批表立案审批表案件来源受案时间案由当事人基本情况个人姓名性别年龄住址联系电话单位名称法定代表人地址联系电话第6页共38页编号:时间:2021年x月x日书山有路勤为径,学海无涯苦作舟页码:第6页共38页案件基本情况立案依据受案部门意见部门负责人签名:时间:负责人审批意见签负责人签名:时间:年月日备注4.协助调查通知书协助调查通知书:为查清一案有关事实情况,本单位将于(具体时间)进行调查取证,请予以协助。特此通知。第7页共38页编号:时间:2021年x月x日书山有路勤为径,学海无涯苦作舟页码:第7页共38页联系人:联系电话:交通管理部门(印章)年月日5.询问笔录询问笔录时间:___________________________地点:______________________________询问人:_________________________记录人:____________________________被询问人:_______________________与案件关系:________________________身份证号:_______________________联系电话:__________________________工作单位及职务:___________________________________________________详细地址:_________________________________________________________我们是___________________执法人员___________________________,执法证件号码分别是_______________________________,现依法向你询问,请如实回答第8页共38页编号:时间:2021年x月x日书山有路勤为径,学海无涯苦作舟页码:第8页共38页所问问题,否则将依法承担法律责任。问:答:询问人签名:、被询问人签名及时间:备注:6.勘验(检查)笔录勘验(检查)笔录案由:勘验(检查)时间:年月日时分至月日时分勘验(检查)场所:天气情况:勘验(检查)人:单位及职务:执法证号:勘验(检查)人:单位及职务:执法证号:当事人(当事人代理人)姓名:性别:年龄:身...

1、当您付费下载文档后,您只拥有了使用权限,并不意味着购买了版权,文档只能用于自身使用,不得用于其他商业用途(如 [转卖]进行直接盈利或[编辑后售卖]进行间接盈利)。
2、本站所有内容均由合作方或网友上传,本站不对文档的完整性、权威性及其观点立场正确性做任何保证或承诺!文档内容仅供研究参考,付费前请自行鉴别。
3、如文档内容存在违规,或者侵犯商业秘密、侵犯著作权等,请点击“违规举报”。

碎片内容

道路运输行政执法文书式样

确认删除?
VIP
微信客服
  • 扫码咨询
会员Q群
  • 会员专属群点击这里加入QQ群
客服邮箱
回到顶部