电脑桌面
添加小米粒文库到电脑桌面
安装后可以在桌面快捷访问

采煤专业规范化管理标准VIP免费

采煤专业规范化管理标准_第1页
1/55
采煤专业规范化管理标准_第2页
2/55
采煤专业规范化管理标准_第3页
3/55
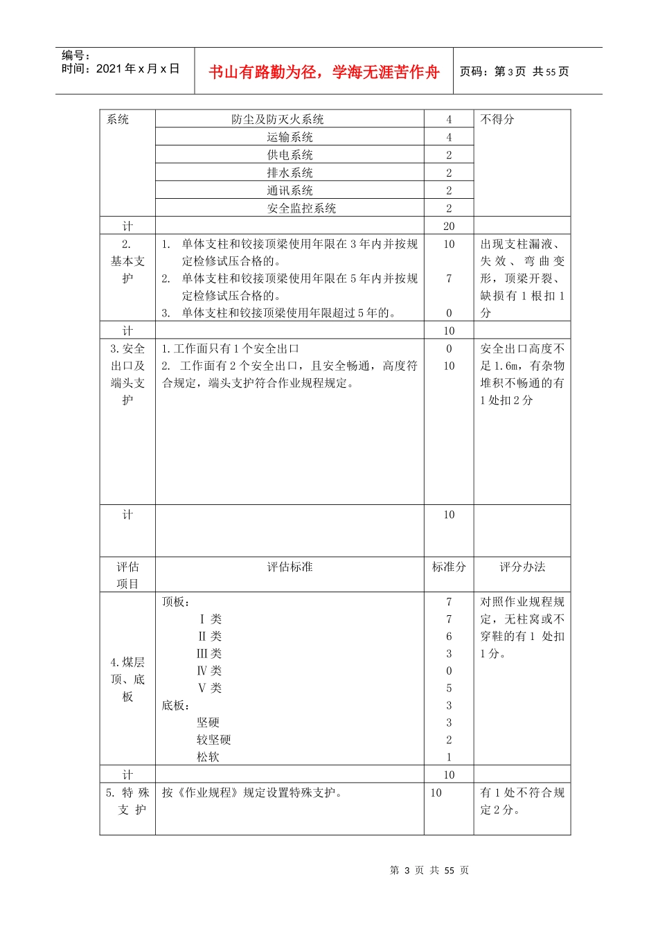
第1页共55页蕐潤天能(徐州)煤电有限公司柳泉煤矿LiuquanCoalMieChinaResourcesTianneng(Xuzou)Coal&PowerCO,Ltd编号:时间:2021年x月x日书山有路勤为径,学海无涯苦作舟页码:第1页共55页采煤专业规范化管理标准采煤一区第2页共55页第1页共55页编号:时间:2021年x月x日书山有路勤为径,学海无涯苦作舟页码:第2页共55页采煤专业规范化管理标准第一章评估办法为认真贯彻落实“安全第一、预防为主”的方针,努力实现采煤工作面安全生产,提高矿井安全保障能力,根据《安全生产法》、《矿山安全法》、《煤矿安全监察条例》、《煤矿安全规程》、《煤矿安全生产基本条件》等法律法规规定,严格安全条件,对开采工作面进行安全风险评估。工作面安全风险评估的内容包括工作面生产系统、基本支护、安全出口及端头支护、煤层顶、底板、特殊支护、煤层赋存条件、地质构造、瓦斯和煤尘、防灭火、水文地质条件十项,总分100分。评定等级1、90分及以上为A级——安全可靠程度高。2、80分及以上为B级——安全可靠程度一般,采取相应措施,可以回采。3、70分及以上为C级——安全可靠程度较差,需编制安全专篇并整改后验收。4、70分以下为D级——不可采。第二章采煤工作面评估标准评估项目评估标准标准分评分方法1.生产通风系统4系统不完善小项第3页共55页第2页共55页编号:时间:2021年x月x日书山有路勤为径,学海无涯苦作舟页码:第3页共55页系统不得分防尘及防灭火系统4运输系统4供电系统2排水系统2通讯系统2安全监控系统2计202.基本支护1.单体支柱和铰接顶梁使用年限在3年内并按规定检修试压合格的。2.单体支柱和铰接顶梁使用年限在5年内并按规定检修试压合格的。3.单体支柱和铰接顶梁使用年限超过5年的。1070出现支柱漏液、失效、弯曲变形,顶梁开裂、缺损有1根扣1分计103.安全出口及端头支护1.工作面只有1个安全出口2.工作面有2个安全出口,且安全畅通,高度符合规定,端头支护符合作业规程规定。010安全出口高度不足1.6m,有杂物堆积不畅通的有1处扣2分计10评估项目评估标准标准分评分办法4.煤层顶、底板顶板:Ⅰ类Ⅱ类Ⅲ类Ⅳ类Ⅴ类底板:坚硬较坚硬松软7763053321对照作业规程规定,无柱窝或不穿鞋的有1处扣1分。计105.特殊支护按《作业规程》规定设置特殊支护。10有1处不符合规定2分。第4页共55页第3页共55页编号:时间:2021年x月x日书山有路勤为径,学海无涯苦作舟页码:第4页共55页计106.煤层赋存条件(倾角、厚度、硬度)倾角:倾角小于15度倾角15——25度倾角25——50度倾角大于50度厚度:薄煤层中厚煤层厚煤层4430232评估项目评估标准标准分评分办法6.煤层赋存条件(倾角、厚度、硬度)硬度:硬煤中硬煤软煤231计107、地质构造断层:落差大于采高落差为采高1/3~采高落差小于采高1/3火成岩侵蚀:陷落柱:无任何构造:123225有1处扣2分计58.瓦斯和煤尘瓦斯:低瓦斯高瓦斯瓦斯与煤(岩)突出煤尘:无爆炸性煤尘有爆炸性煤尘64242不使用湿式钻眼扣2分,采取煤层注水加2分。计10评估项目评估标准标准分评分办法第5页共55页第4页共55页编号:时间:2021年x月x日书山有路勤为径,学海无涯苦作舟页码:第5页共55页9.防灭火容易自燃煤层自燃煤层不易自燃煤层245有自然倾向煤层无防灭火措施此项不得分。加扣10分计510.水文地质条件简单型(矿井涌水量<180m3/h)中等型(矿井涌水量180-600m3/h)复杂型(矿井涌水量600-1800m3/h)极复杂型(矿井涌水量>1800m3/h)10864有水患无防排水措施的此项不得分。计10总计100第三章采煤工作面安全规范标准作业程序作业规范安全要点未执行处罚标准第6页共55页第5页共55页编号:时间:2021年x月x日书山有路勤为径,学海无涯苦作舟页码:第6页共55页1.工作面两道管理1.工作面上、下两道保证巷道设计断面,保证通风、运输的畅通和行人安全。无失修巷道。100元2.两道支架完整,无断梁折柱,无变形支架,卡缆、螺丝、垫板齐全,无空帮空顶,锚网巷道支护完好,巷道高度不低于1.8m,行人宽度不小于0.7m。巷道内无积水、浮碴、杂物、积尘。100元3.材料、设备部件码放整齐并有标志牌。50元4.管线、电缆吊挂整齐,标识、编号齐全。50元5.巷道内防尘、消防设备、...

1、当您付费下载文档后,您只拥有了使用权限,并不意味着购买了版权,文档只能用于自身使用,不得用于其他商业用途(如 [转卖]进行直接盈利或[编辑后售卖]进行间接盈利)。
2、本站所有内容均由合作方或网友上传,本站不对文档的完整性、权威性及其观点立场正确性做任何保证或承诺!文档内容仅供研究参考,付费前请自行鉴别。
3、如文档内容存在违规,或者侵犯商业秘密、侵犯著作权等,请点击“违规举报”。

碎片内容

采煤专业规范化管理标准

您可能关注的文档

确认删除?
VIP
微信客服
  • 扫码咨询
会员Q群
  • 会员专属群点击这里加入QQ群
客服邮箱
回到顶部