电脑桌面
添加小米粒文库到电脑桌面
安装后可以在桌面快捷访问

汽车齿轮零件APQP实例VIP免费

汽车齿轮零件APQP实例_第1页
1/12
汽车齿轮零件APQP实例_第2页
2/12
汽车齿轮零件APQP实例_第3页
3/12
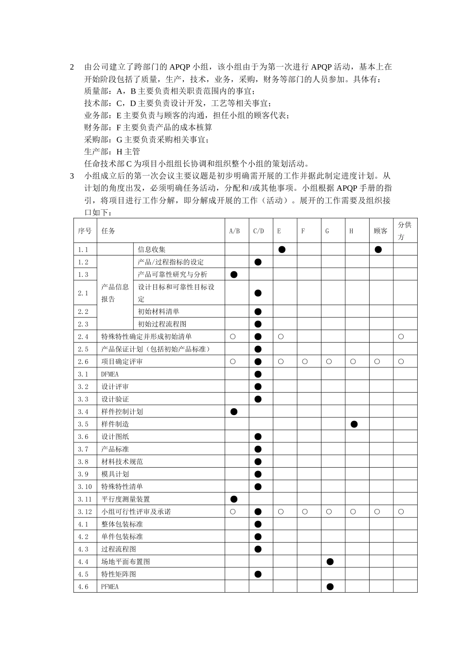
总经理生产部财务部技术部质量部办公室业务部采购部管理者代表生产计划设备组1车间检验实验室和校准成品仓库材料仓库APQP实例A公司生产汽车齿轮零件并提供给B公司进行组装,B将A提供的齿轮产品与其他零部件一起组装成汽车分总成零件再提供给某OEMA公司目前有220人,8个部门,组织机构如下:2001.3.13B公司向A公司的业务部发来一份EMAIL:APQP第一步:计划和确定项目1根据顾客要求,定义项目并确定项目范围,将顾客的要求和样品确认后转化为公司内部文件,并通过项目任务书立项。项目任务书如下:XXXX本公司希望贵公司设计和生产FD981两极同轴式斜齿圆柱齿轮减速器零件(我们将提供一个齿轮零件的样品,该样品为零件的真实尺寸要求),其他要求如下:齿轮装置的传递功率P1=40KW,齿轮转速N1=1450R/MIN,齿数比I=U=3.8,工作寿命,每年360天,每天工作16小时,工作时载荷平稳,双向运转,齿轮紧凑等。需按PPAP等级3进行相关批准。如成功能获得年批量为XX的订单。根据我们的开发进度,该产品的进度安排为:2001.5.13,提交设计样件3件并付相关设计图纸,设计样件全功能和全尺寸检验报告,其他按APQP手册进行。2001.11.14,提交生产件50个并按PPAP等级3付送相关资料。希望你们确认后根据进度和要求安排相关的质量策划过程以配合我们的工作。XXX项目定义:XXX产品定义:两极同轴式斜齿圆柱齿轮减速器;产品要求:1外观要求:XX2技术要求:齿轮装置的传递功率P1=40KW,齿轮转速N1=1450R/MIN,齿数比I=U=3.8,工作寿命,每年360天,每天工作16小时,工作时载荷平稳,双向运转,齿轮紧凑等。3成本:XX4安全性5工作范围:XX齿轮零件的设计到生产的策划;6时间进度:2001.5.13,提交顾客设计样件批准;2001.11.14,PPAP提交7人员:公司内8人参与8风险:XX2由公司建立了跨部门的APQP小组,该小组由于为第一次进行APQP活动,基本上在开始阶段包括了质量,生产,技术,业务,采购,财务等部门的人员参加。具体有:质量部:A,B主要负责相关职责范围内的事宜;技术部:C,D主要负责设计开发,工艺等相关事宜;业务部:E主要负责与顾客的沟通,担任小组的顾客代表;财务部:F主要负责产品的成本核算采购部:G主要负责采购相关事宜;生产部:H主管任命技术部C为项目小组组长协调和组织整个小组的策划活动。3小组成立后的第一次会议主要议题是初步明确需开展的工作并据此制定进度计划。从计划的角度出发,必须明确任务活动,分配和/或其他事项。小组根据APQP手册的指引,将项目进行工作分解,即分解成开展的工作(活动)。展开的工作需要及组织接口如下:序号任务A/BC/DEFGH顾客分供方1.1信息收集●●1.2产品信息报告产品/过程指标的设定●1.3产品可靠性研究与分析●2.1设计目标和可靠性目标设定●2.2初始材料清单●2.3初始过程流程图●2.4特殊特性确定并形成初始清单○●○○2.5产品保证计划(包括初始产品标准)●2.6项目确定评审○●○○○○○○3.1DFMEA●3.2设计评审●3.3设计验证●3.4样件控制计划●3.5样件制造●3.6设计图纸●3.7产品标准●3.8材料技术规范●3.9模具计划●3.10特殊特性清单●3.11平行度测量装置●3.12小组可行性评审及承诺○●○○○○○○4.1整体包装标准●4.2单件包装标准●4.3过程流程图●4.4场地平面布置图●4.5特性矩阵图●4.6PFMEA●4.7试生产控制计划●4.8过程指导书●4.9测量系统分析●4.10初始过程能力研究计划●4.11过程设计完成评审○●○○○○○○5.1试生产●5.2测量系统分析●5.3初始过程能力研究●5.4生产确认试验(型式试验)●5.5包装评价和试验●5.6生产控制计划●5.7APQP总结●5.8PPAP提交●●根据工作展开及相关职责的确定,小组进一步讨论了各项工作所需的资源及逻辑关系(对大项目建议采用网络分析方法和关键路径方法),制定了甘特图计划。针对试生产阶段的甘特图计划的例子如下:(见附件MSPROJECT文件APQP)4首先由技术部门到顾客处与顾客一起将相关的要求进一步讨论并将项目任务书中理解不一致的地方进行明确,将双方的沟通结果形成文件并确认。5在信息收集方面,小组用部分时间收集了该顾客的有关情况包括对竞争产品的质量,报刊杂志信息的分析等...

1、当您付费下载文档后,您只拥有了使用权限,并不意味着购买了版权,文档只能用于自身使用,不得用于其他商业用途(如 [转卖]进行直接盈利或[编辑后售卖]进行间接盈利)。
2、本站所有内容均由合作方或网友上传,本站不对文档的完整性、权威性及其观点立场正确性做任何保证或承诺!文档内容仅供研究参考,付费前请自行鉴别。
3、如文档内容存在违规,或者侵犯商业秘密、侵犯著作权等,请点击“违规举报”。

碎片内容

汽车齿轮零件APQP实例

您可能关注的文档

确认删除?
VIP
微信客服
  • 扫码咨询
会员Q群
  • 会员专属群点击这里加入QQ群
客服邮箱
回到顶部