电脑桌面
添加小米粒文库到电脑桌面
安装后可以在桌面快捷访问

机械设计制造及其自动化 专业教学计划VIP免费

机械设计制造及其自动化 专业教学计划_第1页
1/6
机械设计制造及其自动化 专业教学计划_第2页
2/6
机械设计制造及其自动化 专业教学计划_第3页
3/6
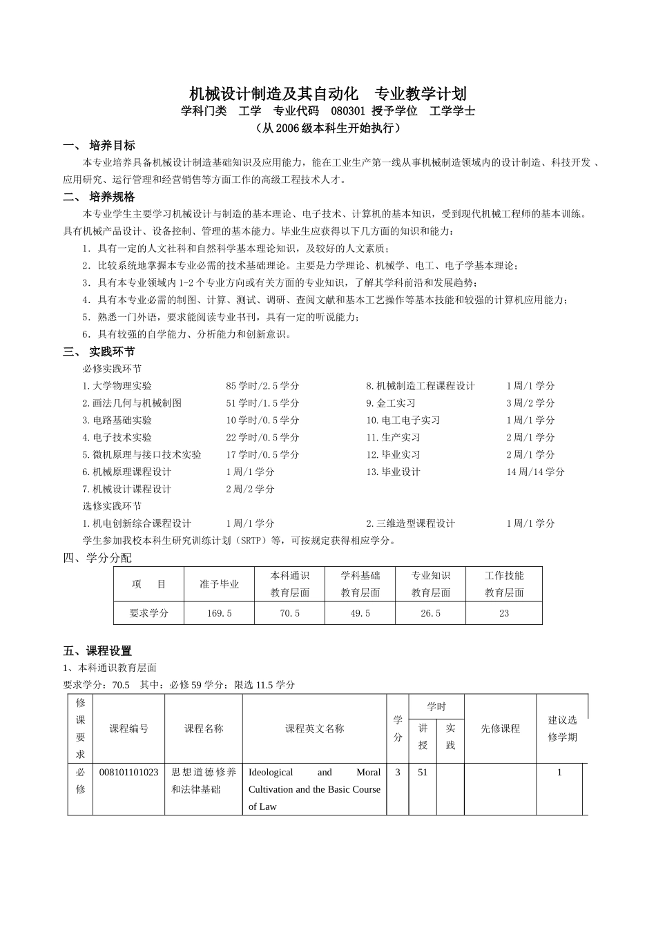
机械设计制造及其自动化专业教学计划学科门类工学专业代码080301授予学位工学学士(从2006级本科生开始执行)一、培养目标本专业培养具备机械设计制造基础知识及应用能力,能在工业生产第一线从事机械制造领域内的设计制造、科技开发、应用研究、运行管理和经营销售等方面工作的高级工程技术人才。二、培养规格本专业学生主要学习机械设计与制造的基本理论、电子技术、计算机的基本知识,受到现代机械工程师的基本训练。具有机械产品设计、设备控制、管理的基本能力。毕业生应获得以下几方面的知识和能力:1.具有一定的人文社科和自然科学基本理论知识,及较好的人文素质;2.比较系统地掌握本专业必需的技术基础理论。主要是力学理论、机械学、电工、电子学基本理论;3.具有本专业领域内1-2个专业方向或有关方面的专业知识,了解其学科前沿和发展趋势;4.具有本专业必需的制图、计算、测试、调研、查阅文献和基本工艺操作等基本技能和较强的计算机应用能力;5.熟悉一门外语,要求能阅读专业书刊,具有一定的听说能力;6.具有较强的自学能力、分析能力和创新意识。三、实践环节必修实践环节1.大学物理实验85学时/2.5学分8.机械制造工程课程设计1周/1学分2.画法几何与机械制图51学时/1.5学分9.金工实习3周/2学分3.电路基础实验10学时/0.5学分10.电工电子实习1周/1学分4.电子技术实验22学时/0.5学分11.生产实习2周/1学分5.微机原理与接口技术实验17学时/0.5学分12.毕业实习2周/1学分6.机械原理课程设计1周/1学分13.毕业设计14周/14学分7.机械设计课程设计2周/2学分选修实践环节1.机电创新综合课程设计1周/1学分2.三维造型课程设计1周/1学分学生参加我校本科生研究训练计划(SRTP)等,可按规定获得相应学分。四、学分分配项目准予毕业本科通识教育层面学科基础教育层面专业知识教育层面工作技能教育层面要求学分169.570.549.526.523五、课程设置1、本科通识教育层面要求学分:70.5其中:必修59学分;限选11.5学分修课要求课程编号课程名称课程英文名称学分学时先修课程建议选修学期讲授实践必修008101101023思想道德修养和法律基础IdeologicalandMoralCultivationandtheBasicCourseofLaw3511008101101019毛泽东思想、邓小平理论和三个代表重要思想概论AnOutlineofMaoZedongThought,DengXiaopingTheoryandtheImportantThoughtofThreeRepresents668342或3008101101025中国近现代史纲要SummaryofChineseContemporaryandModernHistory2342或3008101101021马克思主义基本原理BasicPrinciplesofMarxism3513或4008101101013形势与政策ⅠCurrentSituationandPolicyⅠ0.5173008101101015形势与政策ⅡCurrentSituationandPolicyⅡ0.5174008301101031大学英语预备级ProbationaryCollegeEnglish268四年开课不断线,修满16学分即可008301101033大学英语ⅠCollegeEnglishⅠ468008301101035大学英语ⅡCollegeEnglishⅡ468008301101037大学英语ⅢCollegeEnglishⅢ468008301101039大学英语ⅣCollegeEnglishⅣ468008301101041大学英语ⅤCollegeEnglishⅤ468008301101043大学英语ⅥCollegeEnglishⅥ468或另外一种外语的各个等级课程OtherForeignLanguages16008201103019体育ⅠPhysicalEducationⅠ1232四年开课不断线008201103021体育ⅡPhysicalEducationⅡ1232008201103023体育ⅢPhysicalEducationⅢ1232008201103025体育ⅣPhysicalEducationⅣ1232008201101027军事科学概论AnIntroductiontoMilitaryScience2344008201101029军事训练MilitaryAffairsTraining12周1008401101073高等微积分ⅠAdvancedCalculusI61021008401101075高等微积分ⅡAdvancedCalculusII4682008401101060线性代数基础IntroductiontoLinearAlgebra2343008401101052概率论与数理统计基础IntroductiontoProbabilityTheoryandMathematicalStatistics3515008501101103大学计算机基础FundamentalsofComputers334341008501101075C程序设计ProgrammingwithCLanguage334342限选至少修满11.5学分的本科通识教育限选课程2、学科基础教育层面最低要求学分:49.5其中:必修47.5学分;限选2学分;修课要求课程编号课程名称课程英文名称学分学...

1、当您付费下载文档后,您只拥有了使用权限,并不意味着购买了版权,文档只能用于自身使用,不得用于其他商业用途(如 [转卖]进行直接盈利或[编辑后售卖]进行间接盈利)。
2、本站所有内容均由合作方或网友上传,本站不对文档的完整性、权威性及其观点立场正确性做任何保证或承诺!文档内容仅供研究参考,付费前请自行鉴别。
3、如文档内容存在违规,或者侵犯商业秘密、侵犯著作权等,请点击“违规举报”。

碎片内容

机械设计制造及其自动化 专业教学计划

确认删除?
VIP
微信客服
  • 扫码咨询
会员Q群
  • 会员专属群点击这里加入QQ群
客服邮箱
回到顶部