电脑桌面
添加小米粒文库到电脑桌面
安装后可以在桌面快捷访问

南通市地方税务局基金费征收标准表汇编VIP免费

南通市地方税务局基金费征收标准表汇编_第1页
1/18
南通市地方税务局基金费征收标准表汇编_第2页
2/18
南通市地方税务局基金费征收标准表汇编_第3页
3/18
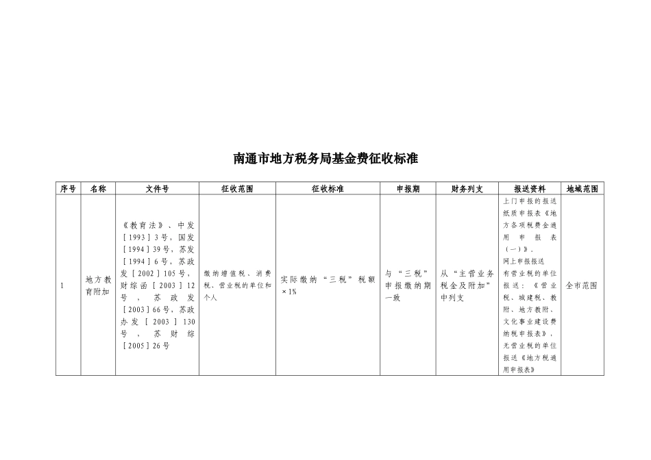
南通市地方税务局基金费征收标准序号名称文件号征收范围征收标准申报期财务列支报送资料地域范围1地方教育附加《教育法》、中发[1993]3号,国发[1994]39号,苏发[1994]6号,苏政发[2002]105号,财综函[2003]12号,苏政发[2003]66号,苏政办发[2003]130号,苏财综[2005]26号缴纳增值税、消费税、营业税的单位和个人实际缴纳“三税”税额×1%与“三税”申报缴纳期一致从“主营业务税金及附加”中列支上门申报的报送纸质申报表《地方各项税费金通用申报表(一)》。网上申报报送有营业税的单位报送:《营业税、城建税、教附、地方教附、文化事业建设费纳税申报表》,无营业税的单位报送《地方税通用申报表》全市范围2防洪保安资金通政发[1992]95号,苏政发[1996]46号,苏地税函[2002]84号,通财综[2008]24号商品批发企业、金融保险企业、城镇个体工商户、事业单位营业收入×0.5‰月后十五日内企业缴纳的防洪保安资金,在“营业外支出”科目下增设“防洪保安资金”明细科目列支。上门申报的报送纸质申报表《地方各项税费金通用申报表(一)》。网上申报报送《地方各项基金费申报表》南通市市区工业、交通、建筑安装、餐饮、商品流通零售、邮电、通信、供电及其他各类企业营业收入×1‰(“三资”企业按中方投资比例计算营业收入)月后十五日内3残疾人就业保障金《残疾人保障法》、财综字[1995]5号,省政府令1996年第78号,苏财综[1996]167号,财综[2001]89号,苏财综[2002]20号,财综[2002]33号,苏财综[2002]92号,苏地税发[2006]262号我市机关、团体、企业事业单位和其他城乡各类经济组织(以下简称“单位”)(上年末单位从业人员总数×规定应安排残疾人就业比例-上年末单位已安排从业残疾人员数)×统计部门公布的本地区上年度职工平均工资×征收比例=应缴纳保障金。每年4月30日为残疾人按比例就业工作年报核报截止时间。每年5月1日—6月30日为保障金征缴期。各类企业等经济组织缴纳的保障金在管理费中税前列支;实行部门预算的行政事业单位缴纳的保障金编入部门预算;其他单位缴纳的保障金在自有资金中列支。年报核报须带资料:(1)《南通市按比例安排残疾人就业手册》;(2)劳动用工情况表或机关事业单位编制登记簿;(3)残疾职工的《中华人民共和国残疾人证》或《中华人民共和国伤残军人证》;(4)单位与残疾职工签订的劳动南通市市区、通州区、海门市、如东县、如皋市用工合同;(5)残疾职工的养老保险单等资料。申报时需带资料:上门申报的报送纸质申报表《地方各项税费金通用申报表(二)》。网上申报报送《地方各项基金费申报表》4综合基金《人民防空法》、中发〔2001〕9号、《江苏省实施〈中华人民共和国人民防空法〉办法》。苏防办字〔2002〕52号)。通防字[2003]50号,通财综[2003]17号,机关、事业单位(自收自支除外)、人民团体53元/年·人每年7-9月由个人自行负担,企业不得列支。上门申报的报送纸质申报表《地方各项税费金通用申报表(二)》。网上申报报送《地方各项基金费申报表》南通市市区自收自支事业单位67元/年·人每年7-9月外商独资、外商控股企业中方职工49元/年·人每年7-9月各类企业(除外商独资、外商控股企业)57元/年·人每年7-9月14元人防基金部分由企业从通价费[2003]61号、通政发[1992]95号,苏政发[1996]46号,苏地税函[2002]84号,通财综[2008]24号、通地税函〔2004〕89号、通政办发〔2002〕22号“营业外支出”中列支,其余由个人自行负担,企业不得列支。个体工商户(按户)69元/年·户每年7-9月5通州防洪保安资金财综字[1998]143号苏政发[1999]46号,苏财字[2008]48号,通政办发[2008]104号,通州地税[2008]196号商品流通批发企业营业收入×0.5‰月后十五日内企业缴纳的防洪保安资金,在“营业外支出”科目下增设“防洪保安资金”明细科目列支。上门申报的报送纸质申报表《地方各项税费金通用申报表》。网上申报报送《地方各项基金费申报表》南通市通州区金融企业(银行、保险公司)营业收入×0.6‰月后十五日内工业、交通、农业等生产企业营业收入×1‰(“三资”企业按中方投资比例计算营业收入)月...

1、当您付费下载文档后,您只拥有了使用权限,并不意味着购买了版权,文档只能用于自身使用,不得用于其他商业用途(如 [转卖]进行直接盈利或[编辑后售卖]进行间接盈利)。
2、本站所有内容均由合作方或网友上传,本站不对文档的完整性、权威性及其观点立场正确性做任何保证或承诺!文档内容仅供研究参考,付费前请自行鉴别。
3、如文档内容存在违规,或者侵犯商业秘密、侵犯著作权等,请点击“违规举报”。

碎片内容

南通市地方税务局基金费征收标准表汇编

确认删除?
VIP
微信客服
  • 扫码咨询
会员Q群
  • 会员专属群点击这里加入QQ群
客服邮箱
回到顶部