电脑桌面
添加小米粒文库到电脑桌面
安装后可以在桌面快捷访问

井架安装工程质量评定表VIP免费

井架安装工程质量评定表_第1页
1/28
井架安装工程质量评定表_第2页
2/28
井架安装工程质量评定表_第3页
3/28
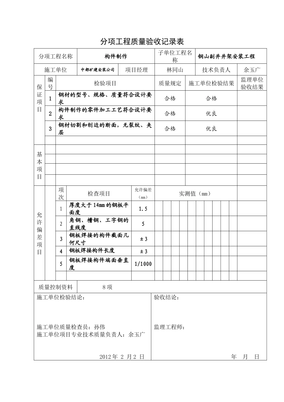
子单位工程质量评定表工程名称:铜山副井工程单位工程名称:铜山副井井架安装工程项次项目评定情况1分项工程质量评定汇总共8分项其中优良8分项优良率100%2质量保证资料评定共核查159项其中符合要求159项经鉴定符合要求159项3观感质量评定优良4评定等级:优良工程负责人:张弛技术负责人:余玉广公章2012年6月21日分项工程质量验收记录表分项工程名称构件制作子单位工程名称铜山副井井架安装工程施工单位中都矿建安装公司项目经理林同山技术负责人余玉广保证项目编号检验项目质量规定施工单位检验结果监理单位验收结果1钢材的型号、规格、质量符合设计要求合格合格2构件制作的零件加工工艺符合设计要求合格优良3钢材切割和刨边的断面,无裂纹、夹层合格优良基本项目允许偏差项目项次检查项目允许偏差(mm)实测值(mm)1厚度大于14mm的钢板平面度1.52角钢、槽钢、工字钢的直线度53钢板焊接的构件截面几何尺寸±34钢板焊接构件长度±35钢板焊接构件端面垂直度1/1000质量控制资料8项施工单位检验结论:施工单位质量检查员:孙伟施工单位项目专业技术质量负责人:余玉广2012年2月2日验收结论:监理工程师:年月日分项工程质量验收记录表分项工程名称构件制作子单位工程名称铜山副井井架安装工程施工单位中都矿建安装公司项目经理林同山技术负责人余玉广保证项目编号检验项目质量规定施工单位检验结果监理单位验收结果1钢材的型号、规格、质量符合设计要求合格合格2构件制作的零件加工工艺符合设计要求合格优良3钢材切割和刨边的断面,无裂纹、夹层合格优良基本项目允许偏差项目项次检查项目允许偏差(mm)实测值(mm)1厚度大于14mm的钢板平面度1.52角钢、槽钢、工字钢的直线度53钢板焊接的构件截面几何尺寸±34钢板焊接构件长度±35钢板焊接构件端面垂直度1/1000质量控制资料8项施工单位检验结论:施工单位质量检查员:孙伟施工单位项目专业技术质量负责人:余玉广2012年2月4日验收结论:监理工程师:年月日分项工程质量验收记录表分项工程名称构件制作子单位工程名称铜山副井井架安装工程施工单位中都矿建安装公司项目经理林同山技术负责人余玉广保证项目编号检验项目质量规定施工单位检验结果监理单位验收结果1钢材的型号、规格、质量符合设计要求合格合格2构件制作的零件加工工艺符合设计要求合格优良3钢材切割和刨边的断面,无裂纹、夹层合格优良基本项目允许偏差项目项次检查项目允许偏差(mm)实测值(mm)1厚度大于14mm的钢板平面度1.52角钢、槽钢、工字钢的直线度53钢板焊接的构件截面几何尺寸±34钢板焊接构件长度±35钢板焊接构件端面垂直度1/1000质量控制资料8项施工单位检验结论:施工单位质量检查员:孙伟施工单位项目专业技术质量负责人:余玉广2012年2月8日验收结论:监理工程师:年月日分项工程质量验收记录表分项工程名称构件制作子单位工程名称铜山副井井架安装工程施工单位中都矿建安装公司项目经理林同山技术负责人余玉广保证项目编号检验项目质量规定施工单位检验结果监理单位验收结果1钢材的型号、规格、质量符合设计要求合格合格2构件制作的零件加工工艺符合设计要求合格优良3钢材切割和刨边的断面,无裂纹、夹层合格优良基本项目允许偏差项目项次检查项目允许偏差(mm)实测值(mm)1厚度大于14mm的钢板平面度1.52角钢、槽钢、工字钢的直线度53钢板焊接的构件截面几何尺寸±34钢板焊接构件长度±35钢板焊接构件端面垂直度1/1000质量控制资料8项施工单位检验结论:施工单位质量检查员:孙伟施工单位项目专业技术质量负责人:余玉广2012年2月10日验收结论:监理工程师:年月日分项工程质量验收记录表分项工程名称梯子平台制作子单位工程名称铜山副井井架安装工程施工单位中都矿建安装公司项目经理林同山技术负责人余玉广保证项目编号检验项目质量规定施工单位检验结果监理单位验收结果1钢材的型号、规格、质量符合设计要求合格合格2构件制作的零件加工工艺符合设计要求合格优良3钢材切割和刨边的断面,无裂纹、夹层合格优良基本项目允许偏差项目项次检查项目允许偏差(mm)实测值(mm)1平台的长度和宽度±42平台表面的平面度3/10003梯子长度±54梯子宽度±35...

1、当您付费下载文档后,您只拥有了使用权限,并不意味着购买了版权,文档只能用于自身使用,不得用于其他商业用途(如 [转卖]进行直接盈利或[编辑后售卖]进行间接盈利)。
2、本站所有内容均由合作方或网友上传,本站不对文档的完整性、权威性及其观点立场正确性做任何保证或承诺!文档内容仅供研究参考,付费前请自行鉴别。
3、如文档内容存在违规,或者侵犯商业秘密、侵犯著作权等,请点击“违规举报”。

碎片内容

井架安装工程质量评定表

确认删除?
VIP
微信客服
  • 扫码咨询
会员Q群
  • 会员专属群点击这里加入QQ群
客服邮箱
回到顶部