电脑桌面
添加小米粒文库到电脑桌面
安装后可以在桌面快捷访问

绿化工程监理项目实施方案VIP免费

绿化工程监理项目实施方案_第1页
1/67
绿化工程监理项目实施方案_第2页
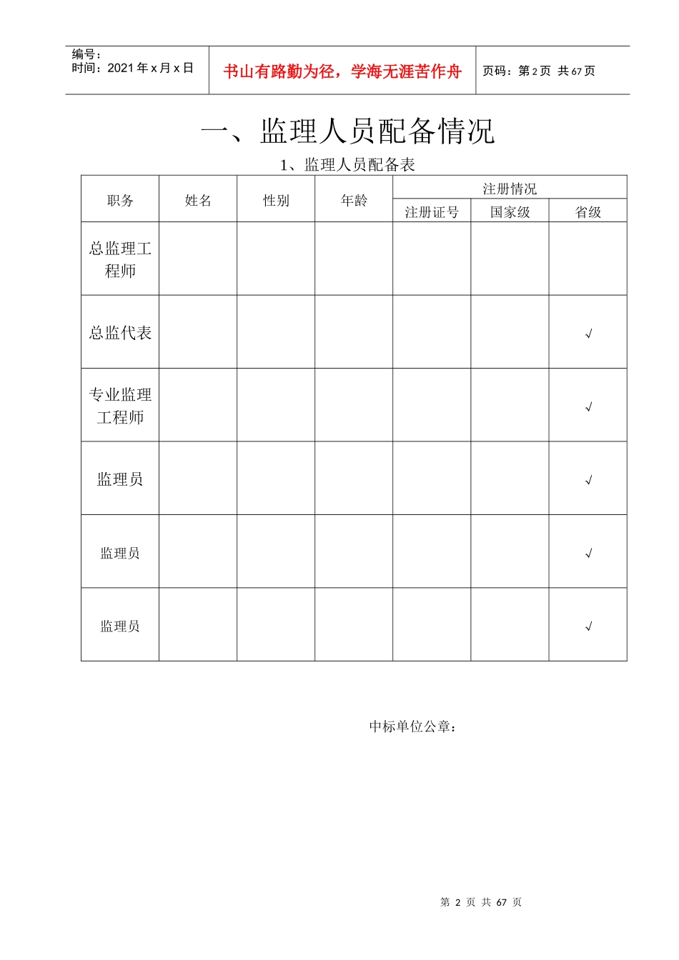
2/67
绿化工程监理项目实施方案_第3页
3/67
段绿化工程监理项目2015CFFZ0053段绿化工程监理项目实施方案项目编号:项目名称:中标单位:(盖公章)法定代表人或其委托代理人:(签字或盖章)日期:2015年3月19日第1页共67页编号:时间:2021年x月x日书山有路勤为径,学海无涯苦作舟页码:第1页共67页目录一、监理人员配备情况..................................................................................21、监理人员配备表...................................................................................22、总监理工程师证书复印件(加盖中标单位公章)...........................33、其他人员证书复印件(加盖中标单位公章)...................................4二、监理大纲................................................................................................10第一章工程项目概况...........................................................................10第二章监理工作阶段、范围、内容、目标及程序...........................10第三章项目监理组织机构及职能.......................................................13第四章监理工作的依据.......................................................................17第五章施工阶段监理方案...................................................................18第六章保修阶段监理方案...................................................................65第2页共67页第1页共67页编号:时间:2021年x月x日书山有路勤为径,学海无涯苦作舟页码:第2页共67页一、监理人员配备情况1、监理人员配备表职务姓名性别年龄注册情况注册证号国家级省级总监理工程师总监代表√专业监理工程师√监理员√监理员√监理员√中标单位公章:第3页共67页第2页共67页编号:时间:2021年x月x日书山有路勤为径,学海无涯苦作舟页码:第3页共67页2、总监理工程师证书复印件(加盖中标单位公章)第4页共67页第3页共67页编号:时间:2021年x月x日书山有路勤为径,学海无涯苦作舟页码:第4页共67页总监理工程师联系方式(须是真实有效的):手机:3、其他人员证书复印件(加盖中标单位公章)监理员:第5页共67页第4页共67页编号:时间:2021年x月x日书山有路勤为径,学海无涯苦作舟页码:第5页共67页监理员:第6页共67页第5页共67页编号:时间:2021年x月x日书山有路勤为径,学海无涯苦作舟页码:第6页共67页监理员:第7页共67页第6页共67页编号:时间:2021年x月x日书山有路勤为径,学海无涯苦作舟页码:第7页共67页监理员:第8页共67页第7页共67页编号:时间:2021年x月x日书山有路勤为径,学海无涯苦作舟页码:第8页共67页监理员:第9页共67页第8页共67页编号:时间:2021年x月x日书山有路勤为径,学海无涯苦作舟页码:第9页共67页监理大纲第10页共67页第9页共67页编号:时间:2021年x月x日书山有路勤为径,学海无涯苦作舟页码:第10页共67页二、监理大纲第一章工程项目概况1、项目编号:2、项目名称:3、工程施工监理内容:主第二章监理工作阶段、范围、内容、目标及程序一、监理工作阶段、范围本项目监理工作阶段包括施工阶段及保修阶段。监理范围为:场地测量、场地平整、土壤处理、苗木种植、苗木管理等工程的全过程施工监理。二、施工准备阶段监理工作内容1、按照承包商提交的施工准备进度计划,检查落实施工组织机构人员到位情况。尽快投入工作。2、按照承包商提交的施工准备进度计划,检查并督促施工前施工现场相关生产生活设施的准备和搭建情况。3、督促承包商按工程所在地的政府管理部门规定办理《施工许可证》、《施工安全生产许可证》、交纳项目工程保险等开工前相关手续。4、按照承包商提交的施工准备进度计划,督促落实施工机械的按时进场和完好维护,保证安全、正常使用。5、按照承包商提交的施工准备进度计划,落实主要材料的供应渠道和供应商,参与供应商的考察和合同意向谈判工作。为工程顺利开工建设打下基础。6、督促承包商做好施工前施工组织设计(方案)编制、施工图审核、关键分部分项工程的施工技术措施编制工作...

1、当您付费下载文档后,您只拥有了使用权限,并不意味着购买了版权,文档只能用于自身使用,不得用于其他商业用途(如 [转卖]进行直接盈利或[编辑后售卖]进行间接盈利)。
2、本站所有内容均由合作方或网友上传,本站不对文档的完整性、权威性及其观点立场正确性做任何保证或承诺!文档内容仅供研究参考,付费前请自行鉴别。
3、如文档内容存在违规,或者侵犯商业秘密、侵犯著作权等,请点击“违规举报”。

碎片内容

绿化工程监理项目实施方案

精品中小学资料+ 关注
实名认证
内容提供者

精品文档

确认删除?
VIP
微信客服
  • 扫码咨询
会员Q群
  • 会员专属群点击这里加入QQ群
客服邮箱
回到顶部