电脑桌面
添加小米粒文库到电脑桌面
安装后可以在桌面快捷访问

福熙大道售楼处室内装饰工程施工组织设计VIP免费

福熙大道售楼处室内装饰工程施工组织设计_第1页
1/68
福熙大道售楼处室内装饰工程施工组织设计_第2页
2/68
福熙大道售楼处室内装饰工程施工组织设计_第3页
3/68
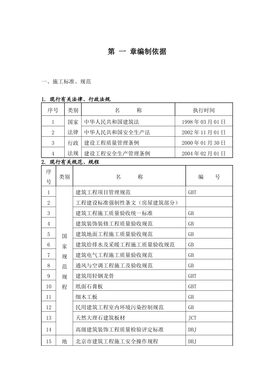
(此文档为word格式,下载后您可任意编辑修改!)目录第一章编制依据...................................................................................................................3一、施工标准、规范...............................................................................................................3第二章工程概况...................................................................................................................5一、建设概况..........................................................................................................................5二、工程建述..........................................................................................................................5三、施工范围..........................................................................................................................6第三章工程目标...................................................................................................................7第四章施工部署...................................................................................................................8一、组织机构及管理职能.......................................................................................................8二、施工顺序及工序流程.....................................................................................................11三、施工进度计划.................................................................................................................11四、劳动力计划.....................................................................................................................12五、物资需用计划.................................................................................................................12六、技术准备.........................................................................................................................12七、临时设施.........................................................................................................................151.施工总平面布置.............................................................................................................152.材料运输.........................................................................................................................153.施工用水计划.................................................................................................................154.施工用电计划.................................................................................................................16第五章主要施工方法.........................................................................................................18一、石膏板吊顶.....................................................................................................................18二、矿棉板吊顶.....................................................................................................................21三、石膏板隔墙.....................................................................................................................23四、玻璃隔墙.........................................................................................................................26五、墙面木饰面.....................................................................................................................28...

1、当您付费下载文档后,您只拥有了使用权限,并不意味着购买了版权,文档只能用于自身使用,不得用于其他商业用途(如 [转卖]进行直接盈利或[编辑后售卖]进行间接盈利)。
2、本站所有内容均由合作方或网友上传,本站不对文档的完整性、权威性及其观点立场正确性做任何保证或承诺!文档内容仅供研究参考,付费前请自行鉴别。
3、如文档内容存在违规,或者侵犯商业秘密、侵犯著作权等,请点击“违规举报”。

碎片内容

福熙大道售楼处室内装饰工程施工组织设计

您可能关注的文档

确认删除?
VIP
微信客服
  • 扫码咨询
会员Q群
  • 会员专属群点击这里加入QQ群
客服邮箱
回到顶部