电脑桌面
添加小米粒文库到电脑桌面
安装后可以在桌面快捷访问

石油化工规范VIP免费

石油化工规范_第1页
1/128
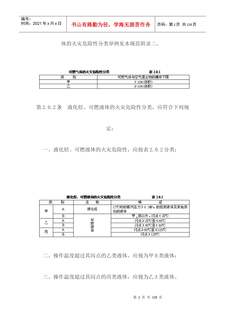
石油化工规范_第2页
2/128
石油化工规范_第3页
3/128
第1页共128页编号:时间:2021年x月x日书山有路勤为径,学海无涯苦作舟页码:第1页共128页第一章总则第1.0.1条为了保障人身和财产的安全,在石油化工企业设计中,贯彻“预防为主,防消结合”的方针,采取防火措施,防止和减少火灾危害,特制定本规范。第1.0.2条本规范适用于以石油、天然气及其产品为原料的石油化工新建、扩建或改建工程的防火设计。第1.0.3条石油化工企业的防火设计应按本规范执行;本规范未作规定者,应符合有关现行国家标准规范的要求或规定。第二章可燃物质的火灾危险性分类第2.0.1条可燃气体的火灾危险性,应按表2.0.1分类。可燃气第2页共128页第1页共128页编号:时间:2021年x月x日书山有路勤为径,学海无涯苦作舟页码:第2页共128页体的火灾危险性分类举例见本规范附录二。第2.0.2条液化烃、可燃液体的火灾危险性分类,应符合下列规定:一、液化烃、可燃液体的火灾危险性,应按表2.0.2分类;二、操作温度超过其闪点的乙类液体,应视为甲B类液体;三、操作温度超过其闪点的丙类液体,应视为乙A类液体。第3页共128页第2页共128页编号:时间:2021年x月x日书山有路勤为径,学海无涯苦作舟页码:第3页共128页液化烃、可燃液体的火灾危险性分类举例,见本规范附录三。第2.0.3条固体的火灾危险性分类,应按现行国家标准《建筑设计防火规范》的有关规定执行。甲、乙、丙类固体的火灾危险性分类举例,见本规范附录四。第三章区域规划与工厂总体布置第一节区域规划第3.1.1条在进行区域规划时,应根据石油化工企业及其相邻的工厂或设施的特点和火灾危险性,结合地形,风向等条件,合理布置。第3.1.2条石油化工企业的生产区,宜位于邻近城镇或居住区全年最小频率风向的上风侧。第4页共128页第3页共128页编号:时间:2021年x月x日书山有路勤为径,学海无涯苦作舟页码:第4页共128页第3.1.3条在山区或丘陵地区,石油化工企业的生产区应避免布置在窝风地带。第3.1.4条石油化工企业的生产区沿江河岸布置时,宜位于邻近江河的城镇、重要桥梁、大型锚地、船厂等重要建筑物或构筑物的下游。第3.1.5条石油化工企业的液化烃或可燃液体的罐区邻近江河、海岸布置时,应采取防止泄漏的可燃液体液入水域的措施。第3.1.6条公路和地区架空电力线路,严禁穿越生产区。区域排洪沟不宜通过厂区。第3.1.7条石油化工企业与相邻工厂或设施的防火间距,不应小于表3.1.7的规定。第5页共128页第4页共128页编号:时间:2021年x月x日书山有路勤为径,学海无涯苦作舟页码:第5页共128页防火间距的起止点,应符合本规范附录六的规定。高架火炬的防火距离,应经辐射热计算确定;对可能携带可燃液体的高架火炬的防火距离,并不应小于表3.1.7规定。注:①括号内指防火间距起止点。②当相邻设施为港区陆域、重要物品仓库和堆场、军事设施、机场等,对石油化工企业的安全距离有特殊要求时,应按有关规定执行。第6页共128页第5页共128页编号:时间:2021年x月x日书山有路勤为径,学海无涯苦作舟页码:第6页共128页③丙类工艺装置或设施的防火距离,可按甲、乙类工艺装置或设施的规定减少25%。第二节工厂总平面布第3.2.1条工厂总平面,应根据工厂的生产流程及各组成部分的生产特点和火灾危险性,结合地形、风向等条件,按功能分区集中布置。第3.2.2条可能散发可燃气体的工艺装置、罐组、装卸区或全厂性污水处理场等设施,宜布置在人员集中场所,及明火或散发火花地点的全年最小频率风向的上风侧;在山区或丘陵地区,并应避免布置在窝风地带。第7页共128页第6页共128页编号:时间:2021年x月x日书山有路勤为径,学海无涯苦作舟页码:第7页共128页第3.2.3条液化烃罐组或可燃液体罐组,不应毗邻布置在高于工艺装置、全厂性重要设施或人员集中场所的阶梯上。但受条件限制或有工艺要求时,可燃液体原料储罐可毗邻布置在高于工艺装置的阶梯上。第3.2.4条当厂区采用阶梯式布置时,阶梯间应有防止泄漏的可燃液体漫流的措施。第3.2.5条液化烃罐组或可燃液体罐组,不宜紧靠排洪沟布置。第3.2.6条空气分离装置,应布置在空气清洁地段并位于散发乙炔、其他烃类气体、粉尘等场所的全年最小频率风向的下风侧。第3.2.7条全...

1、当您付费下载文档后,您只拥有了使用权限,并不意味着购买了版权,文档只能用于自身使用,不得用于其他商业用途(如 [转卖]进行直接盈利或[编辑后售卖]进行间接盈利)。
2、本站所有内容均由合作方或网友上传,本站不对文档的完整性、权威性及其观点立场正确性做任何保证或承诺!文档内容仅供研究参考,付费前请自行鉴别。
3、如文档内容存在违规,或者侵犯商业秘密、侵犯著作权等,请点击“违规举报”。

碎片内容

石油化工规范

您可能关注的文档

确认删除?
VIP
微信客服
  • 扫码咨询
会员Q群
  • 会员专属群点击这里加入QQ群
客服邮箱
回到顶部