电脑桌面
添加小米粒文库到电脑桌面
安装后可以在桌面快捷访问

企业管理表格 品质管理B纵表格VIP免费

企业管理表格 品质管理B纵表格_第1页
1/11
企业管理表格 品质管理B纵表格_第2页
2/11
企业管理表格 品质管理B纵表格_第3页
3/11
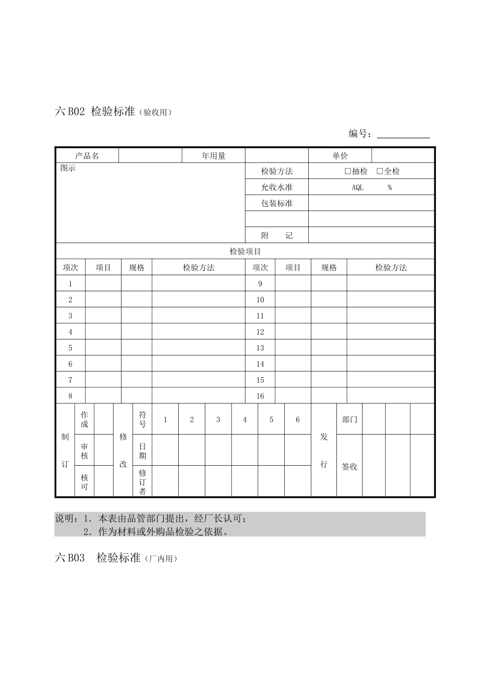
六B01进料检验说明书NO.材料名料号使用机种检验方法:项次检验项目AQL%规格检验方法检验要点备注审核:制表:六B02检验标准(验收用)编号:产品名年用量单价图示检验方法□抽检□全检允收水准AQL%包装标准附记检验项目项次项目规格检验方法项次项目规格检验方法19210311412513614715816制订作成修改符号123456发行部门审核日期签收核可修订者说明:1.本表由品管部门提出,经厂长认可;2.作为材料或外购品检验之依据。六B03检验标准(厂内用)编号:产品号工程名称使用方法抽检全检图示检验项目项次项目规格检验方法123456不良要因分析图工程标准不良率改善责任者制作成修符号①②③④⑤⑥发部门订订送审核日期签收认可修订者说明:1.本表由品管部提出,经厂长认可;2.作为厂内生产之检验依据。六B04材料试用检验报告书编号:日期:试用检验材料名称规格/型号委托部门试用检验部门检验项目检验标准结果记录备注1234567检验、试用结果检验、试用者:委托者:说明:1.材料依其需检验特性送相关部门检验;2.材料各使用部门的实际操作、装配及性能检验;3.检验的项目、结果和标准对比,可清楚体现被检验材料是否合格;4.委托者和检验负责人作相应的记录以便可追溯。六B05进货检验规范书编号:日期:料号:品名:规格:适用范围:NO.检验项目检验水准检验规格图示说明S-IIN-II其他备注:认可核对承办抽样计划AQL(允收水准)MIL-STD-10SDMaj.Min.Min.六B06材料入厂检验记录表编号:日期:供应商订购单号品名型号数量抽样情况:AQL:样本n:合格判定数Ac:不合格判定数Re:检验项目不良状况不合格数结果备注AcReAcReAcReAcReAcRe检验员:主管/日期:厂长/日期:说明:1.以材料别检验结果提出报告;2.必要时,可作为付款、发料追溯的依据;3.综合判定即合格或不合格;4.作为和材料供应商联络的凭据。六B07进料检验记录编号:日期:供料商品名规格交货数量交货日期检验方□加严检验Maj样本数最终判定□允收□特采□正常检验Nom□减量检验Min式□选别□拒收允收水准AQL=%判定MajNomMinACRE验收状况:项次规格公差检验方法检验结果备注12345678910123456附记:说明:1.以产品别做检验;2.作为付款之依据。六B08进料检验日报表日期主管制表1.国外来料项品名规格数供料检验方式不合格批不良数主要处置次(料号)量厂商检验批检验数不良全检抽检允收拒收选别2.国内来料3.本日特记事项六B09材料不良改善通知书No.日期:供料商品名规格(料号)交货日期交货单号交货数量检验方法□全检□抽检不良数检验数不良率%前批不良率%不良内容(图示)项次不良项目不良数不良率备注1234567本公司应急措施执行责任者:供料厂商防止再发对策预定完成时间:改善品标示:本公司供料厂商提出主管厂长品管负责人说明:1.就被判定拒收或特别采用之检验批向供应厂商发出;2.供应厂商应限期回复。六B10月份物料拒收报表月份:日期:日期交货单NO.料名料号数量供应厂商厂商编号交货日不良内容处理方法合计主管:制表:

1、当您付费下载文档后,您只拥有了使用权限,并不意味着购买了版权,文档只能用于自身使用,不得用于其他商业用途(如 [转卖]进行直接盈利或[编辑后售卖]进行间接盈利)。
2、本站所有内容均由合作方或网友上传,本站不对文档的完整性、权威性及其观点立场正确性做任何保证或承诺!文档内容仅供研究参考,付费前请自行鉴别。
3、如文档内容存在违规,或者侵犯商业秘密、侵犯著作权等,请点击“违规举报”。

碎片内容

企业管理表格 品质管理B纵表格

确认删除?
VIP
微信客服
  • 扫码咨询
会员Q群
  • 会员专属群点击这里加入QQ群
客服邮箱
回到顶部