电脑桌面
添加小米粒文库到电脑桌面
安装后可以在桌面快捷访问

线路工程材料检测和试验计划(DOC31页)VIP专享VIP免费

线路工程材料检测和试验计划(DOC31页)_第1页
1/31
线路工程材料检测和试验计划(DOC31页)_第2页
2/31
线路工程材料检测和试验计划(DOC31页)_第3页
3/31
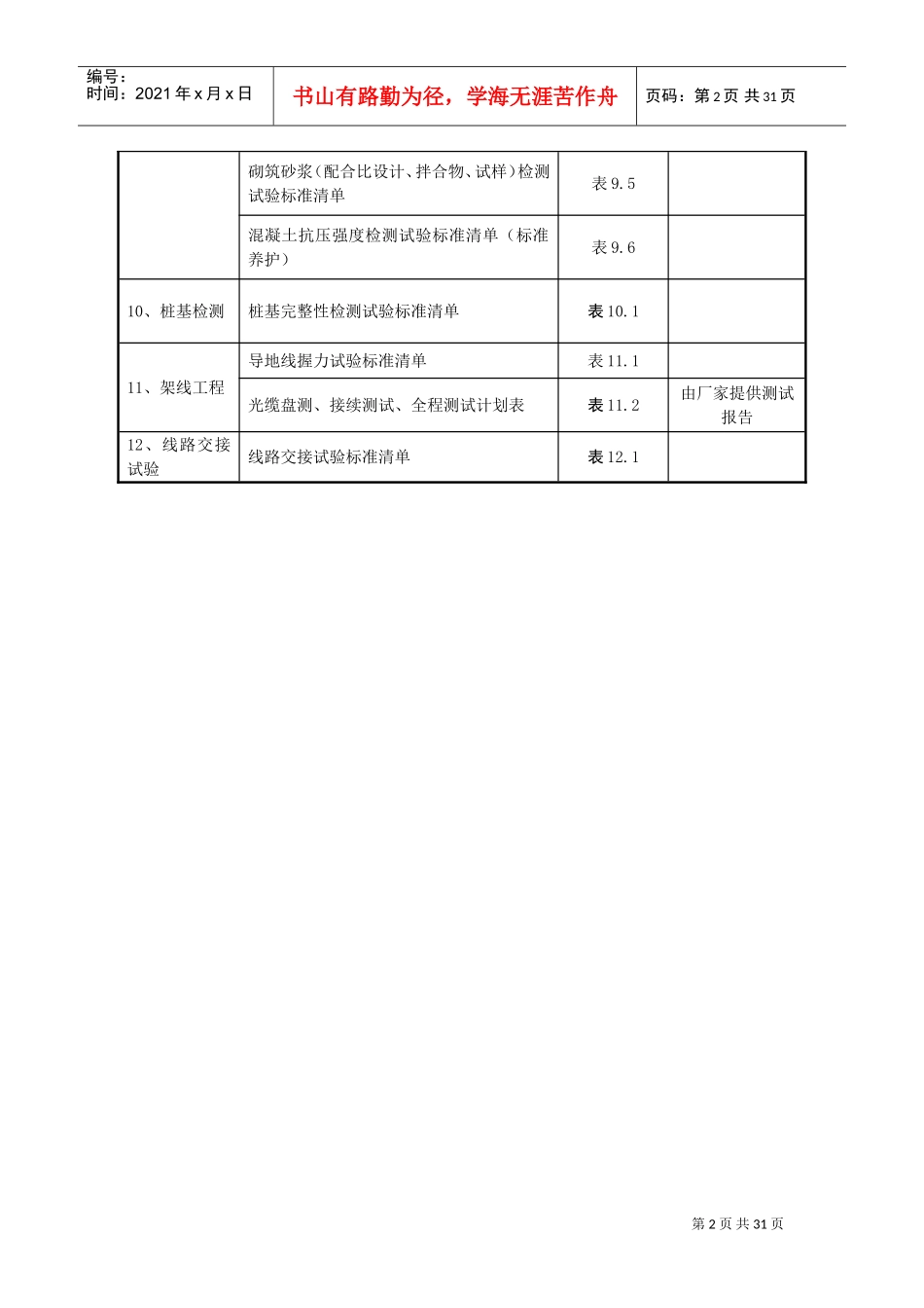
第1页共31页编号:时间:2021年x月x日书山有路勤为径,学海无涯苦作舟页码:第1页共31页附件3:线路工程材料检测和试验计划材料类别检测试验标准清单计划表编号备注原材料检测试验清单1、混凝土原材料混泥土用水检测试验标准清单表1.1商品混凝土由厂家提供水泥检测试验标准清单表1.2砂检测试验标准清单表1.3卵(碎)石检测试验标准清单表1.4缓凝剂检测试验标准清单表1.5防冻剂检测试验标准清单表1.7速凝剂检测试验标准清单表1.82、钢材直径混凝土用热轧光圆钢筋检测试验标准清单表2.1直径混凝土用热轧带肋钢筋检测试验标准清单表2.23、地脚螺栓地脚螺栓检测试验标准清单表3.1由厂家提供检测报告4、塔材塔材检测试验标准清单表4.1由厂家提供检测报告高强度螺栓材料检测试验标准清单表4.25、导地线导地线检测试验标准清单表5.1由厂家提供检测报告6、光缆地线检测试验标准清单表6.1由厂家提供检测报告7、金具金具检测试验标准清单表7.1由厂家提供检测报告8、绝缘子串绝缘子串检测试验标准清单表8.1由厂家提供检测报告施工过程质量检测试验清单9、基础工程电弧焊检测试验标准清单表9.1钢筋机械连接检测试验标准清单表9.2混凝土配合比设计检测试验标准清单表9.3混凝土拌合物性能检测试验标准清单表9.4第2页共31页编号:时间:2021年x月x日书山有路勤为径,学海无涯苦作舟页码:第2页共31页砌筑砂浆(配合比设计、拌合物、试样)检测试验标准清单表9.5混凝土抗压强度检测试验标准清单(标准养护)表9.610、桩基检测桩基完整性检测试验标准清单表10.111、架线工程导地线握力试验标准清单表11.1光缆盘测、接续测试、全程测试计划表表11.2由厂家提供测试报告12、线路交接试验线路交接试验标准清单表12.1第3页共31页编号:时间:2021年x月x日书山有路勤为径,学海无涯苦作舟页码:第3页共31页1、混凝土原材料表1.1混泥土用水检测试验标准清单检验类别混凝土用水主要检测参数1、PH值2、不溶物含量3、可溶物含量4、氯离子含量5、硫酸根离子含量6、碱含量7、水泥凝结时间差8、水泥胶砂强度比其他检测参数放射性取样地点1、地表水宜在水域中心部位、距水面100mm以下采集。2、地下水应在放水冲洗管道后接取,或直接用容器采集。3、再生水应在取水管道终端接取。4、混凝土企业洗刷水应沉淀后,在池中距水面100mm以下采集。取样规定地表水、地下水、再生水和混凝土企业设备洗刷水在使用前应进行检验,在使用时间,检验频率宜符合下列要求:1、地表水每6个月检验一次。2、地下水每年检验一次。3、再生水每3个月检验一次,在质量稳定一年后,可每6个月检验一次。4、混凝土企业设备洗刷水每3个月检验一次,在质量稳定一年后,可一年检验一次。5、当发现水受到污染和对混凝土性能有影响时,应立即检验。质量及取样引用标准《混凝土用水标准》JGJ63《建筑材料放射性核素限量》GB6566《混凝土质量控制标准》GB50164《混凝土结构工程施工质量验收规范》GB50204第4页共31页编号:时间:2021年x月x日书山有路勤为径,学海无涯苦作舟页码:第4页共31页备注1、采用非碱活性骨料时,可不检验碱含量。2、符合现行国家标准《生活饮用水卫生标准》GB5749要求的饮用水,可不经检验直接作为混凝土用水。3、采用地表水、地下水、再生水作混凝土用水时应进行放射性检测4、严禁将未经处理的海水用于钢筋混凝土和预应力混凝土表1.2水泥检测试验标准清单检验类别水泥主要检测参数1、凝结时间2、安定性3、胶砂强度4、氧化镁5、氯离子6、碱含量(碱含量低于0.6%的水泥)7、水化热(中、低热硅酸水泥或低热矿渣硅酸盐水泥)其他检测参数1、不溶物2、三氧化硫3、烧矢量4、密度5、比表面积或细度6、胶砂流动度7、标准稠度8、放射性取样地点1、现场水泥库2、散装水泥在散装容器或输送设备中取样取样规定1、水泥进场时应对其品种、级别、包装或散装仓号、出厂日期等进行检查。按同一生产厂家、同一等级、同一品种、同一批号且连续进场的水泥,袋装不超过200t为一批,散装不超过500t为一批,每批抽样不少于一次。2、取样应有代表性,可连续取,也可以从20个以上不同部位等量取样,总量至少12kg。3、采用碱含量低于0.6%的水泥应做碱...

1、当您付费下载文档后,您只拥有了使用权限,并不意味着购买了版权,文档只能用于自身使用,不得用于其他商业用途(如 [转卖]进行直接盈利或[编辑后售卖]进行间接盈利)。
2、本站所有内容均由合作方或网友上传,本站不对文档的完整性、权威性及其观点立场正确性做任何保证或承诺!文档内容仅供研究参考,付费前请自行鉴别。
3、如文档内容存在违规,或者侵犯商业秘密、侵犯著作权等,请点击“违规举报”。

碎片内容

线路工程材料检测和试验计划(DOC31页)

确认删除?
VIP
微信客服
  • 扫码咨询
会员Q群
  • 会员专属群点击这里加入QQ群
客服邮箱
回到顶部